ZHCSPV2G November   1988  – October 2022 SN74HCT125

PRODUCTION DATA  

  1. 特性
  2. 说明
  3. Revision History
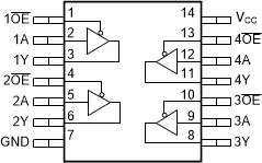
  4. Pin Configuration and Functions
  5. Specifications
    1. 5.1 Absolute Maximum Ratings
    2. 5.2 Recommended Operating Conditions (1)
    3. 5.3 Thermal Information
    4. 5.4 Electrical Characteristics
    5. 5.5 Switching Characteristics
    6. 5.6 Operating Characteristics
  6. Parameter Measurement Information
  7. Detailed Description
    1. 7.1 Overview
    2. 7.2 Functional Block Diagram
    3. 7.3 Device Functional Modes
  8. Power Supply Recommendations
  9. Layout
    1. 9.1 Layout Guidelines
  10. 10Device and Documentation Support
    1. 10.1 Documentation Support
      1. 10.1.1 Related Documentation
    2. 10.2 接收文档更新通知
    3. 10.3 支持资源
    4. 10.4 Trademarks
    5. 10.5 Electrostatic Discharge Caution
    6. 10.6 术语表
  11. 11Mechanical, Packaging, and Orderable Information

封装选项

请参考 PDF 数据表获取器件具体的封装图。

机械数据 (封装 | 引脚)
  • D|14
  • N|14
散热焊盘机械数据 (封装 | 引脚)
订购信息

Pin Configuration and Functions

GUID-2E63F19C-8EDF-482E-AC19-1F1008C98613-low.gifD, N, J or W Package
14-Pin SOIC or PDIP
Top View
GUID-1E864202-8D5E-4E12-87F6-A8582F147CF6-low.pngFK Package
20-Pin LCCC
Top View