ZHCSWJ3B December   2006  – June 2024 SN74HC4852-Q1

PRODUCTION DATA  

  1.   1
  2. 特性
  3. 应用
  4. 说明
  5. Pin Configuration and Functions
  6. Specifications
    1. 5.1 Absolute Maximum Ratings
    2. 5.2 ESD Ratings
    3. 5.3 Thermal Information: SN74HC485x-Q1
    4. 5.4 Recommended Operating Conditions
    5. 5.5 Electrical Characteristics
    6. 5.6 Timing Characteristics
    7. 5.7 Injection Current Coupling
  7. Parameter Measurement Information
  8. Detailed Description
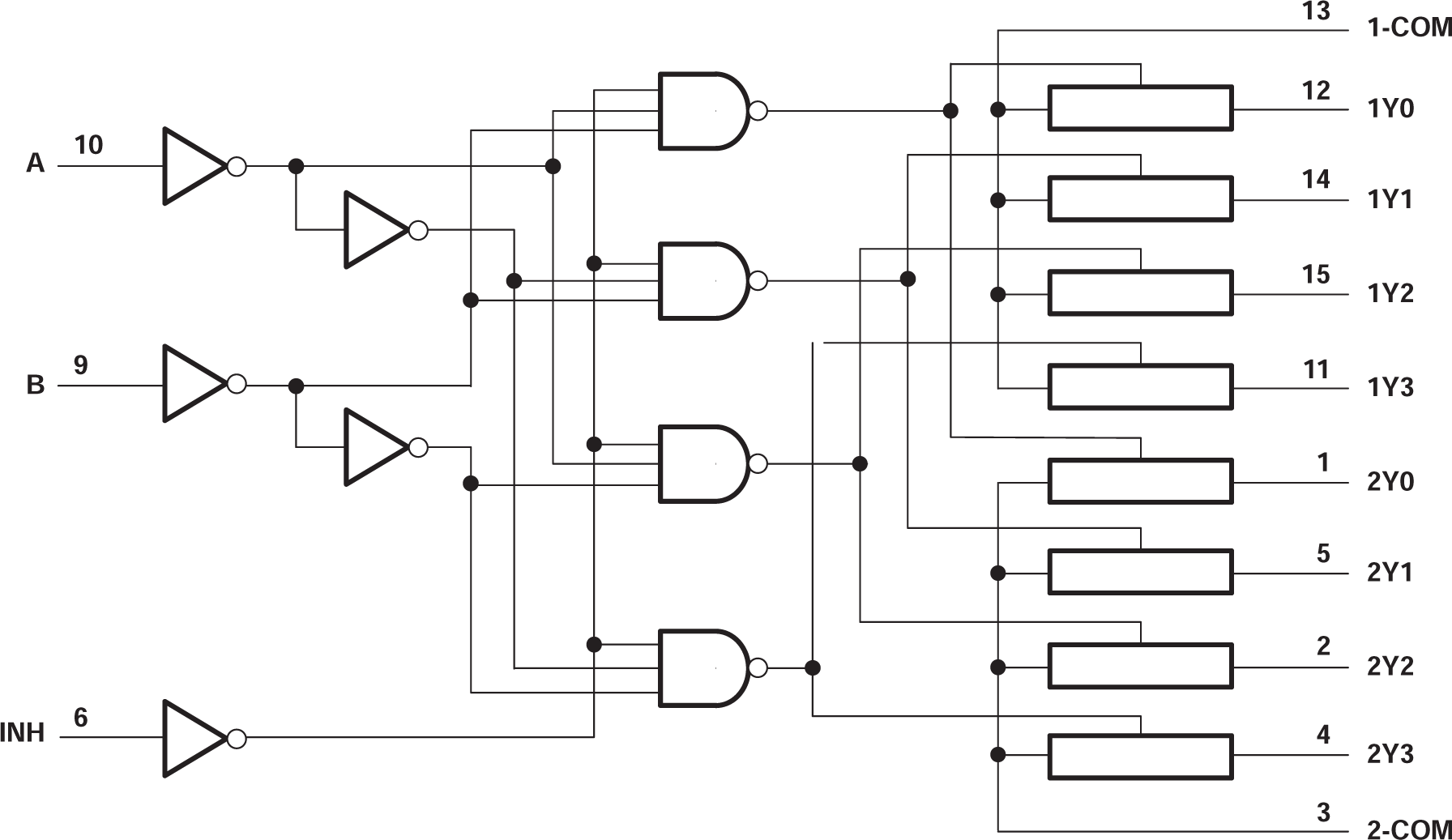
    1. 7.1 Functional Block Diagram
  9. Application and Implementation
    1. 8.1 Application Information
  10. Device and Documentation Support
    1. 9.1 接收文档更新通知
    2. 9.2 支持资源
    3. 9.3 Trademarks
    4. 9.4 静电放电警告
    5. 9.5 术语表
  11. 10Revision History
  12. 11Mechanical, Packaging, and Orderable Information

封装选项

机械数据 (封装 | 引脚)
散热焊盘机械数据 (封装 | 引脚)
订购信息

说明

这款双路 4 线至 1 线 CMOS 模拟多路复用器/多路解复用器与 4052 功能引脚兼容,并且还具有注入电流效应控制功能。此控制功能在电压通常超过正常电源电压的汽车应用中具有出色的价值。

注入电流效应控制功能允许已禁用的模拟输入通道上的信号超过电源电压,而不会影响已启用的模拟通道的信号。这样就不再需要通常使用的外部二极管/电阻器网络将模拟通道信号保持在电源电压范围内。

封装信息
器件型号 封装(1) 封装尺寸(2)
SN74HC4852-Q1 PW(TSSOP,16) 5mm × 6.4mm
有关更多信息,请参阅节 11
封装尺寸(长 × 宽)为标称值,并包括引脚(如适用)。
SN74HC4852-Q1 功能图功能图