SCES503J NOVEMBER   2003  – June 2015 SN74AUP1G57

PRODUCTION DATA.  

  1. Features
  2. Applications
  3. Description
  4. Revision History
  5. Pin Configuration and Functions
  6. Specifications
    1. 6.1  Absolute Maximum Ratings
    2. 6.2  ESD Ratings
    3. 6.3  Recommended Operating Conditions
    4. 6.4  Thermal Information
    5. 6.5  Electrical Characteristics
    6. 6.6  Switching Characteristics, CL = 5 pF
    7. 6.7  Switching Characteristics, CL = 10 pF
    8. 6.8  Switching Characteristics, CL = 15 pF
    9. 6.9  Switching Characteristics, CL = 30 pF
    10. 6.10 Operating Characteristics
    11. 6.11 Typical Characteristics
  7. Parameter Measurement Information
    1. 7.1 Propagation Delays, Setup and Hold Times, and Pulse Duration
    2. 7.2 Enable and Disable Times
  8. Detailed Description
    1. 8.1 Overview
    2. 8.2 Functional Block Diagram
    3. 8.3 Feature Description
    4. 8.4 Device Functional Modes
      1. 8.4.1 Logic Configurations
  9. Application and Implementation
    1. 9.1 Application Information
    2. 9.2 Typical Application
      1. 9.2.1 Design Requirements
      2. 9.2.2 Detailed Design Procedure
      3. 9.2.3 Application Curve
  10. 10Power Supply Recommendations
  11. 11Layout
    1. 11.1 Layout Guidelines
    2. 11.2 Layout Example
  12. 12Device and Documentation Support
    1. 12.1 Community Resources
    2. 12.2 Trademarks
    3. 12.3 Electrostatic Discharge Caution
    4. 12.4 Glossary
  13. 13Mechanical, Packaging, and Orderable Information

封装选项

机械数据 (封装 | 引脚)
散热焊盘机械数据 (封装 | 引脚)
订购信息

9 Application and Implementation

NOTE

Information in the following applications sections is not part of the TI component specification, and TI does not warrant its accuracy or completeness. TI’s customers are responsible for determining suitability of components for their purposes. Customers should validate and test their design implementation to confirm system functionality.

9.1 Application Information

The SN74AUP1G57 features configurable multiple functions. The output state is determined by eight patterns of 3-bit input. The user can choose the logic functions AND, NAND, NOR, XNOR, inverter, and noninverter. All inputs can be connected to VCC or GND.

This part can be used in any application where an equivalent single gate would work. The biggest benefit to this part is that it can be used for multiple functions on the same board, reducing the total number of part numbers to be used.

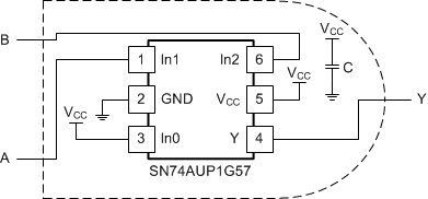
9.2 Typical Application

This application shows how the SN74AUP1G57 can be configured to work as an AND logic gate. This part can The capacitor shown is 0.1 uF and should be placed as close as possible to the part.

SN74AUP1G57 sces503_app1.gifFigure 9. Schematic for AND Gate Configuration of SN74AUP1G57

9.2.1 Design Requirements

This device uses CMOS technology and has balanced output drive. Take care to avoid bus contention because it can drive currents that would exceed maximum limits.

9.2.2 Detailed Design Procedure

  1. Recommended Input conditions
  2. Recommend output conditions
    • Load currents should not exceed 20 mA on the output and 50 mA total for the part
    • Outputs should not be pulled above VCC + 0.5 V.

9.2.3 Application Curve

The AUP family of single gate logic makes excellent translators for the new lower voltage microprocessors that typically are powered from 0.8 V to 1.2 V. They can drop the voltage of peripheral drivers and accessories that are still powered by 3.3 V to the new microcontroller power levels.

SN74AUP1G57 fig1_ces604.gifFigure 10. AUP – The Lowest-Power Family