ZHCSV95 March   2024 SN74AHC138-Q1

PRODUCTION DATA  

  1.   1
  2. 特性
  3. 应用
  4. 说明
  5. 引脚配置和功能
  6. 规格
    1. 5.1 绝对最大额定值
    2. 5.2 ESD 等级
    3. 5.3 建议运行条件
    4. 5.4 热性能信息
    5. 5.5 电气特性
    6. 5.6 开关特性
    7. 5.7 噪声特性
    8. 5.8 典型特性
  7. 参数测量信息
  8. 详细说明
    1. 7.1 概述
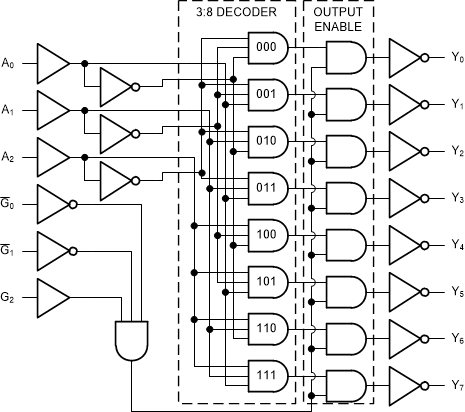
    2. 7.2 功能方框图
    3. 7.3 特性说明
      1. 7.3.1 平衡 CMOS 推挽式输出
      2. 7.3.2 标准 CMOS 输入
      3. 7.3.3 可润湿侧翼
      4. 7.3.4 钳位二极管结构
    4. 7.4 器件功能模式
  9. 应用和实施
    1. 8.1 应用信息
    2. 8.2 典型应用
    3. 8.3 设计要求
      1. 8.3.1 电源注意事项
      2. 8.3.2 输入注意事项
      3. 8.3.3 输出注意事项
    4. 8.4 详细设计过程
    5. 8.5 应用曲线
    6. 8.6 电源相关建议
    7. 8.7 布局
      1. 8.7.1 布局指南
      2. 8.7.2 布局示例
  10. 器件和文档支持
    1. 9.1 接收文档更新通知
    2. 9.2 支持资源
    3. 9.3 商标
    4. 9.4 静电放电警告
    5. 9.5 术语表
  11. 10修订历史记录
  12. 11机械、封装和可订购信息

封装选项

机械数据 (封装 | 引脚)
散热焊盘机械数据 (封装 | 引脚)
订购信息

功能方框图

GUID-20210218-CA0I-M11P-LCKQ-TNXKGB9NZGJB-low.gif