SLLS545G November   2002  – October 2015 SN55HVD251 , SN65HVD251

PRODUCTION DATA.  

  1. Features
  2. Applications
  3. Description
  4. Revision History
  5. Pin Configuration and Functions
  6. Specifications
    1. 6.1  Absolute Maximum Ratings
    2. 6.2  ESD Ratings
    3. 6.3  Recommended Operating Conditions
    4. 6.4  Thermal Information
    5. 6.5  Supply Current
    6. 6.6  Electrical Characteristics: Driver
    7. 6.7  Electrical Characteristics: Receiver
    8. 6.8  VREF-Pin Characteristics
    9. 6.9  Power Dissipation Characteristics
    10. 6.10 Switching Characteristics: Driver
    11. 6.11 Switching Characteristics: Device
    12. 6.12 Switching Characteristics: Receiver
    13. 6.13 Dissipation Ratings
    14. 6.14 Typical Characteristics
  7. Parameter Measurement Information
  8. Detailed Description
    1. 8.1 Overview
    2. 8.2 Functional Block Diagram
    3. 8.3 Feature Description
      1. 8.3.1 Mode Control
      2. 8.3.2 High-Speed Mode
      3. 8.3.3 Slope Control Mode
      4. 8.3.4 Low-Power Mode
      5. 8.3.5 Thermal Shutdown
    4. 8.4 Device Functional Modes
  9. Application and Implementation
    1. 9.1 Application Information
    2. 9.2 Typical Application
      1. 9.2.1 Design Requirements
        1. 9.2.1.1 Bus Loading, Length, and Number of Nodes
      2. 9.2.2 Detailed Design Procedure
        1. 9.2.2.1 CAN Termination
        2. 9.2.2.2 Loop Propagation Delay
      3. 9.2.3 Application Curve
    3. 9.3 System Example
      1. 9.3.1 ISO 11898 Compliance of HVD251 5-V CAN Bus Transceiver
        1. 9.3.1.1 Introduction
        2. 9.3.1.2 Differential Signal
        3. 9.3.1.3 Common-Mode Signal
  10. 10Power Supply Recommendations
  11. 11Layout
    1. 11.1 Layout Guidelines
    2. 11.2 Layout Example
  12. 12Device and Documentation Support
    1. 12.1 Related Links
    2. 12.2 Community Resources
    3. 12.3 Trademarks
    4. 12.4 Electrostatic Discharge Caution
    5. 12.5 Glossary
  13. 13Mechanical, Packaging, and Orderable Information

封装选项

机械数据 (封装 | 引脚)
散热焊盘机械数据 (封装 | 引脚)
订购信息

8 Detailed Description

8.1 Overview

The SNx5HVD251CAN bus transceiver is compatible with the ISO 11898-2 High Speed CAN (Controller Area Network) physical layer standard. It is design to interface between the differential bus lines in controller area network and the CAN protocol controller at data rates up to 1 Mbps.

8.2 Functional Block Diagram

SN55HVD251 SN65HVD251 BlockDiagramwoPackage_slls545.gif

8.3 Feature Description

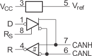
SN55HVD251 SN65HVD251 fd_lls545.gif Figure 23. Function Diagram (Positive Logic)

8.3.1 Mode Control

RS, Pin 8, selects one of three possible modes of operation: high-speed, slope control, or low-power mode.

8.3.2 High-Speed Mode

The high-speed mode of operation can be selected by setting RS (Pin 8) low. High-speed allows the output to switch as fast as possible with no internal limitations on the output rise and fall slopes. The CAN bus driver and receiver are fully operational and the CAN communication is bi-directional. The driver is translating a digital input on D to a differential output on CANH and CANL. The receiver is translating the differential signal from CANH and CANL to a digital output on R.

8.3.3 Slope Control Mode

The rise and fall slope of the SNx5HVD251 driver output can be adjusted by connecting a resistor from Rs (Pin 8) to ground (GND), or to a low-level input voltage as shown in Figure 24. The slope of the driver output signal is proportional to the pin's output current. This slope control is implemented with an external resistor value of 10 kΩ to achieve a ~15-V/μs slew rate, and up to 100 kΩ to achieve a ~2.0-V/μs slew rate. Figure 8 shows a plot of differential output transition time vs slope resistance from which the slew rate can be calculated.

8.3.4 Low-Power Mode

If a high-level input (>0.75 VCC) is applied to RS (Pin 8), the circuit enters a low-current, listen only standby mode during which the driver is switched off and the receiver remains active. If using this mode to save system power while waiting for bus traffic, the local controller can monitor the R output pin for a falling edge which indicates that a dominant signal was driven onto the CAN bus. The local controller can then drive the RS pin low to return to slope control mode or high-speed mode.

NOTE

Silent mode may be used to implement babbling idiot protection, to ensure that the driver does not disrupt the network during a local fault. Silent mode may also be used in redundant systems to select or de-select the redundant transceiver (driver) when needed.

SN55HVD251 SN65HVD251 SlopeControl_slls545.gif Figure 24. Slope Control

8.3.5 Thermal Shutdown

The SNx5HVD251 has a thermal shutdown feature that turns off the driver outputs when the junction temperature nears 165°C. This shutdown prevents catastrophic failure from bus shorts, but does not protect the circuit from possible damage. The user should strive to maintain recommended operating conditions and not exceed absolute-maximum ratings at all times. If an SNx5HVD251 is subjected to many, or long-duration faults that can put the device into thermal shutdown, it should be replaced.

8.4 Device Functional Modes

Table 2. Driver

INPUTS Voltage at Rs, VRs OUTPUTS BUS STATE
D CANH CANL
L VRs < 1.2 V H L Dominant
H VRs < 1.2 V Z Z Recessive
Open X Z Z Recessive
X VRs > 0.75 VCC Z Z Recessive
X Open Z Z Recessive

Table 3. Receiver

DIFFERENTIAL INPUTS [VID = V(CANH) - V(CANL)] OUTPUT R(1)
VID 0.9 V L
0.5 V < VID < 0.9 V ?
VID 0.5 V H
Open H
(1) H = high level; L = low level; X = irrelevant; ? = indeterminate; Z = high impedance
SN55HVD251 SN65HVD251 ioschematics_lls545.gif Figure 25. Equivalent Input and Output Schematic Diagrams