ZHCSJ17H November   2002  – November 2018 SN65HVD233 , SN65HVD234 , SN65HVD235

PRODUCTION DATA.  

  1. 特性
  2. 应用
  3. 说明
    1.     Device Images
      1.      方框图
  4. 修订历史记录
  5. (说明 (续))
  6. Device Comparison Table
  7. Pin Configuration and Functions
    1.     Pin Functions
  8. Specifications
    1. 8.1  Absolute Maximum Ratings
    2. 8.2  ESD Ratings
    3. 8.3  Recommended Operating Conditions
    4. 8.4  Thermal Information
    5. 8.5  Power Dissipation Ratings
    6. 8.6  Electrical Characteristics: Driver
    7. 8.7  Electrical Characteristics: Receiver
    8. 8.8  Switching Characteristics: Driver
    9. 8.9  Switching Characteristics: Receiver
    10. 8.10 Switching Characteristics: Device
    11. 8.11 Typical Characteristics
  9. Parameter Measurement Information
  10. 10Detailed Description
    1. 10.1 Overview
    2. 10.2 Functional Block Diagrams
    3. 10.3 Feature Description
      1. 10.3.1 Diagnostic Loopback (SN65HVD233)
      2. 10.3.2 Autobaud Loopback (SN65HVD235)
      3. 10.3.3 Slope Control
      4. 10.3.4 Standby
      5. 10.3.5 Thermal Shutdown
    4. 10.4 Device Functional Modes
      1. 10.4.1 Driver and Receiver
  11. 11Application and Implementation
    1. 11.1 Application Information
    2. 11.2 Typical Application
      1. 11.2.1 Design Requirements
        1. 11.2.1.1 Bus Loading, Length and Number of Nodes
        2. 11.2.1.2 CAN Termination
      2. 11.2.2 Detailed Design Procedure
      3. 11.2.3 Application Curve
    3. 11.3 System Example
      1. 11.3.1 ISO 11898 Compliance of SN65HVD23x Family of 3.3-V CAN Transceivers
        1. 11.3.1.1 Introduction
        2. 11.3.1.2 Differential Signal
        3. 11.3.1.3 Common-Mode Signal
        4. 11.3.1.4 Interoperability of 3.3-V CAN in 5-V CAN Systems
  12. 12Power Supply Recommendations
  13. 13Layout
    1. 13.1 Layout Guidelines
    2. 13.2 Layout Example
  14. 14器件和文档支持
    1. 14.1 相关链接
    2. 14.2 接收文档更新通知
    3. 14.3 社区资源
    4. 14.4 商标
    5. 14.5 静电放电警告
    6. 14.6 术语表
  15. 15机械、封装和可订购信息

封装选项

请参考 PDF 数据表获取器件具体的封装图。

机械数据 (封装 | 引脚)
  • D|8
散热焊盘机械数据 (封装 | 引脚)
订购信息

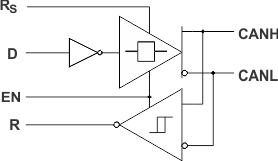
Functional Block Diagrams

SN65HVD233 SN65HVD234 SN65HVD235 fun_blk1_lls557.gifFigure 29. SN65HVD33 Functional Block Diagram
SN65HVD233 SN65HVD234 SN65HVD235 fun_blk2_lls557.gifFigure 30. SN65HVD34 Functional Block Diagram
SN65HVD233 SN65HVD234 SN65HVD235 fun_blk3_lls557.gifFigure 31. SN65HVD35 Functional Block Diagram