SLLS888B June   2008  – October 2016 SN65HVD1050A-Q1

PRODUCTION DATA.  

  1. Features
  2. Applications
  3. Description
  4. Revision History
  5. Description (continued)
  6. Pin Configuration and Functions
  7. Specifications
    1. 7.1  Absolute Maximum Ratings
    2. 7.2  ESD Ratings
    3. 7.3  Recommended Operating Conditions
    4. 7.4  Thermal Information
    5. 7.5  Electrical Characteristics: Supply Current
    6. 7.6  Electrical Characteristics: Driver
    7. 7.7  Electrical Characteristics: Receiver
    8. 7.8  Switching Characteristics: Device
    9. 7.9  Switching Characteristics: Driver
    10. 7.10 Switching Characteristics: Receiver
    11. 7.11 S Pin Characteristics
    12. 7.12 VREF Pin Characteristics
    13. 7.13 Typical Characteristics
  8. Parameter Measurement Information
  9. Detailed Description
    1. 9.1 Overview
    2. 9.2 Functional Block Diagram
    3. 9.3 Feature Description
      1. 9.3.1 TXD Dominant State Time-Out
      2. 9.3.2 Thermal Shutdown
      3. 9.3.3 Undervoltage Lockout and Unpowered Device
    4. 9.4 Device Functional Modes
      1. 9.4.1 Operating Modes
        1. 9.4.1.1 Normal Mode
        2. 9.4.1.2 Silent Mode
      2. 9.4.2 Equivalent Input and Output Schematic Diagrams
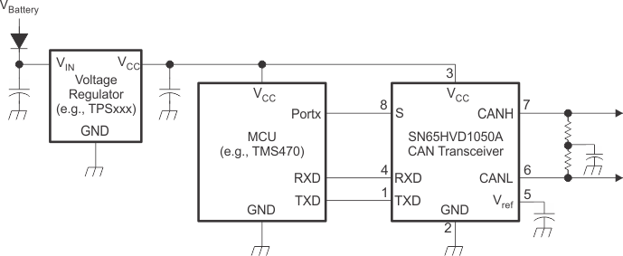
  10. 10Application and Implementation
    1. 10.1 Application Information
      1. 10.1.1 Using the Device With 3.3-V Microcontrollers
      2. 10.1.2 Using SPLIT (VREF) With Split Termination
    2. 10.2 Typical Application
      1. 10.2.1 Design Requirements
        1. 10.2.1.1 Bus Loading, Length, and Number of Nodes
        2. 10.2.1.2 CAN Termination
        3. 10.2.1.3 Loop Propagation Delay
      2. 10.2.2 Detailed Design Procedure
        1. 10.2.2.1 ESD Protection
        2. 10.2.2.2 Transient Voltage Suppresser (TVS) Diodes
      3. 10.2.3 Application Curves
  11. 11Power Supply Recommendations
  12. 12Layout
    1. 12.1 Layout Guidelines
    2. 12.2 Layout Example
  13. 13Device and Documentation Support
    1. 13.1 Receiving Notification of Documentation Updates
    2. 13.2 Community Resources
    3. 13.3 Trademarks
    4. 13.4 Electrostatic Discharge Caution
    5. 13.5 Glossary
  14. 14Mechanical, Packaging, and Orderable Information

封装选项

机械数据 (封装 | 引脚)
散热焊盘机械数据 (封装 | 引脚)
订购信息

8 Parameter Measurement Information

SN65HVD1050A-Q1 dvr_tst_lls696.gif Figure 3. Driver Voltage, Current, and Test Definition
SN65HVD1050A-Q1 bus_log_lls696.gif Figure 4. Bus Logic State Voltage Definitions
SN65HVD1050A-Q1 vod_tst_lls696.gif Figure 5. Driver VOD Test Circuit
SN65HVD1050A-Q1 drv_tst_wf_lls696.gif Figure 6. Driver Test Circuit and Voltage Waveforms
SN65HVD1050A-Q1 rx_v_cd_lls696.gif Figure 7. Receiver Voltage and Current Definitions
SN65HVD1050A-Q1 rx_tst_cx_waves_lls888.gif
A. The input pulse is supplied by a generator having the following characteristics: PRR ≤ 125 kHz, 50% duty cycle, tr ≤ 6 ns, tf ≤ 6 ns, ZO = 50 Ω.
B. CL includes instrumentation and fixture capacitance within ±20%.
Figure 8. Receiver Test Circuit and Voltage Waveforms

Table 1. Differential Input Voltage Threshold Test

INPUT OUTPUT
VCANH VCANL |VID| R
–11.1 V –12 V 900 mV L VOL
12 V 11.1 V 900 mV L
–6 V –12 V 6 V L
12 V 6 V 6 V L
–11.5 V –12 V 500 mV H VOH
12 V 11.5 V 500 mV H
–12 V –6 V 6 V H
6 V 12 V 6 V H
Open Open X H
SN65HVD1050A-Q1 ten_test_cx_waves_lls888.gif
A. CL = 100 pF and includes instrumentation and fixture capacitance within ±20%.
B. All VI input pulses are supplied by a generator having the following characteristics: tr or tf ≤ 6 ns, pulse repetition rate (PRR) = 125 kHz, 50% duty cycle.
Figure 9. ten Test Circuit and Waveforms
SN65HVD1050A-Q1 comon_mode_lls888.gif

NOTE:

All VI input pulses are from 0 V to VCC and supplied by a generator having the following characteristics: tr or tf ≤ 6 ns, pulse repetition rate (PRR) = 125 kHz, 50% duty cycle.
Figure 10. Common-Mode Output Voltage Test and Waveforms
SN65HVD1050A-Q1 tloop_tc_wf_lls696.gif
A. CL = 100 pF and includes instrumentation and fixture capacitance within ±20%.
B. All VI input pulses are from 0 V to VCC and supplied by a generator having the following characteristics: tr or tf ≤ 6 ns, pulse repetition rate (PRR) = 125 kHz, 50% duty cycle.
Figure 11. t(LOOP) Test Circuit and Waveforms
SN65HVD1050A-Q1 dom_to_test_cx_waves_lls888.gif
A. All VI input pulses are from 0 V to VCC and supplied by a generator having the following characteristics: tr or tf ≤ 6 ns, pulse repetition rate (PRR) = 500 Hz, 50% duty cycle.
B. CL = 100 pF includes instrumentation and fixture capacitance within ±20%.
Figure 12. Dominant Time-Out Test Circuit and Waveforms
SN65HVD1050A-Q1 drv_sc_wf_lls888.gif Figure 13. Driver Short-Circuit Current Test and Waveforms
SN65HVD1050A-Q1 typ_app_cx_split_term_lls888.gif Figure 14. Typical Application