SLLS753E February   2007  – September 2016 SN65HVD1040-Q1

PRODUCTION DATA.  

  1. Features
  2. Applications
  3. Description
  4. Revision History
  5. Description (continued)
  6. Pin Configuration and Functions
  7. Specifications
    1. 7.1  Absolute Maximum Ratings
    2. 7.2  ESD Ratings
    3. 7.3  Recommended Operating Conditions
    4. 7.4  Thermal Information
    5. 7.5  Electrical Characteristics: Supply Current
    6. 7.6  Electrical Characteristics: Driver
    7. 7.7  Electrical Characteristics: Receiver
    8. 7.8  Switching Characteristics: Device
    9. 7.9  Switching Characteristics: Driver
    10. 7.10 Switching Characteristics: Receiver
    11. 7.11 STB Pin Characteristics
    12. 7.12 SPLIT Pin Characteristics
    13. 7.13 Typical Characteristics
  8. Parameter Measurement Information
  9. Detailed Description
    1. 9.1 Overview
    2. 9.2 Functional Block Diagram
    3. 9.3 Feature Description
      1. 9.3.1 Mode Control
        1. 9.3.1.1 High-Speed Mode
        2. 9.3.1.2 Low-Power Mode
      2. 9.3.2 Dominant State Time-Out
      3. 9.3.3 Thermal Shutdown
      4. 9.3.4 SPLIT
      5. 9.3.5 Operating Temperature Range
    4. 9.4 Device Functional Modes
  10. 10Application and Implementation
    1. 10.1 Application Information
      1. 10.1.1 CAN Nodes Using Common-Mode Chokes
    2. 10.2 Typical Application
      1. 10.2.1 Design Requirements
        1. 10.2.1.1 Bus Loading, Length, and Number of Nodes
        2. 10.2.1.2 CAN Termination
        3. 10.2.1.3 Loop Propagation Delay
      2. 10.2.2 Detailed Design Procedure
        1. 10.2.2.1 CAN Basics
          1. 10.2.2.1.1 Differential Signal
          2. 10.2.2.1.2 Common-Mode Signal
          3. 10.2.2.1.3 ESD Protection
          4. 10.2.2.1.4 Transient Voltage Suppresser (TVS) Diodes
      3. 10.2.3 Application Curve
  11. 11Power Supply Recommendations
  12. 12Layout
    1. 12.1 Layout Guidelines
    2. 12.2 Layout Example
  13. 13Device and Documentation Support
    1. 13.1 Receiving Notification of Documentation Updates
    2. 13.2 Community Resources
    3. 13.3 Trademarks
    4. 13.4 Electrostatic Discharge Caution
    5. 13.5 Glossary
  14. 14Mechanical, Packaging, and Orderable Information

封装选项

请参考 PDF 数据表获取器件具体的封装图。

机械数据 (封装 | 引脚)
  • D|8
散热焊盘机械数据 (封装 | 引脚)
订购信息

12 Layout

12.1 Layout Guidelines

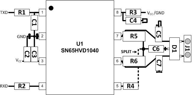
For the printed-circuit board design to be successful, start with the design of the protection and filtering circuitry. Because ESD and EFT transients have a wide frequency bandwidth from approximately 3-MHz to 3-GHz, high-frequency layout techniques must be applied during PCB design. On-chip IEC ESD protection is good for laboratory and portable equipment but is usually not sufficient for EFT and surge transients occurring in industrial environments. Therefore robust and reliable bus node design requires the use of external transient protection devices at the bus connectors. Placement at the connector also prevents these harsh transient events from propagating further into the PCB and system.

Use VCC and ground planes to provide low inductance.

NOTE

High-frequency current follows the path of least inductance and not the path of least resistance.

Design the bus protection components in the direction of the signal path. Do not force the transient current to divert from the signal path to reach the protection device. An example placement of the Transient Voltage Suppression (TVS) device indicated as D1 (either bidirectional diode or varistor solution) and bus filter capacitors C5 and C7 are shown in Figure 33.

The bus transient protection and filtering components must be placed as close to the bus connector, J1, as possible. This prevents transients, ESD and noise from penetrating onto the board and disturbing other devices.

Bus termination: Figure 33 shows split termination. This is where the termination is split into two resistors, R5 and R6, with the center or split tap of the termination connected to ground through capacitor C6. Split termination provides common-mode filtering for the bus. When termination is placed on the board instead of directly on the bus, take care ensuring the terminating node is not removed from the bus as this causes signal integrity issues of the bus is not properly terminated on both ends.

Bypass and bulk capacitors must be placed as close as possible to the supply pins of transceiver, examples C2, C3 (VCC). Use at least two vias for VCC and ground connections of bypass capacitors and protection devices to minimize trace and via inductance.

To limit current of digital lines, serial resistors may be used. Examples are R1, R2, R3, and R4.

To filter noise on the digital IO lines, a capacitor may be used close to the input side of the IO as shown by C1 and C4.

Because the internal pullup and pulldown biasing of the device is weak for floating pins, an external 1-kΩ to 10-kΩ pullup or pulldown resistor must be used to bias the state of the pin more strongly against noise during transient events.

Pin 1: If an open-drain host processor is used to drive the TXD pin of the device an external pullup resistor between 1 kΩ and 10 kΩ must be used to drive the recessive input state of the device.

Pin 5: SPLIT must be connected to the center point of a split termination scheme to help stabilize the common-mode voltage to VCC/2. If SPLIT is unused it must be left floating.

Pin 8: This pin is shown assuming the mode pin, STB, is used. If the device is only used in normal mode, R3 is not needed and the pads of C4 could be used for the pulldown resistor to GND.

12.2 Layout Example

SN65HVD1040-Q1 layoutexample.gif Figure 33. Layout Recommendation