ZHCSDD1A July   2014  – December 2015 SN65DSI86-Q1

PRODUCTION DATA.  

  1. 特性
  2. 应用
  3. 说明
  4. 修订历史记录
  5. 说明 (续)
  6. Pin Configuration and Functions
  7. Specifications
    1. 7.1 Absolute Maximum Ratings
    2. 7.2 Handling Ratings
    3. 7.3 Recommended Operating Conditions
    4. 7.4 Thermal Information
    5. 7.5 Electrical Characteristics
    6. 7.6 Timing Requirements
    7. 7.7 Switching Characteristics
  8. Detailed Description
    1. 8.1 Overview
    2. 8.2 Functional Block Diagram
    3. 8.3 Feature Description
      1. 8.3.1 MIPI Dual DSI Interface
      2. 8.3.2 Embedded DisplayPort Interface
      3. 8.3.3 General-Purpose Input and Outputs
        1. 8.3.3.1 GPIO REFCLK and DSIA Clock Selection
        2. 8.3.3.2 Suspend Mode
        3. 8.3.3.3 Pulse Width Modulation (PWM)
    4. 8.4 Device Functional Modes
      1. 8.4.1 Reset Implementation
      2. 8.4.2 Power-Up Sequence
      3. 8.4.3 Power Down Sequence
      4. 8.4.4 Display Serial Interface (DSI)
        1. 8.4.4.1 DSI Lane Merging
        2. 8.4.4.2 DSI Supported Data Types
        3. 8.4.4.3 Generic Request Datatypes
          1. 8.4.4.3.1 Generic Read Request 2-Parameters Request
          2. 8.4.4.3.2 Generic Short Write 2-Parameters Request
          3. 8.4.4.3.3 Generic Long Write Packet Request
        4. 8.4.4.4 DSI Pixel Stream Packets
        5. 8.4.4.5 DSI Video Transmission Specifications
        6. 8.4.4.6 Video Format Parameters
        7. 8.4.4.7 GPU LP-TX Clock Requirements
      5. 8.4.5 DisplayPort
        1. 8.4.5.1  HPD (Hot Plug/Unplug Detection)
        2. 8.4.5.2  AUX_CH
          1. 8.4.5.2.1 Native Aux Transactions
        3. 8.4.5.3  I2C-Over-AUX
          1. 8.4.5.3.1 Direct Method (Clock Stretching)
          2. 8.4.5.3.2 Indirect Method (CFR Read/Write)
        4. 8.4.5.4  DisplayPort PLL
        5. 8.4.5.5  DP Output VOD and Pre-emphasis Settings
        6. 8.4.5.6  DP Main Link Configurability
        7. 8.4.5.7  DP Main Link Training
          1. 8.4.5.7.1 Manual Link Training
          2. 8.4.5.7.2 Fast Link Training
          3. 8.4.5.7.3 Semi-Auto Link Training
          4. 8.4.5.7.4 Redriver Semi-Auto Link Training
        8. 8.4.5.8  Panel Size vs DP Configuration
        9. 8.4.5.9  Panel Self Refresh (PSR)
        10. 8.4.5.10 Secondary Data Packet (SDP)
        11. 8.4.5.11 Color Bar Generator
        12. 8.4.5.12 DP Pattern
          1. 8.4.5.12.1 HBR2 Compliance Eye
          2. 8.4.5.12.2 80-Bit Custom Pattern
        13. 8.4.5.13 BPP Conversion
    5. 8.5 Programming
      1. 8.5.1 Local I2C Interface Overview
    6. 8.6 Register Map
      1. 8.6.1 Standard CFR Registers (PAGE 0)
  9. Application and Implementation
    1. 9.1 Application Information
    2. 9.2 Typical Application
      1. 9.2.1 1080p (1920x1080 60 Hz) Panel
        1. 9.2.1.1 Design Requirements
        2. 9.2.1.2 Detailed Design Procedure
          1. 9.2.1.2.1 eDP Design Procedure
          2. 9.2.1.2.2 DSI Design Procedure
          3. 9.2.1.2.3 Example Script
        3. 9.2.1.3 Application Curve
  10. 10Power Supply Recommendations
    1. 10.1 VCC Power Supply
    2. 10.2 VCCA Power supply
    3. 10.3 VPLL and VCCIO Power Supplies
  11. 11Layout
    1. 11.1 Layout Guidelines
      1. 11.1.1 DSI Guidelines
      2. 11.1.2 eDP Guidelines
      3. 11.1.3 Ground
    2. 11.2 Layout Example
  12. 12器件和文档支持
    1. 12.1 文档支持
      1. 12.1.1 相关文档 
    2. 12.2 社区资源
    3. 12.3 商标
    4. 12.4 静电放电警告
    5. 12.5 Glossary
  13. 13机械、封装和可订购信息

封装选项

机械数据 (封装 | 引脚)
散热焊盘机械数据 (封装 | 引脚)
订购信息

7 Specifications

7.1 Absolute Maximum Ratings

over operating free-air temperature range (unless otherwise noted)(1)
MIN MAX UNIT
Supply voltage VCCA, VCC –0.3 1.3 V
VCCIO, VPLL –0.3 2.175
Input voltage All input terminals –0.5 2.175 V
Operating temperature –40 85 °C
Storage temperature, Tstg –65 105 °C
(1) Stresses beyond those listed under Absolute Maximum Ratings may cause permanent damage to the device. These are stress ratings only, which do not imply functional operation of the device at these or any other conditions beyond those indicated under Recommended Operating Conditions. Exposure to absolute-maximum-rated conditions for extended periods may affect device reliability.

7.2 Handling Ratings

MIN MAX UNIT
Tstg Storage temperature range –65 150 °C
V(ESD) Electrostatic discharge Human body model (HBM), per AEC Q100-002 Classification Level H2, all pins(1) –2000 2000 V
Charged device model (CDM), per AEC Q100-011 Classification Level C4B Corner pins –750 750
Other pins –500 500
(1) AEC Q100-002 indicates HBM stressing is done in accordance with the ANSI/ESDA/JEDEC JS-001 specification.

7.3 Recommended Operating Conditions

over operating free-air temperature range (unless otherwise noted)
MIN NOM MAX UNIT
VCCA VCCA Power supply; analog circuits 1.14 1.2 1.26 V
VCC VCC Power supply; digital circuits 1.14 1.2 1.26 V
VCCIO VCCIO Power Supply; digital IOs. 1.65 1.8 1.98 V
VPLL VPLL Power Supply, DisplayPort PLL 1.65 1.8 1.98 V
VPSN Supply noise on any VCC terminal f(noise) > 1 MHz 0.05 V
VDSI_PIN DSI input pin voltage range –50 1350 mV
f(I2C) Local I2C input frequency 400 kHz
fHS_CLK DSI HS clock input frequency 40 750 MHz
ZL DP output differential load impedance 90 110 Ω
TA Operating free-air temperature –40 85 °C
TJ Operating junction temperature –40 105 °C

7.4 Thermal Information

THERMAL METRIC(1) SN65DSI86-Q1 UNIT
PAP
64 TERMINALS
RθJA Junction-to-ambient thermal resistance 35.5 °C/W
RθJC(top) Junction-to-case (top) thermal resistance 17.7 °C/W
RθJB Junction-to-board thermal resistance 19.5 °C/W
ψJT Junction-to-top thermal resistance metric (High-K board(1)) 0.7 °C/W
ψJB Junction-to-board thermal resistance metric (High-K board(1)) 19.4 °C/W
RθJC(bot) Junction-to-case (bottom) thermal resistance 1.7 °C/W
(1) For more information about traditional and new thermal metrics, see the Semiconductor and IC Package Thermal Metrics application report, SPRA953.

7.5 Electrical Characteristics

over operating free-air temperature range (unless otherwise noted)
PARAMETER TEST CONDITIONS MIN TYP(1) MAX UNIT
STANDARD IO (TEST1, TEST2, ADDR, SCL, SDA, IRQ, REFCLK, EN, GPIO[4:1])
VIL Low-level control signal input voltage 0.3 ×
VCCIO
V
VIH High-level control signal input voltage 0.7 ×
VCCIO
V
VOH High-level output voltage IOH = –2 mA 1.3 V
VOL Low-level output voltage IOL = 2 mA 0.4 V
IIH High-level input current Any input terminal ±5 μA
IIL Low-level input current
IOZ High-impedance output current Any output terminal ±10 μA
IOS Short-circuit output current Any output driving GND short ±2 mA
ICCA VCCA device active current VCCA = 1.2 V (2) 70 126 mA
ICC VCC device active current VCCA = 1.2 V (2) 43 52 mA
ICCIO VCCIO and VPLL device active current VCCIO = 1.8 V, VPLL = 1.8 V (2) 32 32 mA
ISUSPEND_CCA VCCA device suspend current All data and clock lanes are in ultra-low power state (ULPS) and SUSPEND = 1 9.8 mA
ISUSPEND_CC VCC device suspend current All data and clock lanes are in ultra-low power state (ULPS) and SUSPEND = 1 9 mA
ISUSPEND_CCIO VCCIO and VPLL device suspend current All data and clock lanes are in ultra-low power state (ULPS) and SUSPEND = 1 1.16 mA
IEN_CCA VCCA shutdown current EN = 0 0.95 mA
IEN_CC VCC shutdown current EN = 0 2 mA
IEN_CCIO VCCIO and VPLL shutdown current EN = 0 0.038 mA
REN EN control input resistor 150
ADDR, EN, SCL, SDA, DBP/N[3:0], DAP/N[3:1], DBCP/N, DACP/N
ILEAK Input failsafe leakage current VCC = 0; VCCIO = 0 V. Input pulled up to VCCIO max. DSI inputs pulled up to 1.3 V –40 40 µA
MIPI DSI INTERFACE
VIH-LP LP receiver input high threshold See Figure 5 880 mV
VIL-LP LP receiver input low threshold 550 mV
VOH-LP LP transmitter high-level output voltage 1100 1300 mV
VOL-LP LP transmitter low-level output voltage –50 50 mV
VIHCD LP Logic 1 contention threshold 450 mV
VILCD LP Logic 0 contention threshold 200 mV
|VID| HS differential input voltage 70 270 mV
|VIDT| HS differential input voltage threshold 50 mV
VIL-ULPS LP receiver input low threshold; ultra-low power state (ULPS) 300 mV
VCM-HS HS common mode voltage; steady-state 70 330 mV
ΔVCM-HS HS common mode peak-to-peak variation including symbol delta and interference 100 mV
VIH-HS HS single-ended input high voltage See Figure 5 460 mV
VIL-HS HS single-ended input low voltage –40 mV
VTERM-EN HS termination enable; single-ended input voltage (both Dp AND Dn apply to enable) Termination is switched simultaneous for Dn and Dp 450 mV
RDIFF-HS HS mode differential input impedance 80 125 Ω
DisplayPort MAIN LINK
VTX_DC_CM Output common mode voltage 0 2 V
VTX_AC_CM_HBR_RBR TX AC common mode voltage for HBR and RBR. 20 mVRMS
VTX_AC_CM_HBR2 TX AC common mode voltage for HBR2 30 mVRMS
VTX_DIFFPP_LVL0 Differential peak-to-peak output voltage level 0 Based on default state of V0_P0_VOD register 300 400 460 mV
VTX_DIFFPP_LVL1 Differential peak-to-peak output voltage level 1 Based on default state of V1_P0_VOD register 450 600 690 mV
VTX_DIFFPP_LVL2 Differential peak-to-peak output voltage level 2 Based on default state of V2_P0_VOD register 600 800 920 mV
VTX_DIFFPP_LVL3 Differential peak-to-peak output voltage level 3 Based on default state of V3_P0_VOD register. Level 3 is not enabled by default 600 800 920 mV
VTX_PRE_RATIO_0 Pre-emphasis level 0 0 0 0 dB
VTX_PRE_RATIO_1 Pre-emphasis level 1 2.8 3.5 4.2 dB
VTX_PRE_RATIO_2 Pre-emphasis level 2 4.8 6.0 7.2 dB
VTX_PRE_RATIO_3 Pre-emphasis level 3 Level 3 is not enabled by default 4.8 6.0 7.2 dB
VTX_PRE_POST2_RATIO_0 Post-cursor2 level 0 0 0 0 dB
VTX_PRE_POST2_RATIO_1 Post-cursor2 level 1 –1.1 –0.9 –0.7 dB
VTX_PRE_POST2_RATIO_2 Post-cursor2 level 2 –2.3 –1.9 –1.5 dB
VTX_PRE_POST2_RATIO_3 Post-cursor2 level 3 Level 3 is not enabled by default –3.7 –3.1 –2.5 dB
ITX_SHORT TX short circuit current limit 50 mA
RTX_DIFF Differential impedance 80 100 120 Ω
CAC_COUPLING AC coupling capacitor 75 200 nF
DisplayPort HPD
VHPD_PLUG Hot plug detection threshold Measured at 51-kΩ series resistor. 2.2 V
VHPD_UNPLUG Hot unplug detection threshold Measured at 51-kΩ series resistor. 0.8 V
RHPDPD HPD internal pulldown resistor 51 60 69
DisplayPort AUX INTERFACE
VAUX_DIFF_PP_TX Peak-to-peak differential voltage at transmit pins VAUX_DIFF_PP = 2 × |VAUXP – VAUXN| 0.18 1.38 V
VAUX_DIFF_PP_RX Peak-to-peak differential voltage at receive pins VAUX_DIFF_PP = 2 × |VAUXP – VAUXN| 0.18 1.36 V
RAUX_TERM AUX channel termination DC resistance 100 Ω
VAUX_DC_CM AUX channel DC common mode voltage 0 1.2 V
VAUX_TURN_CM AUX channel turnaround common-mode voltage 0.3 V
IAUX_SHORT AUX Channel short circuit current limit 90 mA
CAUX AUX AC-coupling capacitor 75 200 nF
(1) All typical values are at VCC = 1.2 V, VCCA = 1.2 V, VCCIO = 1.8 V, and VPLL = 1.8 V, and TA = 25°C
(2) Maximum condition: WQXGA 60 fps Dual-Link 2xDP at HBR2, PLL enabled; typical condition: WUXGA 60 fps 1xDP at HBR2, PLL enabled

7.6 Timing Requirements

MIN MAX UNIT
Power-up For DPPLL_CLK_SRC = REFCLK, See Figure 1
td1 VCC/A stable before VCCIO/VPLL stable 0 µs
td2 VCC/A and VCCIO/VPLL stable before EN assertion 100 µs
td3 REFCLK active and stable before EN assertion 0 µs
td4 GPIO[3:1] stable before EN assertion 0 ns
td5 GPIO[3:1] stable after EN assertion 5 µs
td6 LP11 state on DSI channels A and B before EN assertion 0 ns
td7 LP11 state on DSI channels A and B after EN assertion(1) 100 µs
tVCC_RAMP VCC supply ramp requirements 0.2 100 ms
tVCCA_RAMP VCCA supply ramp requirements 0.2 100 ms
tVCCIO_RAMP VCCIO supply ramp requirements 0.2 100 ms
tVPLL_RAMP VPLL supply ramp requirements 0.2 100 ms
Power-up For DPPLL_CLK_SRC = DACP/N, See Figure 2
td1 VCC/A stable before VCCIO/VPLLstable 0 µs
td2 VCC/A and VCCIO/VPLL stable before EN assertion 100 µs
td3 REFCLK low before EN assertion 10 µs
td4 GPIO[3:1] stable before EN assertion 0 ns
td5 GPIO[3:1] stable after EN assertion 5 µs
td6 LP11 state on DSI channels A and B before EN assertion 0 ns
td7 LP11 state on DSI channels A and B after EN assertion(1) 100 µs
td8 DACP/N active and stable before DP_PLL_EN bit is set. 100 µs
tVCC_RAMP VCC supply ramp requirements 0.2 100 ms
tVCCA_RAMP VCCA supply ramp requirements 0.2 100 ms
tVCCIO_RAMP VCCIO supply ramp requirements 0.2 100 ms
tVPLL_RAMP VPLL supply ramp requirements 0.2 100 ms
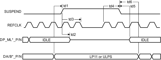
SUSPEND Timing Requirements, See Figure 3
td1 LP11 or ULPS on DSI channel A and B before assertion of SUSPEND. 200 ns
td2 Delay from SUSPEND asserted to DisplayPort Main Link powered off. 2 × tREFCLK
td3 REFCLK active hold time after assertion of SUSPEND 4 × tREFCLK
td4 REFCLK active setup time before deassertion of SUSPEND. 100 ns
td5 Delay from SUSPEND deasserted to DisplayPort Main Link active and transmitting IDLE pattern. Semi-Auto Link Training is NOT used. 20 + (1155 × tREFCLK) µs
td6 LP11 state or ULPS on DSI channels A and B after SUSPEND deassertion 20 + (1155 × tREFCLK) µs
(1) Access to DSIx6 CFR from I2C or DSI allowed after td7.

7.7 Switching Characteristics

over operating free-air temperature range (unless otherwise noted)
PARAMETER TEST CONDITIONS MIN TYP(1) MAX UNIT
MIPI DSI INTERFACE
tGS DSI LP glitch suppression pulse width 300 ps
tHS-SETUP DSI HS data to clock setup time 0.2 UI
tHS-HOLD DSI HS clock to data hold time 0.2 UI
DisplayPort MAIN LINK
FBR7 Bit rate 7 5.37138 5.4 5.40162 Gbps
FBR6 Bit rate 6 4.297104 4.32 4.321296 Gbps
FBR5 Bit rate 5 3.222828 3.24 3.240972 Gbps
FBR4 Bit rate 4 2.68569 2.7 2.70081 Gbps
FBR3 Bit rate 3 2.417121 2.43 2.430729 Gbps
FBR2 Bit rate 2 2.148552 2.16 2.160648 Gbps
FBR1 Bit rate 1 1.611414 1.62 1.620486 Gbps
UIBR7 Unit interval for BR7 High limit = +300 ppm.
Low limit = –5300 ppm
185 ps
UIBR6 Unit interval for BR6 High limit = +300 ppm.
Low limit = –5300 ppm
231.5 ps
UIBR5 Unit interval for BR5 High limit = +300 ppm.
Low limit = –5300 ppm
308.6 ps
UIBR4 Unit interval for BR4 High limit = +300 ppm.
Low limit = –5300 ppm
370.4 ps
UIBR3 Unit interval for BR3 High limit = +300 ppm.
Low limit = –5300 ppm
411.5 ps
UIBR2 Unit interval for BR2 High limit = +300 ppm.
Low limit = –5300 ppm
463 ps
UIBR1 Unit interval for BR1 High limit = +300 ppm.
Low limit = –5300 ppm
617.3 ps
tERC_L0 Differential output rise or fall time with DP_ERC set to 0 50 61 80 ps
tERC_L1 Differential output rise or fall time with DP_ERC set to 1 74 95 115 ps
tERC_L2 Differential output rise or fall time with DP_ERC set to 2 108 123 146 ps
tERC_L3 Differential output rise or fall time with DP_ERC set to 3 136 153 168 ps
tTX_RISE_FALL
_MISMATCH
Lane intra-pair output skew at TX pins 5%
tINTRA_SKEW Intra-pair differential skew 20 ps
tINTER_SKEW Inter-pair differential skew 100 ps
tTX_EYE_HBR2 Minimum TX eye width at TX package pins for HBR2(2) 0.73 UIHBR2
tTX_EYE_MED_TO
_MAX_JIT_HBR2
Maximum time between the jitter median and maximum deviation from the median at TX package pins for HBR2(2) 0.135 UIHBR2
tTX_EYE_HBR Minimum TX eye width at TX package pins for HBR(2) 0.72 UIHBR
tTX_EYE_MED_TO
_MAX_JIT_HBR
Maximum time between the jitter median and maximum deviation from the median at TX package pins for HBR(2) 0.147 UIHBR
tTX_EYE_RBR Minimum TX eye width at TX package pins for RBR(2) 0.82 UIRBR
tTX_EYE_MED_TO
_MAX_JIT_RBR
Maximum time between the jitter median and maximum deviation from the median at TX package pins for RBR(2) 0.09 UIRBR
tXSSC_AMP Link clock down-spreading 0% 0.5%
tSSC_FREQ Link clock down-spreading frequency 30 33 kHz
DisplayPort AUX INTERFACE
UIMAN Manchester transaction unit interval 0.4 0.6 µs
tauxjitter_tx Cycle-to-cycle jitter time at transmit pins 0.08 UIMAN
tauxjitter_rx Cycle-to-cycle jitter time at receive pins 0.04 UIMAN
REFCLK
fREFCLK REFCLK frequency. supported frequencies: 12 MHz, 19.2 MHz, 26 MHz, 27 MHz, 38.4 MHz 12 38.4 MHz
tRISEFALL REFCLK rise or fall time 10% to 90% 100 ps 23 ns
tREFCLK REFCLK period 26.0417 83.333 ns
tpj REFCLK peak-to-peak phase jitter 50 ps
Duty REFCLK duty cycle 40% 50% 60%
(1) All typical values are at VCC = 1.2 V and TA = 25 °C
(2) BR refers to BR1; HBR refers to BR; HBR2 refers to BR7.
SN65DSI86-Q1 pow_up_tim_REFCLK2_SLLSEH2.gif Figure 1. Power-Up Timing Definitions for DPPLL_CLK_SRC = REFCLK
SN65DSI86-Q1 pow_up_tim_DACPN_SLLSEH2.gif Figure 2. Power-Up Timing Definitions for DPPLL_CLK_SRC = DACP/N
SN65DSI86-Q1 td_SUSPEND_SLLSEH2.gif Figure 3. SUSPEND Timing Definitions
SN65DSI86-Q1 tim_def_SLLSEH2.gif Figure 4. DSI HS Mode Receiver Timing Definitions
SN65DSI86-Q1 vol_def_SLLSEH2.gif Figure 5. DSI Receiver Voltage Definitions