ZHCSXS0 January   2025 SN54SC8T164-SEP

PRODUCTION DATA  

  1.   1
  2. 特性
  3. 应用
  4. 说明
  5. 引脚配置和功能
  6. 规格
    1. 5.1 绝对最大额定值
    2. 5.2 ESD 等级
    3. 5.3 建议运行条件
    4. 5.4 热性能信息
    5. 5.5 电气特性
    6. 5.6 开关特性
    7. 5.7 计时特点
    8. 5.8 典型特性
  7. 详细说明
    1. 6.1 概述
    2. 6.2 功能方框图
    3. 6.3 特性说明
      1. 6.3.1 平衡 CMOS 推挽式输出
      2. 6.3.2 SCxT 增强输入电压
        1. 6.3.2.1 升压转换
        2. 6.3.2.2 降压转换
      3. 6.3.3 钳位二极管结构
    4. 6.4 器件功能模式
  8. 应用和实施
    1. 7.1 典型应用
      1. 7.1.1 应用信息
      2. 7.1.2 设计要求
        1. 7.1.2.1 电源注意事项
        2. 7.1.2.2 输入注意事项
        3. 7.1.2.3 输出注意事项
      3. 7.1.3 详细设计过程
      4. 7.1.4 应用曲线
    2. 7.2 电源相关建议
    3. 7.3 布局
      1. 7.3.1 布局指南
      2. 7.3.2 布局示例
  9. 器件和文档支持
    1. 8.1 文档支持
      1. 8.1.1 相关文档
    2. 8.2 接收文档更新通知
    3. 8.3 支持资源
    4. 8.4 商标
    5. 8.5 静电放电警告
    6. 8.6 术语表
  10. 修订历史记录
  11. 10机械、封装和可订购信息

封装选项

机械数据 (封装 | 引脚)
散热焊盘机械数据 (封装 | 引脚)
订购信息

说明

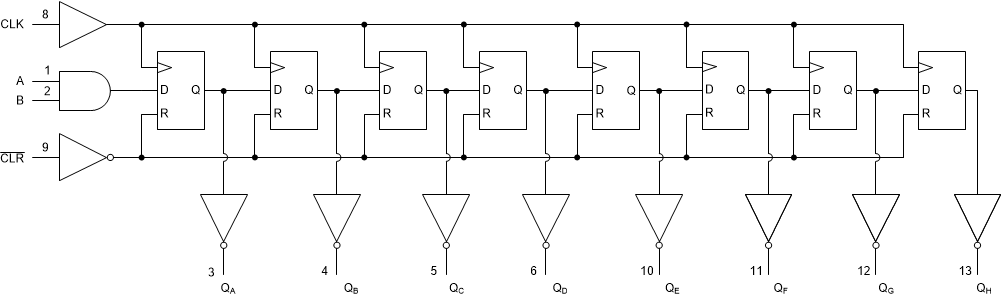
SN54SC8T164-SEP 器件包含一个 8 位移位寄存器,具有通过与门连接的串行输入以及一个异步清零 (CLR) 输入。门控串行(A 和 B)输入允许完全控制输入数据;任一输入端的低电平抑制输入新数据,并在下一个时钟 (CLK) 脉冲将第一个触发器复位为低电平。高电平输入启用另一个输入,然后确定第一个触发器的状态。如果满足最短设置时间要求,则可以在 CLK 为高电平或低电平时更改串行输入上的数据。在 CLK 由低电平到高电平转换时会进行计时。

该输入经设计,具有较低阈值电路,支持电源电压大于输入电压时的升压转换。此外,当输入电压大于电源电压时,5V 容限输入引脚可实现降压转换。输出电平始终以电源电压 (VCC) 为基准,并支持 1.8V、2.5V、3.3V 和 5V CMOS 电平。

封装信息
器件型号 封装(1) 封装尺寸(2) 本体尺寸(3)
SN54SC8T164-SEP PW(TSSOP,14) 5.0mm × 6.4mm 5.0mm × 4.4mm
有关更多信息,请参阅
封装尺寸(长 × 宽)为标称值,并包括引脚(如适用)
本体尺寸(长 × 宽)为标称值,不包括引脚。
SN54SC8T164-SEP 逻辑图(正逻辑)逻辑图(正逻辑)