SCAS296O January 1993 – July 2014 SN54LVC374A , SN74LVC374A
PRODUCTION DATA.
请参考 PDF 数据表获取器件具体的封装图。
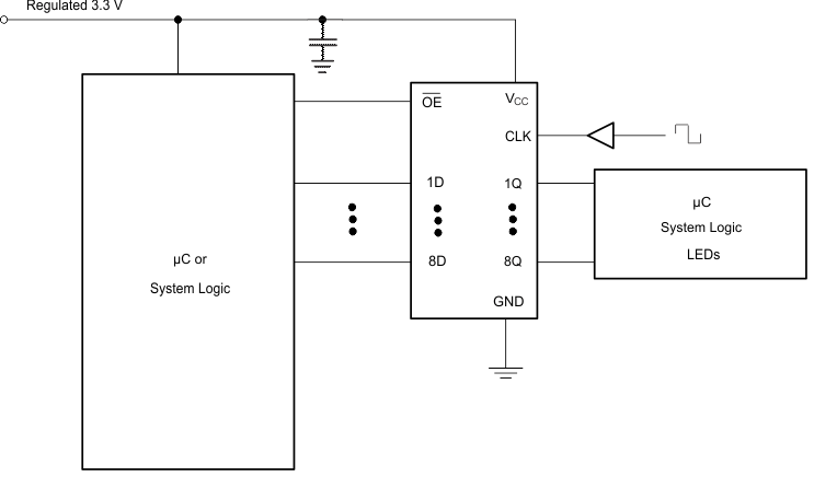
The SN74LVC374A is a high-drive CMOS device that can be used for a multitude of bus interface type applications where the data needs to be retained or latched. It can produce 32 mA of drive current at 3.3 V; therefore, making it ideal for driving multiple outputs and good for high speed applications up to 100 MHz. The inputs are 5.5-V tolerant allowing it to translate down to VCC.

This device uses CMOS technology and has balanced output drive. Care should be taken to avoid bus contention because it can drive currents that would exceed maximum limits. The high drive will also create fast edges into light loads so routing and load conditions should be considered to prevent ringing.
Figure 4. ICC vs Frequency