SDLS146B October   1976  – September 2016 SN54LS245 , SN74LS245

 

  1. Features
  2. Applications
  3. Description
  4. Revision History
  5. Device Comparison Table
  6. Pin Configuration and Functions
  7. Specifications
    1. 7.1 Absolute Maximum Ratings
    2. 7.2 ESD Ratings
    3. 7.3 Recommended Operating Conditions
    4. 7.4 Thermal Information
    5. 7.5 Electrical Characteristics
    6. 7.6 Switching Characteristics
    7. 7.7 Typical Characteristics
  8. Parameter Measurement Information
  9. Detailed Description
    1. 9.1 Overview
    2. 9.2 Functional Block Diagram
    3. 9.3 Feature Description
      1. 9.3.1 3-State outputs
      2. 9.3.2 PNP Inputs
      3. 9.3.3 Hysteresis on Bus Inputs
    4. 9.4 Device Functional Modes
  10. 10Application and Implementation
    1. 10.1 Application Information
    2. 10.2 Typical Application
      1. 10.2.1 Design Requirements
      2. 10.2.2 Detailed Design Procedure
      3. 10.2.3 Application Curve
  11. 11Power Supply Recommendations
  12. 12Layout
    1. 12.1 Layout Guidelines
    2. 12.2 Layout Example
  13. 13Device and Documentation Support
    1. 13.1 Related Links
    2. 13.2 Receiving Notification of Documentation Updates
    3. 13.3 Community Resource
    4. 13.4 Trademarks
    5. 13.5 Electrostatic Discharge Caution
    6. 13.6 Glossary
  14. 14Mechanical, Packaging, and Orderable Information

封装选项

请参考 PDF 数据表获取器件具体的封装图。

机械数据 (封装 | 引脚)
  • W|20
  • J|20
  • FK|20
散热焊盘机械数据 (封装 | 引脚)
订购信息

10 Application and Implementation

NOTE

Information in the following applications sections is not part of the TI component specification, and TI does not warrant its accuracy or completeness. TI’s customers are responsible for determining suitability of components for their purposes. Customers should validate and test their design implementation to confirm system functionality.

10.1 Application Information

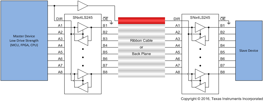
The SNx4LS245 is commonly used to drive ribbon cables or back plane busses. It allows isolation from the bus when necessary, and increases drive strength on the bus.

10.2 Typical Application

Figure 5 shows the SNx4LS245 wired up as a permanently enabled data bus transceiver for both a master and slave device communicating over a ribbon cable or back plane.

SN54LS245 SN74LS245 sdls146_app1.gif Figure 5. SNx4LS245 Being Used to Communicate Over a Ribbon Cable or Back Plane

10.2.1 Design Requirements

This device uses Schottky transistor logic technology. Take care to avoid bus contention because it can drive currents that would exceed maximum limits. The high drive creates fast edges into light loads, so routing and load conditions must be considered to prevent ringing.

10.2.2 Detailed Design Procedure

10.2.3 Application Curve

It is common to see significant losses in ribbon cables and back planes. Figure 6 shows a simplified simulation of a ribbon cable from a 5-V, 10-MHz low-drive strength source. It shows the difference between an input signal from a weak driver like an MCU or FPGA compared to a strong driver like the SN74LS245 when measured at the distant end of the cable. By adding a high-current drive transceiver before the cable, the signal strength can be significantly improved, and subsequently the cable can be longer.

SN54LS245 SN74LS245 D002_sdls146.gif
Unbuffered line is directly connected to low current source, SN74LS245 line is buffered through the transceiver. Both signals are measured at the distant end of the ribbon cable. Input signal is not shown.
Figure 6. Simulated Outputs From Ribbon Cable With a 5-V, 10-MHz Source