SDLS049C December   1983  – November 2016 SN5414 , SN54LS14 , SN7414 , SN74LS14

PRODUCTION DATA.  

  1. Features
  2. Applications
  3. Description
  4. Revision History
  5. Pin Configuration and Functions
  6. Specifications
    1. 6.1 Absolute Maximum Ratings
    2. 6.2 ESD Ratings
    3. 6.3 Recommended Operating Conditions
    4. 6.4 Thermal Information
    5. 6.5 Electrical Characteristics
    6. 6.6 Switching Characteristics
    7. 6.7 Typical Characteristics
      1. 6.7.1 SNx414 Circuits
      2. 6.7.2 SNx4LS14 Circuits
  7. Parameter Measurement Information
    1. 7.1 Series SN5414 and SN7414 Devices
    2. 7.2 Series SN54LS14 and SN74LS14 Devices
  8. Detailed Description
    1. 8.1 Overview
    2. 8.2 Functional Block Diagram
    3. 8.3 Feature Description
    4. 8.4 Device Functional Modes
  9. Application and Implementation
    1. 9.1 Application Information
    2. 9.2 Typical Application
      1. 9.2.1 Design Requirements
      2. 9.2.2 Detailed Design Procedure
      3. 9.2.3 Application Curve
    3. 9.3 System Examples
  10. 10Power Supply Recommendations
  11. 11Layout
    1. 11.1 Layout Guidelines
    2. 11.2 Layout Example
  12. 12Device and Documentation Support
    1. 12.1 Related Links
    2. 12.2 Receiving Notification of Documentation Updates
    3. 12.3 Community Resources
    4. 12.4 Trademarks
    5. 12.5 Electrostatic Discharge Caution
    6. 12.6 Glossary
  13. 13Mechanical, Packaging, and Orderable Information

封装选项

请参考 PDF 数据表获取器件具体的封装图。

机械数据 (封装 | 引脚)
  • J|14
  • FK|20
  • W|14
散热焊盘机械数据 (封装 | 引脚)
订购信息

Application and Implementation

NOTE

Information in the following applications sections is not part of the TI component specification, and TI does not warrant its accuracy or completeness. TI’s customers are responsible for determining suitability of components for their purposes. Customers should validate and test their design implementation to confirm system functionality.

Application Information

The SNx414 and SNx4LS14 device is a Schmitt-Trigger input CMOS device that can be used for a multitude of inverting buffer type functions. The application shown here takes advantage of the Schmitt-Trigger inputs to produce a delay for a logic input.

Typical Application

SN5414 SN54LS14 SN7414 SN74LS14 scls085_app1.gif Figure 28. Simplified Application Schematic

Design Requirements

This device uses CMOS technology. Take care to avoid bus contention because it can drive currents that would exceed maximum limits. Parallel output drive can create fast edges into light loads, so consider routing and load conditions to prevent ringing.

Detailed Design Procedure

This circuit is designed around an RC network that produces a slow input to the second inverter. The RC time constant (τ) is calculated from: τ = RC.

The delay time for this circuit is from tdelay(min) = –ln |1 – VT+(min) / VCC| τ to tdelay(max) = –ln |1 – VT+(max) / VCC| τ. It must be noted that the delay is consistent for each device, but because the switching threshold is only ensured between the minimum and maximum value, the output pulse length varies between devices. These values must be calculated by using the minimum and maximum ensured VT+ values in the Electrical Characteristics.

The resistor value must be chosen such that the maximum current to and from the SNx414/SNx4LS14 is 8 mA at
5-V VCC.

Application Curve

SN5414 SN54LS14 SN7414 SN74LS14 scls238_appcurve1.gif Figure 29. Ideal Capacitor Voltage and Output Voltage With Positive Switching Threshold

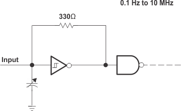
System Examples

Here are some examples of various applications using the SNx414 and SNx4LS14 device.

SN5414 SN54LS14 SN7414 SN74LS14 Typ-App-TTL-System-Interface.gif Figure 30. TTL System Interface For Slow Input Waveforms
SN5414 SN54LS14 SN7414 SN74LS14 Typ-App-Multivibrator.gif Figure 32. Multivibrator
SN5414 SN54LS14 SN7414 SN74LS14 Typ-App-Pulse-Shaper.gif Figure 31. Pulse Shaper
SN5414 SN54LS14 SN7414 SN74LS14 Typ-App-Threshold-Detector.gif Figure 33. Threshold Detector
SN5414 SN54LS14 SN7414 SN74LS14 Typ-App-Pulse-Stretcher.gif Figure 34. Pulse Stretcher