SDLS020F May   1990  – July 2016 SN54LS06 , SN74LS06

PRODUCTION DATA.  

  1. Features
  2. Applications
  3. Description
  4. Revision History
  5. Pin Configuration and Functions
  6. Specifications
    1. 6.1 Absolute Maximum Ratings
    2. 6.2 ESD Ratings
    3. 6.3 Recommended Operating Conditions
    4. 6.4 Thermal Information
    5. 6.5 Electrical Characteristics
    6. 6.6 Switching Characteristics
    7. 6.7 Typical Characteristics
  7. Parameter Measurement Information
  8. Detailed Description
    1. 8.1 Overview
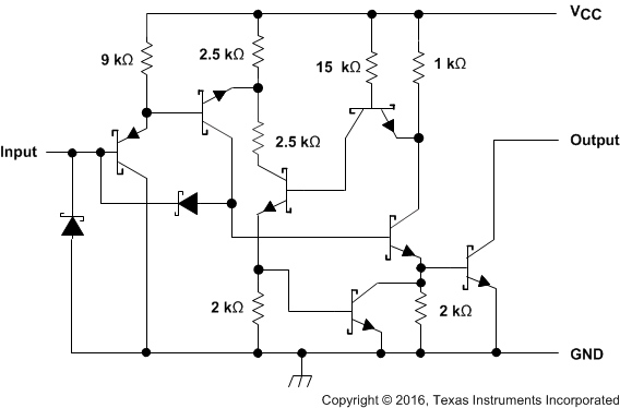
    2. 8.2 Functional Block Diagram
    3. 8.3 Feature Description
    4. 8.4 Device Functional Modes
  9. Application and Implementation
    1. 9.1 Application Information
    2. 9.2 Typical Application
      1. 9.2.1 Design Requirements
      2. 9.2.2 Detailed Design Procedure
      3. 9.2.3 Application Curve
  10. 10Power Supply Recommendations
  11. 11Layout
    1. 11.1 Layout Guidelines
    2. 11.2 Layout Examples
  12. 12Device and Documentation Support
    1. 12.1 Documentation Support
      1. 12.1.1 Related Documentation
    2. 12.2 Related Links
    3. 12.3 Receiving Notification of Documentation Updates
    4. 12.4 Community Resources
    5. 12.5 Trademarks
    6. 12.6 Electrostatic Discharge Caution
    7. 12.7 Glossary
  13. 13Mechanical, Packaging, and Orderable Information

封装选项

机械数据 (封装 | 引脚)
散热焊盘机械数据 (封装 | 引脚)
订购信息

8 Detailed Description

8.1 Overview

The SNx4LS06 devices are open-collector output inverters. The maximum sink current for the SN54LS06 device is 30 mA, and for the SN74LS06 device it is 40 mA. These devices are compatible with most TTL families. Inputs are diode-clamped to minimize transmission effects, which simplifies design. Typical power dissipation is
175 mW, and average propagation delay time is 8 ns.

8.2 Functional Block Diagram

SN54LS06 SN74LS06 Schematic.gif

8.3 Feature Description

The SNx4LS06 devices can convert most TTL voltage circuit voltage level to MOS levels. The devices have high sink-current capability of up to 40 mA. The open-collector driver can be used for typical applications including Indicator lamps and relays.

8.4 Device Functional Modes

Table 1 lists the functional modes of the SNx4LS06 devices.

Table 1. Function Table

INPUT
A
OUTPUT
Y
H L
L Hi-Z