ZHCSD28C November   2012  – December 2014 RF430FRL152H , RF430FRL153H , RF430FRL154H

PRODUCTION DATA.  

  1. 1器件概述
    1. 1.1 特性
    2. 1.2 应用
    3. 1.3 说明
    4. 1.4 功能方框图
  2. 2修订历史记录
  3. 3Device Comparison
  4. 4Terminal Configuration and Functions
    1. 4.1 Pin Diagram
    2. 4.2 Signal Descriptions
    3. 4.3 Pin Multiplexing
    4. 4.4 Connections for Unused Pins
  5. 5Specifications
    1. 5.1  Absolute Maximum Ratings
    2. 5.2  ESD Ratings
    3. 5.3  Recommended Operating Conditions
    4. 5.4  Recommended Operating Conditions, Resonant Circuit
    5. 5.5  Active Mode Supply Current Into VDDB Excluding External Current
    6. 5.6  Low-Power Mode Supply Current (Into VDDB) Excluding External Current
    7. 5.7  Digital I/Os (P1, RST/NMI)
    8. 5.8  High-Frequency Oscillator (4 MHz), HFOSC
    9. 5.9  Low-Frequency Oscillator (256 kHz), LFOSC
    10. 5.10 Wake-Up From Low-Power Modes
    11. 5.11 Timer_A
    12. 5.12 eUSCI (SPI Master Mode) Recommended Operating Conditions
    13. 5.13 eUSCI (SPI Master Mode)
    14. 5.14 eUSCI (SPI Slave Mode)
    15. 5.15 eUSCI (I2C Mode)
    16. 5.16 FRAM
    17. 5.17 JTAG
    18. 5.18 RFPMM, Power Supply Switch
    19. 5.19 RFPMM, Bandgap Reference
    20. 5.20 RFPMM, Voltage Doubler
    21. 5.21 RFPMM, Voltage Supervision
    22. 5.22 SD14, Performance
    23. 5.23 SVSS Generator
    24. 5.24 Thermistor Bias Generator
    25. 5.25 Temperature Sensor
    26. 5.26 RF13M, Power Supply and Recommended Operating Conditions
    27. 5.27 RF13M, ISO/IEC 15693 ASK Demodulator
    28. 5.28 RF13M, ISO/IEC 15693 Compliant Load Modulator
  6. 6Detailed Description
    1. 6.1 CPU
    2. 6.2 Instruction Set
    3. 6.3 Operating Modes
    4. 6.4 Interrupt Vector Addresses
    5. 6.5 Memory
      1. 6.5.1 FRAM
      2. 6.5.2 SRAM
      3. 6.5.3 Application ROM
    6. 6.6 Peripherals
      1. 6.6.1  Digital I/O, (P1.x)
      2. 6.6.2  Versatile I/O Port P1
      3. 6.6.3  Oscillator and System Clock
      4. 6.6.4  Compact System Module (C-SYS_A)
      5. 6.6.5  Watchdog Timer (WDT_A)
      6. 6.6.6  Reset, NMI, SVMOUT System
      7. 6.6.7  Timer_A (Timer0_A3)
      8. 6.6.8  Enhanced Universal Serial Communication Interface (eUSCI_B0)
      9. 6.6.9  ISO/IEC 15693 Analog Front End (RF13M)
      10. 6.6.10 ISO/IEC 15693 Decoder/Encoder (RF13M)
      11. 6.6.11 CRC16 Module (CRC16)
      12. 6.6.12 14-Bit Sigma-Delta ADC (SD14)
      13. 6.6.13 Programmable Gain Amplifier (SD14)
      14. 6.6.14 Peripheral Register Map
    7. 6.7 Port Schematics
      1. 6.7.1 Port P1.0 Input/Output
      2. 6.7.2 Port P1.1 Input/Output
      3. 6.7.3 Port P1.2 Input/Output
      4. 6.7.4 Port P1.3 Input/Output
      5. 6.7.5 Port P1.4 Input/Output
      6. 6.7.6 Port P1.5 Input/Output
      7. 6.7.7 Port P1.6 Input/Output
      8. 6.7.8 Port P1.7 Input/Output
    8. 6.8 Device Descriptors (TLV)
  7. 7Applications, Implementation, and Layout
  8. 8器件和文档支持
    1. 8.1 器件支持
      1. 8.1.1 开发支持
      2. 8.1.2 器件和开发工具命名规则
    2. 8.2 文档支持
    3. 8.3 相关链接
    4. 8.4 Community Resources
    5. 8.5 商标
    6. 8.6 静电放电警告
    7. 8.7 术语表
  9. 9机械封装和可订购信息
    1. 9.1 封装信息

封装选项

机械数据 (封装 | 引脚)
散热焊盘机械数据 (封装 | 引脚)
订购信息

7 Applications, Implementation, and Layout

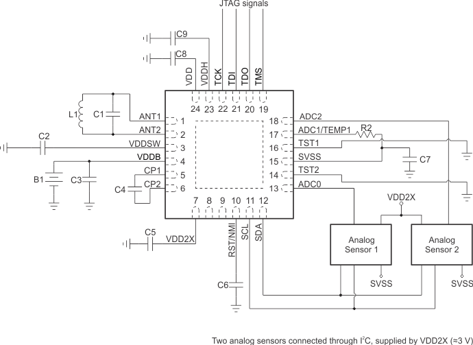
app_cx_rf430frl152h_slas833.gifFigure 7-1 Application Circuit

Table 7-1 lists the bill of materials for this application.

Table 7-1 Bill of Materials

Name Value Description
L1 3 µH RF inductance (nominal)
C1 8.2 pF RF tuning capacitor (nominal)
C2 2.2 µF Decoupling cap at VDDSW
C3 100 nF Decoupling cap at VDDB
C4 10 nF Charge pump capacitor
C5 100 nF Decoupling cap at VDD2X
C6 10 nF Decoupling cap at RST
C7 1µF Bypass capacitor between SVSS and VSS
C8 100 nF Decoupling cap at VDD
C9 100 nF Decoupling cap at VDDH
B1 1.5 V Battery
R2 100 kΩ Reference resistor