ZHCSEF0A November   2015  – December 2015 PCM1794A-Q1

PRODUCTION DATA.  

  1. 特性
  2. 应用
  3. 说明
  4. 修订历史记录
  5. Pin Configuration and Functions
  6. Specifications
    1. 6.1 Absolute Maximum Ratings
    2. 6.2 ESD Ratings
    3. 6.3 Recommended Operating Conditions
    4. 6.4 Thermal Information
    5. 6.5 Electrical Characteristics
    6. 6.6 Timing Requirements
    7. 6.7 Typical Characteristics
  7. Detailed Description
    1. 7.1 Overview
    2. 7.2 Functional Block Diagram
    3. 7.3 Feature Description
      1. 7.3.1 System Clock Input
      2. 7.3.2 Power-On and External Reset Functions
      3. 7.3.3 Audio Data Interface
        1. 7.3.3.1 Audio Serial Interface
        2. 7.3.3.2 PCM Audio Data Formats and Timing
      4. 7.3.4 Audio Data Format
      5. 7.3.5 Soft Mute
      6. 7.3.6 De-Emphasis
      7. 7.3.7 Zero Detect
      8. 7.3.8 Advanced Segment DAC
      9. 7.3.9 Analog Output
    4. 7.4 Device Functional Modes
      1. 7.4.1 Device Control
      2. 7.4.2 Audio Input Modes
      3. 7.4.3 Audio Output Modes
  8. Application and Implementation
    1. 8.1 Application Information
      1. 8.1.1 I/V Section
      2. 8.1.2 Differential Section
      3. 8.1.3 Interfacing With an External Digital Filter
        1. 8.1.3.1 System Clock (SCK) and Interface Timing
        2. 8.1.3.2 Audio Format
    2. 8.2 Typical Application
      1. 8.2.1 Design Requirements
      2. 8.2.2 Detailed Design Procedure
        1. 8.2.2.1 Audio Input or Output
      3. 8.2.3 Application Curves
  9. Power Supply Recommendations
  10. 10Layout
    1. 10.1 Layout Guidelines
    2. 10.2 Layout Example
  11. 11器件和文档支持
    1. 11.1 文档支持
      1. 11.1.1 相关文档 
    2. 11.2 社区资源
    3. 11.3 商标
    4. 11.4 静电放电警告
    5. 11.5 Glossary
  12. 12机械、封装和可订购信息

封装选项

机械数据 (封装 | 引脚)
散热焊盘机械数据 (封装 | 引脚)
订购信息

8 Application and Implementation

NOTE

Information in the following applications sections is not part of the TI component specification, and TI does not warrant its accuracy or completeness. TI’s customers are responsible for determining suitability of components for their purposes. Customers should validate and test their design implementation to confirm system functionality.

8.1 Application Information

The design of the application circuit lets the user realize the high signal-to-noise (S/N) ratio of the PCM1794A-Q1 device, as noise and distortion generated in an application circuit are not negligible.

In the circuit of Figure 25, the output level is 2-VRMS, and 127-dB S/N is achieved. The circuit of Figure 26 should result in the highest performance. In this case the output level is set to 4.5-VRMS, and 129-dB S/N is achieved (stereo mode). In monaural mode, if the output of the L-channel and R-channel is used as a balanced output, 132-dB S/N is achieved (see Figure 27).

PCM1794A-Q1 meas_circ_vout_2vrms.gif Figure 25. Measurement Circuit, VOUT = 2-VRMS
PCM1794A-Q1 meas_circ_vout_4-5vrms.gif Figure 26. Measurement Circuit, VOUT = 4.5-VRMS
PCM1794A-Q1 meas_circ_monaural_mode.gif Figure 27. Measurement Circuit for Monaural Mode

8.1.1 I/V Section

The current of the PCM1794A-Q1 device on each of the output pins (IOUTL+, IOUTL–, IOUTR+, IOUTR–) is 7.8 mA p-p at 0 dB (full scale). Use Equation 1 to calculate the voltage output level of the I/V converter (Vi).

Equation 1. Vi = 7.8 mA p–p × Rf

where

  • Rf is the feedback resistance of I/V converter

An NE5534 operational amplifier is recommended for the I/V circuit to obtain the specified performance. Dynamic performance such as the gain bandwidth, settling time, and slew rate of the operational amplifier affects the audio dynamic performance of the I/V section.

8.1.2 Differential Section

The PCM1794A-Q1 voltage outputs are followed by differential amplifier stages, which sum the differential signals for each channel, creating a single-ended I/V op-amp output. In addition, the differential amplifiers provide a low-pass filter function.

The operational amplifier recommended for the differential circuit is the Linear Technology LT1028, because the input noise is low.

8.1.3 Interfacing With an External Digital Filter

For some applications, using a programmable digital signal processor as an external digital filter to perform the interpolation function may be necessary. The following pin settings enable the external digital filter application mode:

  • MONO (pin 1) = LOW
  • CHSL (pin 2) = HIGH
  • FMT0 (pin 11) = HIGH
  • FMT1 (pin 12) = HIGH

The pins that provide the serial interface for the external digital filter are shown in the connection diagram of Figure 28. The word clock (WDCK) must be operated at 8× or 4× the desired sampling frequency, fS.

PCM1794A-Q1 conn_diag_ext_digital_filter_app.gif Figure 28. Connection Diagram for External Digital Filter (Internal DF Bypass Mode) Application

8.1.3.1 System Clock (SCK) and Interface Timing

In an application using an external digital filter, the PCM1794A-Q1 device requires the synchronization of WDCK and the system clock. The system clock is phase-free with respect to WDCK. Interface timing among WDCK, BCK, and DATA is shown in Figure 29.

PCM1794A-Q1 audio_intf_timing_ext_digital_filter.gif Figure 29. Audio Interface Timing for External Digital Filter (Internal DF Bypass Mode) Application

Table 5 shows the timing requirements for an application using an external digital filter in internal DF bypass mode.

Table 5. External Digital Filter Application Timing Requirements

MIN MAX UNIT
t(BCY) BCK pulse-cycle time 20 ns
t(BCL) BCK pulse duration, LOW 7 ns
t(BCH) BCK pulse duration, HIGH 7 ns
t(BL) BCK rising edge to WDCK falling edge 5 ns
t(LB) WDCK falling edge to BCK rising edge 5 ns
t(DS) DATA setup time 5 ns
t(DH) DATA hold time 5 ns

8.1.3.2 Audio Format

The PCM1794A-Q1 device in the external digital filter interface mode supports right-justified audio formats, including 24-bit audio data, as shown in Figure 30.

PCM1794A-Q1 audio_data_input_form_ext_dig_filter.gif Figure 30. Audio Data Input Format for External Digital Filter (Internal DF Bypass Mode) Application

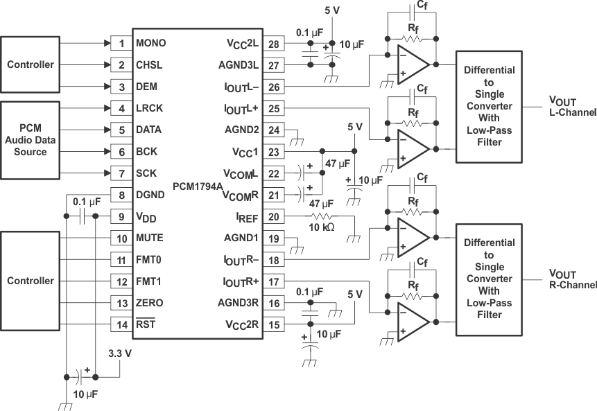
8.2 Typical Application

This application is using the GPIO of a host controller to manipulate the hardware control pins. A PCM audio source is supplying digital audio and the output is single-ended stereo audio.

PCM1794A-Q1 typ_app_circ.gif Figure 31. Typical Application Circuit

8.2.1 Design Requirements

For the typical application example, use the parameters listed in Table 6.

Table 6. Design Parameters

DESIGN PARAMETER EXAMPLE
Audio Input Digital PCM
Audio Output Single-Ended Stereo Analog
Control Host GPIO
Filter Internal Filter

8.2.2 Detailed Design Procedure

8.2.2.1 Audio Input or Output

In this application, a PCM audio source is supplied to the device. A current output is produced and then converted to a voltage output in the I/V stage. The next stage in the output is a differential to single-ended amplifier stage with a low pass filter to reduce out of band noise. The fc of the example circuits (Figure 26 and Figure 27) are shown in the example figures. Use Equation 2 to calculate the value of fc.

Equation 2. fc = 1 / (2 × π × Rf × Cf)

8.2.3 Application Curves

PCM1794A-Q1 sles117_typchar_16.gif
VCC = 5 V Measurement circuit is Figure 26
TA = 25°C fS = 48 kHz, 32768 point 8 average
VDD = 3.3 V –60-db Output Spectrum, BW = 100 kHz
Figure 32. Amplitude vs Frequency
PCM1794A-Q1 sles117_typchar_17.gif
VCC = 5 V Measurement circuit is Figure 26
VDD = 3.3 V fS = 48 kHz, TA = 25°C
Figure 33. Total Harmonic Distortion + Noise vs Input Level