ZHCSID8C January   2009  – January 2016 OPA2348-Q1 , OPA348-Q1 , OPA4348-Q1

PRODUCTION DATA.  

  1. 特性
  2. 应用范围
  3. 说明
    1.     Device Images
      1.      采用同相配置来驱动 ADS7822
  4. 修订历史记录
  5. 引脚配置和功能
    1.     引脚功能:OPA348-Q1
    2.     引脚功能:OPA2348-Q1
    3.     引脚功能:OPA4348-Q1
  6. 规格
    1. 6.1 绝对最大额定值
    2. 6.2 ESD 额定值
    3. 6.3 建议运行条件
    4. 6.4 热性能信息:OPA348-Q1
    5. 6.5 热性能信息:OPA2348-Q1,OPA4348-Q1
    6. 6.6 电气特征
    7. 6.7 典型特性
  7. 详细 说明
    1. 7.1 概述
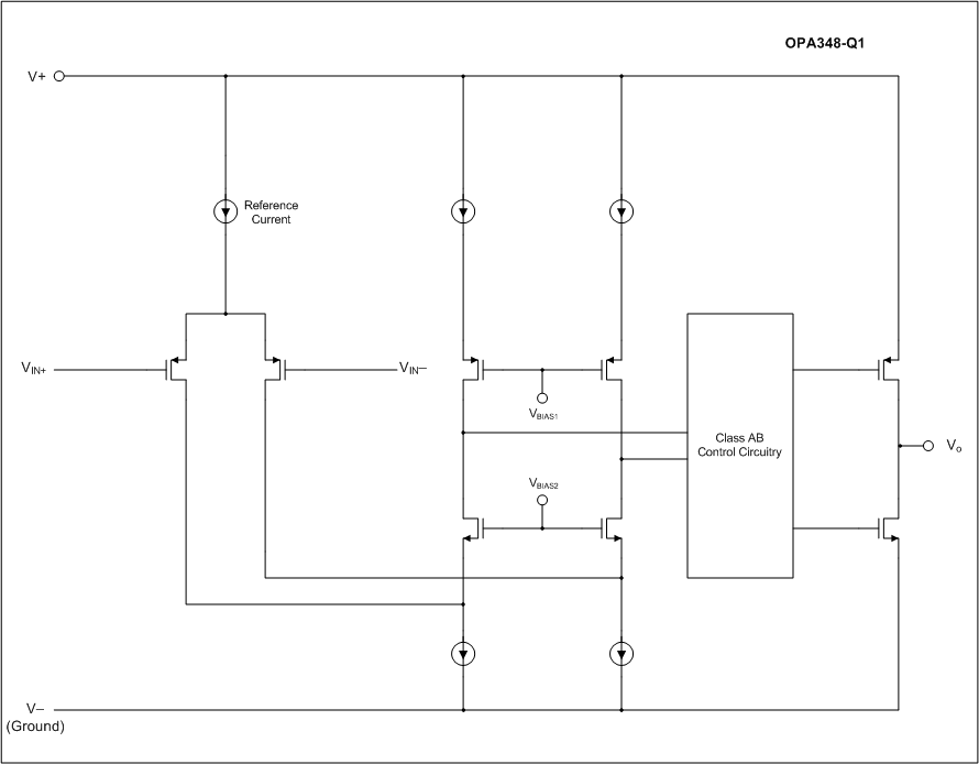
    2. 7.2 功能方框图
    3. 7.3 特性 说明
      1. 7.3.1 工作电压
      2. 7.3.2 轨至轨输入
      3. 7.3.3 轨至轨输入
      4. 7.3.4 输入和 ESD 保护
      5. 7.3.5 共模抑制比 (CMRR)
      6. 7.3.6 共模电压范围
      7. 7.3.7 EMI 敏感性和输入滤波
      8. 7.3.8 轨至轨输出
      9. 7.3.9 电容负载和稳定性
    4. 7.4 器件功能模式
  8. 应用和实施
    1. 8.1 应用信息
      1. 8.1.1 驱动模数转换器 (ADC)
    2. 8.2 典型应用
      1. 8.2.1 设计要求
      2. 8.2.2 详细设计流程
        1. 8.2.2.1 放大器选择
        2. 8.2.2.2 无源组件选择
      3. 8.2.3 应用曲线
  9. 电源建议
  10. 10布局
    1. 10.1 布局指南
    2. 10.2 布局示例
  11. 11器件和文档支持
    1. 11.1 文档支持
      1. 11.1.1 相关文档
    2. 11.2 相关链接
    3. 11.3 社区资源
    4. 11.4 商标
    5. 11.5 静电放电警告
    6. 11.6 术语表
  12. 12机械、封装和可订购信息

封装选项

机械数据 (封装 | 引脚)
散热焊盘机械数据 (封装 | 引脚)
订购信息

功能方框图

OPA348-Q1 OPA2348-Q1 OPA4348-Q1 fbd_sbos465.gif