ZHCSJA0F June   2010  – March 2023 OPA140 , OPA2140 , OPA4140

PRODUCTION DATA  

  1.   1
  2. 特性
  3. 应用
  4. 说明
  5. Revision History
  6. Pin Configuration and Functions
  7. Specifications
    1. 6.1 Absolute Maximum Ratings
    2. 6.2 ESD Ratings
    3. 6.3 Recommended Operating Conditions
    4. 6.4 Thermal Information: OPA140
    5. 6.5 Thermal Information: OPA2140
    6. 6.6 Thermal Information: OPA4140
    7. 6.7 Electrical Characteristics
    8. 6.8 Typical Characteristics
  8. Detailed Description
    1. 7.1 Overview
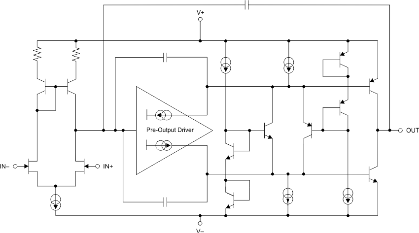
    2. 7.2 Functional Block Diagram
    3. 7.3 Feature Description
      1. 7.3.1  Operating Voltage
      2. 7.3.2  Capacitive Load and Stability
      3. 7.3.3  Output Current Limit
      4. 7.3.4  Noise Performance
      5. 7.3.5  Basic Noise Calculations
      6. 7.3.6  Phase-Reversal Protection
      7. 7.3.7  Thermal Protection
      8. 7.3.8  Electrical Overstress
      9. 7.3.9  EMI Rejection
      10. 7.3.10 EMIRR +IN Test Configuration
    4. 7.4 Device Functional Modes
  9. Application and Implementation
    1. 8.1 Application Information
    2. 8.2 Typical Application
      1. 8.2.1 Design Requirements
      2. 8.2.2 Detailed Design Procedure
      3. 8.2.3 Application Curve
    3. 8.3 Power Supply Recommendations
    4. 8.4 Layout
      1. 8.4.1 Layout Guidelines
      2. 8.4.2 Layout Example
  10. Device and Documentation Support
    1. 9.1 Device Support
      1. 9.1.1 Development Support
        1. 9.1.1.1 PSpice® for TI
        2. 9.1.1.2 TINA-TI™ 仿真软件(免费下载)
        3. 9.1.1.3 滤波器设计工具
        4. 9.1.1.4 TI 参考设计
    2. 9.2 Documentation Support
      1. 9.2.1 Related Documentation
    3. 9.3 接收文档更新通知
    4. 9.4 支持资源
    5. 9.5 Trademarks
    6. 9.6 静电放电警告
    7. 9.7 术语表
  11. 10Mechanical, Packaging, and Orderable Information

封装选项

机械数据 (封装 | 引脚)
散热焊盘机械数据 (封装 | 引脚)
订购信息

Functional Block Diagram

GUID-BD4C69EE-7B6C-460E-AFF0-D2B81EE65B34-low.gif