ZHCSH85 December   2017 OPA207

PRODUCTION DATA.  

  1. 特性
  2. 应用
  3. 说明
    1.     Device Images
      1.      0.1Hz 至 10Hz 超低噪声
  4. 修订历史记录
  5. 引脚配置和功能
    1.     SOT-23 的
  6. 规格
    1. 6.1 绝对最大额定值
    2. 6.2 ESD 额定值
    3. 6.3 建议运行条件
    4. 6.4 热性能信息
    5. 6.5 电气特性
    6. 6.6 典型特性
  7. 详细 说明
    1. 7.1 概述
    2. 7.2 功能框图
    3. 7.3 特性 说明
      1. 7.3.1 工作电压
      2. 7.3.2 输入保护
      3. 7.3.3 ESD 保护
      4. 7.3.4 输入级线性化
      5. 7.3.5 轨至轨输出
      6. 7.3.6 低输入偏置电流
      7. 7.3.7 转换增强
      8. 7.3.8 EMI 抑制比 (EMIRR)
    4. 7.4 器件功能模式
  8. 应用和实现
    1. 8.1 应用信息
    2. 8.2 典型应用
      1. 8.2.1 设计要求
      2. 8.2.2 详细设计流程
      3. 8.2.3 应用曲线
    3. 8.3 其他 应用
      1. 8.3.1 精密低侧电流感应
      2. 8.3.2 具有更大输出电流的精密缓冲器
  9. 电源建议
  10. 10布局
    1. 10.1 布局指南
    2. 10.2 布局示例
  11. 11器件和文档支持
    1. 11.1 器件支持
      1. 11.1.1 开发支持
        1. 11.1.1.1 WEBENCH 滤波器设计器工具
        2. 11.1.1.2 TINA-TI(免费软件下载)
        3. 11.1.1.3 TI 高精度设计
    2. 11.2 文档支持
      1. 11.2.1 相关文档
    3. 11.3 接收文档更新通知
    4. 11.4 社区资源
    5. 11.5 商标
    6. 11.6 静电放电警告
  12. 12机械、封装和可订购信息

封装选项

机械数据 (封装 | 引脚)
散热焊盘机械数据 (封装 | 引脚)
订购信息

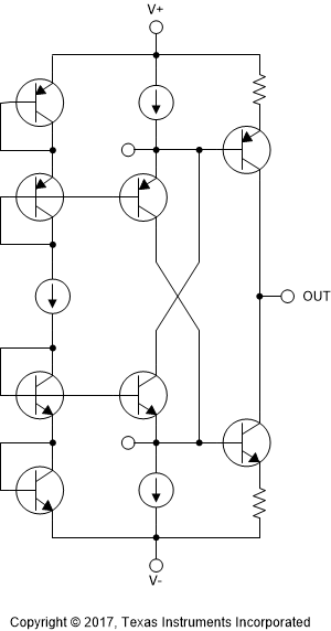
轨至轨输出

OPA207 使用轨至轨输出级,该输出级能够在距任一电源轨几毫伏的范围内摆动,同时保持高开环增益。Figure 40 显示了简化的输出级电路图。与每个输出晶体管串联的电阻器可确保稳定的输出电流限制。通过这种方法限制输出电路可确保 OPA207 在短路情况下可靠运行,并且能够对敏感负载进行保护,使其不会因电流过大而受损。Figure 41Figure 42 说明了 OPA207 在各种温度下可以提供的最大输出电流。

OPA207 OPA207_Rail_to_Rail_Output.gifFigure 40. 简化的轨至轨输出级电路
OPA207 C009A_DC.pngFigure 41. 相对于电源轨的输出摆幅(拉电流)
OPA207 C009B_DC.pngFigure 42. 相对于电源轨的输出摆幅(灌电流)