ZHCSFP9B December   2016  – November 2017 OPA170-Q1 , OPA2170-Q1 , OPA4170-Q1

PRODUCTION DATA.  

  1. 特性
  2. 应用
  3. 说明
    1.     Device Images
      1.      EMIRR IN+ 与频率间的关系
  4. 修订历史记录
  5. Pin Configuration and Functions
    1. Table 1. Pin Functions: OPA170-Q1
    2. Table 2. Pin Functions: OPA2170-Q1
    3. Table 3. Pin Functions: OPA4170-Q1
  6. Specifications
    1. 6.1 Absolute Maximum Ratings
    2. 6.2 ESD Ratings
    3. 6.3 Recommended Operating Conditions
    4. 6.4 Thermal Information: OPA170-Q1
    5. 6.5 Thermal Information: OPA2170-Q1
    6. 6.6 Thermal Information: OPA4170-Q1
    7. 6.7 Electrical Characteristics
    8. 6.8 Typical Characteristics: Table of Graphs
    9. 6.9 Typical Characteristics
  7. Detailed Description
    1. 7.1 Overview
    2. 7.2 Functional Block Diagram
    3. 7.3 Feature Description
      1. 7.3.1 Operating Characteristics
      2. 7.3.2 Phase-Reversal Protection
      3. 7.3.3 Electrical Overstress
      4. 7.3.4 Capacitive Load and Stability
    4. 7.4 Device Functional Modes
      1. 7.4.1 Common-Mode Voltage Range
      2. 7.4.2 Overload Recovery
  8. Application and Implementation
    1. 8.1 Application Information
    2. 8.2 Typical Application
      1. 8.2.1 Design Requirements
      2. 8.2.2 Detailed Design Procedure
      3. 8.2.3 Application Curve
  9. Power Supply Recommendations
  10. 10Layout
    1. 10.1 Layout Guidelines
    2. 10.2 Layout Example
  11. 11器件和文档支持
    1. 11.1 器件支持
      1. 11.1.1 开发支持
        1. 11.1.1.1 TINA-TI™(免费软件下载)
        2. 11.1.1.2 DIP 适配器 EVM
        3. 11.1.1.3 通用运算放大器评估模块 (EVM)
        4. 11.1.1.4 TI 高精度设计
        5. 11.1.1.5 WEBENCH滤波器设计器
    2. 11.2 文档支持
      1. 11.2.1 相关文档
    3. 11.3 相关链接
    4. 11.4 社区资源
    5. 11.5 商标
    6. 11.6 静电放电警告
    7. 11.7 Glossary
  12. 12机械、封装和可订购信息

封装选项

机械数据 (封装 | 引脚)
散热焊盘机械数据 (封装 | 引脚)
订购信息

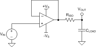
Typical Application

This circuit can drive capacitive loads such as cable shields, reference buffers, MOSFET gates, and diodes. The circuit uses an isolation resistor (RISO) to stabilize the output of an operational amplifier. RISO modifies the open-loop gain of the system to ensure the circuit has sufficient phase margin.

OPA170-Q1 OPA2170-Q1 OPA4170-Q1 ai_refdes_blockdia_bos618.gifFigure 41. Unity-Gain Buffer With RISO Stability Compensation