ZHCSFU9A November 2016 – November 2017 MUX506 , MUX507
PRODUCTION DATA.
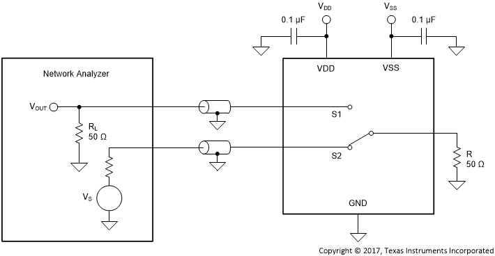
Channel-to-channel crosstalk is defined as the voltage at the source pin (Sx, SxA, or SxB) of an off-channel, when a 1-VRMS signal is applied at the source pin of an on-channel. Figure 34 shows the setup used to measure channel-to-channel crosstalk. Use Equation 3 to compute, channel-to-channel crosstalk.
Figure 34. Channel-to-Channel Crosstalk Measurement Setup