ZHCSCU9C August   2014  – August 2018 MSP430FR5887 , MSP430FR5888 , MSP430FR5889 , MSP430FR58891 , MSP430FR6887 , MSP430FR6888 , MSP430FR6889 , MSP430FR68891

PRODUCTION DATA.  

  1. 1器件概述
    1. 1.1 特性
    2. 1.2 应用
    3. 1.3 说明
    4. 1.4 功能方框图
  2. 2修订历史记录
  3. 3Device Comparison
    1. 3.1 Related Products
  4. 4Terminal Configuration and Functions
    1. 4.1 Pin Diagrams
    2. 4.2 Signal Descriptions
      1. Table 4-1 Signal Descriptions – MSP430FR688x and MSP430FR688x1
      2. Table 4-2 Signal Descriptions – MSP430FR588x and MSP430FR588x1
    3. 4.3 Pin Multiplexing
    4. 4.4 Connection of Unused Pins
  5. 5Specifications
    1. 5.1  Absolute Maximum Ratings
    2. 5.2  ESD Ratings
    3. 5.3  Recommended Operating Conditions
    4. 5.4  Active Mode Supply Current Into VCC Excluding External Current
    5. 5.5  Typical Characteristics, Active Mode Supply Currents
    6. 5.6  Low-Power Mode (LPM0, LPM1) Supply Currents Into VCC Excluding External Current
    7. 5.7  Low-Power Mode (LPM2, LPM3, LPM4) Supply Currents (Into VCC) Excluding External Current
    8. 5.8  Low-Power Mode With LCD Supply Currents (Into VCC) Excluding External Current
    9. 5.9  Low-Power Mode LPMx.5 Supply Currents (Into VCC) Excluding External Current
    10. 5.10 Typical Characteristics, Low-Power Mode Supply Currents
    11. 5.11 Typical Characteristics, Current Consumption per Module
    12. 5.12 Thermal Resistance Characteristics
    13. 5.13 Timing and Switching Characteristics
      1. 5.13.1 Power Supply Sequencing
        1. Table 5-1 Brownout and Device Reset Power Ramp Requirements
        2. Table 5-2 SVS
      2. 5.13.2 Reset Timing
        1. Table 5-3 Reset Input
      3. 5.13.3 Clock Specifications
        1. Table 5-4 Low-Frequency Crystal Oscillator, LFXT
        2. Table 5-5 High-Frequency Crystal Oscillator, HFXT
        3. Table 5-6 DCO
        4. Table 5-7 Internal Very-Low-Power Low-Frequency Oscillator (VLO)
        5. Table 5-8 Module Oscillator (MODOSC)
      4. 5.13.4 Wake-up Characteristics
        1. Table 5-9  Wake-up Times From Low-Power Modes and Reset
        2. Table 5-10 Typical Wake-up Charge
        3. 5.13.4.1   Typical Characteristics, Average LPM Currents vs Wake-up Frequency
      5. 5.13.5 Peripherals
        1. 5.13.5.1 Digital I/Os
          1. Table 5-11 Digital Inputs
          2. Table 5-12 Digital Outputs
          3. 5.13.5.1.1 Typical Characteristics, Digital Outputs at 3.0 V and 2.2 V
          4. Table 5-13 Pin-Oscillator Frequency, Ports Px
          5. 5.13.5.1.2 Typical Characteristics, Pin-Oscillator Frequency
        2. 5.13.5.2 Timer_A and Timer_B
          1. Table 5-14 Timer_A
          2. Table 5-15 Timer_B
        3. 5.13.5.3 eUSCI
          1. Table 5-16 eUSCI (UART Mode) Clock Frequency
          2. Table 5-17 eUSCI (UART Mode)
          3. Table 5-18 eUSCI (SPI Master Mode) Clock Frequency
          4. Table 5-19 eUSCI (SPI Master Mode)
          5. Table 5-20 eUSCI (SPI Slave Mode)
          6. Table 5-21 eUSCI (I2C Mode)
        4. 5.13.5.4 LCD Controller
          1. Table 5-22 LCD_C, Recommended Operating Conditions
          2. Table 5-23 LCD_C Electrical Characteristics
        5. 5.13.5.5 ADC
          1. Table 5-24 12-Bit ADC, Power Supply and Input Range Conditions
          2. Table 5-25 12-Bit ADC, Timing Parameters
          3. Table 5-26 12-Bit ADC, Linearity Parameters With External Reference
          4. Table 5-27 12-Bit ADC, Dynamic Performance for Differential Inputs With External Reference
          5. Table 5-28 12-Bit ADC, Dynamic Performance for Differential Inputs With Internal Reference
          6. Table 5-29 12-Bit ADC, Dynamic Performance for Single-Ended Inputs With External Reference
          7. Table 5-30 12-Bit ADC, Dynamic Performance for Single-Ended Inputs With Internal Reference
          8. Table 5-31 12-Bit ADC, Dynamic Performance With 32.768-kHz Clock
          9. Table 5-32 12-Bit ADC, Temperature Sensor and Built-In V1/2
          10. Table 5-33 12-Bit ADC, External Reference
        6. 5.13.5.6 Reference
          1. Table 5-34 REF, Built-In Reference
        7. 5.13.5.7 Comparator
          1. Table 5-35 Comparator_E
        8. 5.13.5.8 Scan Interface
          1. Table 5-36 Extended Scan Interface, Port Drive, Port Timing
          2. Table 5-37 Extended Scan Interface, Sample Capacitor/Ri Timing
          3. Table 5-38 Extended Scan Interface, VCC/2 Generator
          4. Table 5-39 Extended Scan Interface, 12-Bit DAC
          5. Table 5-40 Extended Scan Interface, Comparator
          6. Table 5-41 Extended Scan Interface, ESICLK Oscillator and TSM Clock Signals
        9. 5.13.5.9 FRAM Controller
          1. Table 5-42 FRAM
      6. 5.13.6 Emulation and Debug
        1. Table 5-43 JTAG and Spy-Bi-Wire Interface
  6. 6Detailed Description
    1. 6.1  Overview
    2. 6.2  CPU
    3. 6.3  Operating Modes
      1. 6.3.1 Peripherals in Low-Power Modes
        1. 6.3.1.1 Idle Currents of Peripherals in LPM3 and LPM4
    4. 6.4  Interrupt Vector Table and Signatures
    5. 6.5  Bootloader (BSL)
    6. 6.6  JTAG Operation
      1. 6.6.1 JTAG Standard Interface
      2. 6.6.2 Spy-Bi-Wire Interface
    7. 6.7  FRAM
    8. 6.8  RAM
    9. 6.9  Tiny RAM
    10. 6.10 Memory Protection Unit Including IP Encapsulation
    11. 6.11 Peripherals
      1. 6.11.1  Digital I/O
      2. 6.11.2  Oscillator and Clock System (CS)
      3. 6.11.3  Power-Management Module (PMM)
      4. 6.11.4  Hardware Multiplier (MPY)
      5. 6.11.5  Real-Time Clock (RTC_C)
      6. 6.11.6  Watchdog Timer (WDT_A)
      7. 6.11.7  System Module (SYS)
      8. 6.11.8  DMA Controller
      9. 6.11.9  Enhanced Universal Serial Communication Interface (eUSCI)
      10. 6.11.10 Extended Scan Interface (ESI)
      11. 6.11.11 Timer_A TA0, Timer_A TA1
      12. 6.11.12 Timer_A TA2
      13. 6.11.13 Timer_A TA3
      14. 6.11.14 Timer_B TB0
      15. 6.11.15 ADC12_B
      16. 6.11.16 Comparator_E
      17. 6.11.17 CRC16
      18. 6.11.18 CRC32
      19. 6.11.19 True Random Seed
      20. 6.11.20 Shared Reference (REF_A)
      21. 6.11.21 LCD_C
      22. 6.11.22 Embedded Emulation
        1. 6.11.22.1 Embedded Emulation Module (EEM)
        2. 6.11.22.2 EnergyTrace++™ Technology
      23. 6.11.23 Input/Output Diagrams
        1. 6.11.23.1  Digital I/O Functionality – Ports P1 to P10
        2. 6.11.23.2  Capacitive Touch Functionality Ports P1 to P10 and PJ
        3. 6.11.23.3  Port P1 (P1.0 to P1.3) Input/Output With Schmitt Trigger
        4. 6.11.23.4  Port P1 (P1.4 to P1.7) Input/Output With Schmitt Trigger
        5. 6.11.23.5  Port P2 (P2.0 to P2.3) Input/Output With Schmitt Trigger
        6. 6.11.23.6  Port P2 (P2.4 to P2.7) Input/Output With Schmitt Trigger
        7. 6.11.23.7  Port P3 (P3.0 to P3.7) Input/Output With Schmitt Trigger
        8. 6.11.23.8  Port P4 (P4.0 to P4.7) Input/Output With Schmitt Trigger
        9. 6.11.23.9  Port P5 (P5.0 to P5.7) Input/Output With Schmitt Trigger
        10. 6.11.23.10 Port P6 (P6.0 to P6.6) Input/Output With Schmitt Trigger
        11. 6.11.23.11 Port P6 (P6.7) Input/Output With Schmitt Trigger
        12. 6.11.23.12 Port P7 (P7.0 to P7.7) Input/Output With Schmitt Trigger
        13. 6.11.23.13 Port P8 (P8.0 to P8.3) Input/Output With Schmitt Trigger
        14. 6.11.23.14 Port P8 (P8.4 to P8.7) Input/Output With Schmitt Trigger
        15. 6.11.23.15 Port P9 (P9.0 to P9.3) Input/Output With Schmitt Trigger
        16. 6.11.23.16 Port P9 (P9.4 to P9.7) Input/Output With Schmitt Trigger
        17. 6.11.23.17 Port P10 (P10.0 to P10.2) Input/Output With Schmitt Trigger
        18. 6.11.23.18 Port PJ (PJ.4 and PJ.5) Input/Output With Schmitt Trigger
        19. 6.11.23.19 Port PJ (PJ.6 and PJ.7) Input/Output With Schmitt Trigger
        20. 6.11.23.20 Port PJ (PJ.0 to PJ.3) JTAG Pins TDO, TMS, TCK, TDI/TCLK, Input/Output With Schmitt Trigger
    12. 6.12 Device Descriptors (TLV)
    13. 6.13 Memory
      1. 6.13.1 Peripheral File Map
    14. 6.14 Identification
      1. 6.14.1 Revision Identification
      2. 6.14.2 Device Identification
      3. 6.14.3 JTAG Identification
  7. 7Applications, Implementation, and Layout
    1. 7.1 Device Connection and Layout Fundamentals
      1. 7.1.1 Power Supply Decoupling and Bulk Capacitors
      2. 7.1.2 External Oscillator
      3. 7.1.3 JTAG
      4. 7.1.4 Reset
      5. 7.1.5 Unused Pins
      6. 7.1.6 General Layout Recommendations
      7. 7.1.7 Do's and Don'ts
    2. 7.2 Peripheral- and Interface-Specific Design Information
      1. 7.2.1 ADC12_B Peripheral
        1. 7.2.1.1 Partial Schematic
        2. 7.2.1.2 Design Requirements
        3. 7.2.1.3 Detailed Design Procedure
        4. 7.2.1.4 Layout Guidelines
      2. 7.2.2 LCD_C Peripheral
        1. 7.2.2.1 Partial Schematic
        2. 7.2.2.2 Design Requirements
        3. 7.2.2.3 Detailed Design Procedure
        4. 7.2.2.4 Layout Guidelines
      3. 7.2.3 Extended Scan Interface (ESI) Peripheral
        1. 7.2.3.1 Overview
        2. 7.2.3.2 Design Requirements
        3. 7.2.3.3 Detailed Design Procedure
        4. 7.2.3.4 Layout Guidelines
  8. 8器件和文档支持
    1. 8.1  入门和后续步骤
    2. 8.2  器件命名规则
    3. 8.3  工具和软件
    4. 8.4  文档支持
    5. 8.5  相关链接
    6. 8.6  社区资源
    7. 8.7  商标
    8. 8.8  静电放电警告
    9. 8.9  出口管制提示
    10. 8.10 Glossary
  9. 9机械、封装和可订购信息

封装选项

机械数据 (封装 | 引脚)
散热焊盘机械数据 (封装 | 引脚)
订购信息

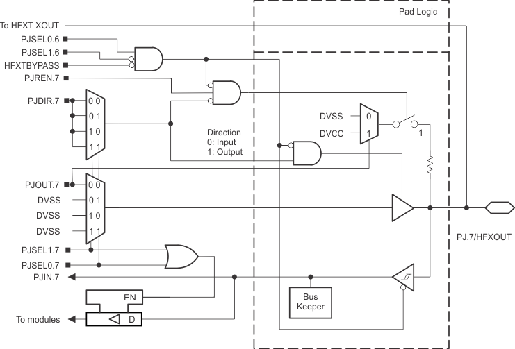
Port PJ (PJ.6 and PJ.7) Input/Output With Schmitt Trigger

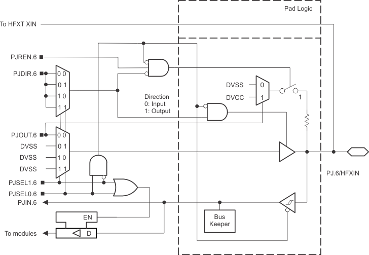
Figure 6-12 and Figure 6-13 show the port diagrams. Table 6-41 summarizes the selection of the pin function.

MSP430FR6889 MSP430FR68891 MSP430FR6888 MSP430FR6887 MSP430FR5889 MSP430FR58891 MSP430FR5888 MSP430FR5887 PJ_6.gif

NOTE:

Functional representation only.
Figure 6-12 Port PJ (PJ.6) Diagram
MSP430FR6889 MSP430FR68891 MSP430FR6888 MSP430FR6887 MSP430FR5889 MSP430FR58891 MSP430FR5888 MSP430FR5887 PJ_7.gif

NOTE:

Functional representation only.
Figure 6-13 Port PJ (PJ.7) Diagram

Table 6-41 Port PJ (PJ.6 and PJ.7) Pin Functions

PIN NAME (PJ.x) x FUNCTION CONTROL BITS AND SIGNALS (1)
PJDIR.x PJSEL1.7 PJSEL0.7 PJSEL1.6 PJSEL0.6 HFXT
BYPASS
PJ.6/HFXIN 6 PJ.6 (I/O) I: 0; O: 1 X X 0 0 X
N/A 0 X X 1 X X
Internally tied to DVSS 1
HFXIN crystal mode (2) X X X 0 1 0
HFXIN bypass mode (2) X X X 0 1 1
PJ.7/HFXOUT 7 PJ.7 (I/O) I: 0; O: 1 0 0 0 0 0
1 X
X X 1(3)
N/A 0 see(1) see(1) 0 0 0
1 X
X X 1(3)
Internally tied to DVSS 1 see(1) see(1) 0 0 0
1 X
X X 1(3)
HFXOUT crystal mode (2) X X X 0 1 0
With PJSEL0.7 = 1 or PJSEL1.7 =1 the general-purpose I/O functionality is disabled. No input function is available. When configured as output, the pin is actively pulled to zero.
Setting PJSEL1.6 = 0 and PJSEL0.6 = 1 causes the general-purpose I/O to be disabled. When HFXTBYPASS = 0, PJ.6 and PJ.7 are configured for crystal operation and PJSEL1.6 and PJSEL0.7 are don't care. When HFXTBYPASS = 1, PJ.6 is configured for bypass operation and PJ.7 is configured as general-purpose I/O.
When PJ.6 is configured in bypass mode, PJ.7 is configured as general-purpose I/O.