SLASEV3A March 2020 – December 2020 MSP430FR6005 , MSP430FR6007
PRODUCTION DATA
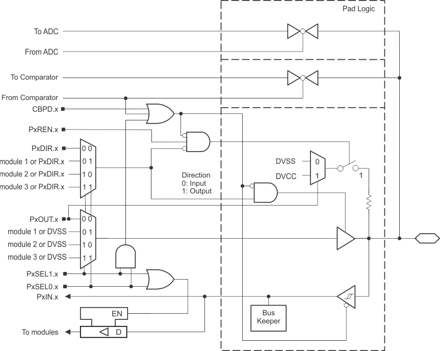
Figure 9-5 shows the port diagram. Table 9-27 summarizes the selection of the pin function.

| PIN NAME (P2.x) | x | FUNCTION | CONTROL BITS AND SIGNALS(1) | ||
|---|---|---|---|---|---|
| P2DIR.x | P2SEL1.x | P2SEL0.x | |||
| P2.0/UCA0SIMO/UCA0TXD/A6/C6 | 0 | P2.0 (I/O) | 0 = Input, 1 = Output | 0 | 0 |
| N/A | 0 | 0 | 1 | ||
| Internally tied to DVSS | 1 | ||||
| UCA0SIMO/UCA0TXD | X(1) | 1 | 0 | ||
| A6, C6(2)(3) | X | 1 | 1 | ||
| P2.1/UCA0SOMI/UCA0RXD/A7/C7 | 1 | P2.1 (I/O) | 0 = Input, 1 = Output | 0 | 0 |
| N/A | 0 | 0 | 1 | ||
| Internally tied to DVSS | 1 | ||||
| UCA0SOMI/UCA0RXD | X(1) | 1 | 0 | ||
| A7, C7(2)(3) | X | 1 | 1 | ||
| P2.2/COUT/UCA0CLK/A14/C14 | 2 | P2.2 (I/O) | 0 = Input, 1 = Output | 0 | 0 |
| N/A | 0 | 0 | 1 | ||
| COUT | 1 | ||||
| UCA0CLK | X(1) | 1 | 0 | ||
| A14, C14(2)(3) | X | 1 | 1 | ||
| P2.3/TA0.0/UCA0STE/A15/C15 | 3 | P2.3(I/O) | 0 = Input, 1 = Output | 0 | 0 |
| TA0.CCI0A | 0 | 0 | 1 | ||
| TA0.0 | 1 | ||||
| UCA0STE | X(1) | 1 | 0 | ||
| A15, C15(2)(3) | X | 1 | 1 | ||