SLASEV3A March 2020 – December 2020 MSP430FR6005 , MSP430FR6007
PRODUCTION DATA
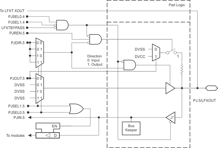
Figure 9-19 and Figure 9-20 show the port diagrams. Table 9-41 summarizes the selection of the pin function.


| PIN NAME (PJ.x) | x | FUNCTION | CONTROL BITS AND SIGNALS(1) | |||||
|---|---|---|---|---|---|---|---|---|
| PJDIR.x | PJSEL1.5 | PJSEL0.5 | PJSEL1.4 | PJSEL0.4 | LFXT BYPASS | |||
| PJ.4/LFXIN | 4 | PJ.4 (I/O) | I: 0; O: 1 | X | X | 0 | 0 | X |
| N/A | 0 | X | X | 1 | X | X | ||
| Internally tied to DVSS | 1 | |||||||
| LFXIN crystal mode(2) | X | X | X | 0 | 1 | 0 | ||
| LFXIN bypass mode(2) | X | X | X | 0 | 1 | 1 | ||
| PJ.5/LFXOUT | 5 | PJ.5 (I/O) | I: 0; O: 1 | 0 | 0 | 0 | 0 | 0 |
| 1 | X | |||||||
| X | X | 1(3) | ||||||
| N/A | 0 | see(1) | see(1) | 0 | 0 | 0 | ||
| 1 | X | |||||||
| X | X | 1(3) | ||||||
| Internally tied to DVSS | 1 | see(1) | see(1) | 0 | 0 | 0 | ||
| 1 | X | |||||||
| X | X | 1(3) | ||||||
| LFXOUT crystal mode(2) | X | X | X | 0 | 1 | 0 | ||