ZHCSIR8F August   2009  – September 2018 MSP430F5418 , MSP430F5419 , MSP430F5435 , MSP430F5436 , MSP430F5437 , MSP430F5438

PRODUCTION DATA.  

  1. 1器件概述
    1. 1.1 特性
    2. 1.2 应用范围
    3. 1.3 说明
    4. 1.4 功能框图
  2. 2修订历史记录
  3. 3Device Comparison
    1. 3.1 Related Products
  4. 4Terminal Configuration and Functions
    1. 4.1 Pin Diagrams
    2. 4.2 Signal Descriptions
      1. Table 4-1 Signal Descriptions
  5. 5Specifications
    1. 5.1  Absolute Maximum Ratings
    2. 5.2  ESD Ratings
    3. 5.3  Recommended Operating Conditions
    4. 5.4  Active Mode Supply Current Into VCC Excluding External Current
    5. 5.5  Low-Power Mode Supply Currents (Into VCC) Excluding External Current
    6. 5.6  Thermal Resistance Characteristics
    7. 5.7  Schmitt-Trigger Inputs – General-Purpose I/O
    8. 5.8  Inputs – Ports P1 and P2
    9. 5.9  Leakage Current – General-Purpose I/O
    10. 5.10 Outputs – General-Purpose I/O (Full Drive Strength)
    11. 5.11 Outputs – General-Purpose I/O (Reduced Drive Strength)
    12. 5.12 Output Frequency – General-Purpose I/O
    13. 5.13 Typical Characteristics – Outputs, Reduced Drive Strength (PxDS.y = 0)
    14. 5.14 Typical Characteristics – Outputs, Full Drive Strength (PxDS.y = 1)
    15. 5.15 Crystal Oscillator, XT1, Low-Frequency Mode
    16. 5.16 Crystal Oscillator, XT1, High-Frequency Mode
    17. 5.17 Crystal Oscillator, XT2
    18. 5.18 Internal Very-Low-Power Low-Frequency Oscillator (VLO)
    19. 5.19 Internal Reference, Low-Frequency Oscillator (REFO)
    20. 5.20 DCO Frequency
    21. 5.21 PMM, Brownout Reset (BOR)
    22. 5.22 PMM, Core Voltage
    23. 5.23 PMM, SVS High Side
    24. 5.24 PMM, SVM High Side
    25. 5.25 PMM, SVS Low Side
    26. 5.26 PMM, SVM Low Side
    27. 5.27 Wake-up Times From Low-Power Modes
    28. 5.28 Timer_A
    29. 5.29 Timer_B
    30. 5.30 USCI (UART Mode) Clock Frequency
    31. 5.31 USCI (UART Mode)
    32. 5.32 USCI (SPI Master Mode) Clock Frequency
    33. 5.33 USCI (SPI Master Mode)
    34. 5.34 USCI (SPI Slave Mode)
    35. 5.35 USCI (I2C Mode)
    36. 5.36 12-Bit ADC, Power Supply and Input Range Conditions
    37. 5.37 12-Bit ADC, External Reference
    38. 5.38 12-Bit ADC, Built-In Reference
    39. 5.39 12-Bit ADC, Timing Parameters
    40. 5.40 12-Bit ADC, Linearity Parameters
    41. 5.41 12-Bit ADC, Temperature Sensor and Built-In VMID
    42. 5.42 Flash Memory
    43. 5.43 JTAG and Spy-Bi-Wire Interface
  6. 6Detailed Description
    1. 6.1  CPU
    2. 6.2  Operating Modes
    3. 6.3  Interrupt Vector Addresses
    4. 6.4  Memory Organization
    5. 6.5  Bootloader (BSL)
    6. 6.6  JTAG Operation
      1. 6.6.1 JTAG Standard Interface
      2. 6.6.2 Spy-Bi-Wire Interface
    7. 6.7  Flash Memory (Link to User's Guide)
    8. 6.8  RAM (Link to User's Guide)
    9. 6.9  Peripherals
      1. 6.9.1  Digital I/O (Link to User's Guide)
      2. 6.9.2  Oscillator and System Clock (Link to User's Guide)
      3. 6.9.3  Power-Management Module (PMM) (Link to User's Guide)
      4. 6.9.4  Hardware Multiplier (Link to User's Guide)
      5. 6.9.5  Real-Time Clock (RTC_A) (Link to User's Guide)
      6. 6.9.6  Watchdog Timer (WDT_A) (Link to User's Guide)
      7. 6.9.7  System Module (SYS) (Link to User's Guide)
      8. 6.9.8  DMA Controller (Link to User's Guide)
      9. 6.9.9  Universal Serial Communication Interface (USCI) (Links to User's Guide: UART Mode, SPI Mode, I2C Mode)
      10. 6.9.10 TA0 (Link to User's Guide)
      11. 6.9.11 TA1 (Link to User's Guide)
      12. 6.9.12 TB0 (Link to User's Guide)
      13. 6.9.13 ADC12_A (Link to User's Guide)
      14. 6.9.14 CRC16 (Link to User's Guide)
      15. 6.9.15 Embedded Emulation Module (EEM) (L Version) (Link to User's Guide)
      16. 6.9.16 Peripheral File Map
    10. 6.10 Input/Output Diagrams
      1. 6.10.1  Port P1, P1.0 to P1.7, Input/Output With Schmitt Trigger
      2. 6.10.2  Port P2, P2.0 to P2.7, Input/Output With Schmitt Trigger
      3. 6.10.3  Port P3, P3.0 to P3.7, Input/Output With Schmitt Trigger
      4. 6.10.4  Port P4, P4.0 to P4.7, Input/Output With Schmitt Trigger
      5. 6.10.5  Port P5, P5.0 and P5.1, Input/Output With Schmitt Trigger
      6. 6.10.6  Port P5, P5.2, Input/Output With Schmitt Trigger
      7. 6.10.7  Port P5, P5.3, Input/Output With Schmitt Trigger
      8. 6.10.8  Port P5, P5.4 to P5.7, Input/Output With Schmitt Trigger
      9. 6.10.9  Port P6, P6.0 to P6.7, Input/Output With Schmitt Trigger
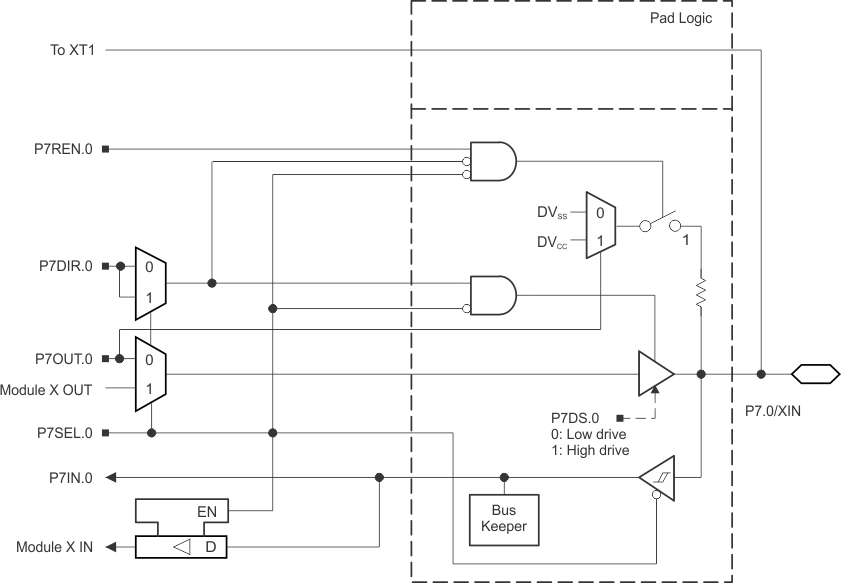
      10. 6.10.10 Port P7, P7.0, Input/Output With Schmitt Trigger
      11. 6.10.11 Port P7, P7.1, Input/Output With Schmitt Trigger
      12. 6.10.12 Port P7, P7.2 and P7.3, Input/Output With Schmitt Trigger
      13. 6.10.13 Port P7, P7.4 to P7.7, Input/Output With Schmitt Trigger
      14. 6.10.14 Port P8, P8.0 to P8.7, Input/Output With Schmitt Trigger
      15. 6.10.15 Port P9, P9.0 to P9.7, Input/Output With Schmitt Trigger
      16. 6.10.16 Port P10, P10.0 to P10.7, Input/Output With Schmitt Trigger
      17. 6.10.17 Port P11, P11.0 to P11.2, Input/Output With Schmitt Trigger
      18. 6.10.18 Port J, J.0 JTAG Pin TDO, Input/Output With Schmitt Trigger or Output
      19. 6.10.19 Port J, J.1 to J.3 JTAG Pins TMS, TCK, TDI/TCLK, Input/Output With Schmitt Trigger or Output
    11. 6.11 TLV (Device Descriptor) Structures
  7. 7器件和文档支持
    1. 7.1  入门和后续步骤
    2. 7.2  Device Nomenclature
    3. 7.3  工具和软件
    4. 7.4  文档支持
    5. 7.5  相关链接
    6. 7.6  社区资源
    7. 7.7  商标
    8. 7.8  静电放电警告
    9. 7.9  Export Control Notice
    10. 7.10 Glossary
  8. 8机械,封装和可订购信息

封装选项

机械数据 (封装 | 引脚)
散热焊盘机械数据 (封装 | 引脚)
订购信息

Port P7, P7.0, Input/Output With Schmitt Trigger

Figure 6-11 shows the port diagram. Table 6-50 summarizes the selection of the pin function.

MSP430F5438 MSP430F5437 MSP430F5436 MSP430F5435 MSP430F5419 MSP430F5418 slas612-029.gifFigure 6-11 Port P7 (P7.0) Diagram