ZHCSER1B September   2013  – September 2018 MSP430F5232 , MSP430F5234 , MSP430F5237 , MSP430F5239 , MSP430F5242 , MSP430F5244 , MSP430F5247 , MSP430F5249

PRODUCTION DATA.  

  1. 1器件概述
    1. 1.1 特性
    2. 1.2 应用
    3. 1.3 说明
    4. 1.4 功能方框图
  2. 2修订历史记录
  3. 3Device Comparison
    1. 3.1 Related Products
  4. 4Terminal Configuration and Functions
    1. 4.1 Pin Diagrams
    2. 4.2 Signal Descriptions
      1. Table 4-1 Signal Descriptions
      2. 4.2.1     RST/NMI and RSTDVCC/SBWTDIO Pins
  5. 5Specifications
    1. 5.1  Absolute Maximum Ratings
    2. 5.2  ESD Ratings
    3. 5.3  Recommended Operating Conditions
    4. 5.4  Active Mode Supply Current Into VCC Excluding External Current
    5. 5.5  Low-Power Mode Supply Currents (Into VCC) Excluding External Current
    6. 5.6  Thermal Resistance Characteristics
    7. 5.7  Schmitt-Trigger Inputs – General-Purpose I/O (P1.0 to P1.7, P2.0 to P2.7, P3.0 to P3.4, P4.0 to P4.7, P5.0 to P5.5, P6.0 to P6.7, P7.0 to P7.5, PJ.0 to PJ.3, RSTDVCC/SBWTDIO, RST/NMI)
    8. 5.8  Inputs – Interrupts (P1.0 to P1.7, P2.0 to P2.7)
    9. 5.9  Leakage Current – General-Purpose I/O (P1.0 to P1.7, P2.0 to P2.7, P3.0 to P3.4, P4.0 to P4.7, P5.0 to P5.5, P6.0 to P6.7, P7.0 to P7.5, PJ.0 to PJ.3)
    10. 5.10 Outputs – General-Purpose I/O (Full Drive Strength) (P1.0 to P1.7, P2.0 to P2.7, P3.0 to P3.4, P4.0 to P4.7, P5.0 to P5.5, P6.0 to P6.7, P7.0 to P7.5, PJ.0 to PJ.3)
    11. 5.11 Outputs – General-Purpose I/O (Reduced Drive Strength) (P1.0 to P1.7, P2.0 to P2.7, P3.0 to P3.4, P4.0 to P4.7, P5.0 to P5.5, P6.0 to P6.7, P7.0 to P7.5, PJ.0 to PJ.3)
    12. 5.12 Output Frequency – General-Purpose I/O (P1.0 to P1.7, P2.0 to P2.7, P3.0 to P3.4, P4.0 to P4.7, P5.0 to P5.5, P6.0 to P6.7, P7.0 to P7.5, PJ.0 to PJ.3)
    13. 5.13 Typical Characteristics – Outputs, Reduced Drive Strength (PxDS.y = 0)
    14. 5.14 Typical Characteristics – Outputs, Full Drive Strength (PxDS.y = 1)
    15. 5.15 Crystal Oscillator, XT1, Low-Frequency Mode
    16. 5.16 Crystal Oscillator, XT2
    17. 5.17 Internal Very-Low-Power Low-Frequency Oscillator (VLO)
    18. 5.18 Internal Reference, Low-Frequency Oscillator (REFO)
    19. 5.19 DCO Frequency
    20. 5.20 PMM, Brownout Reset (BOR)
    21. 5.21 PMM, Core Voltage
    22. 5.22 PMM, SVS High Side
    23. 5.23 PMM, SVM High Side
    24. 5.24 PMM, SVS Low Side
    25. 5.25 PMM, SVM Low Side
    26. 5.26 Wake-up Times From Low-Power Modes and Reset
    27. 5.27 Timer_A
    28. 5.28 Timer_B
    29. 5.29 USCI (UART Mode) Clock Frequency
    30. 5.30 USCI (UART Mode)
    31. 5.31 USCI (SPI Master Mode) Clock Frequency
    32. 5.32 USCI (SPI Master Mode)
    33. 5.33 USCI (SPI Slave Mode)
    34. 5.34 USCI (I2C Mode)
    35. 5.35 10-Bit ADC, Power Supply and Input Range Conditions
    36. 5.36 10-Bit ADC, Timing Parameters
    37. 5.37 10-Bit ADC, Linearity Parameters
    38. 5.38 REF, External Reference
    39. 5.39 REF, Built-In Reference
    40. 5.40 Comparator_B
    41. 5.41 Flash Memory
    42. 5.42 JTAG and Spy-Bi-Wire Interface
  6. 6Detailed Description
    1. 6.1  CPU (Link to User's Guide)
    2. 6.2  Operating Modes
    3. 6.3  Interrupt Vector Addresses
    4. 6.4  Memory Organization
    5. 6.5  Bootloader (BSL)
    6. 6.6  JTAG Operation
      1. 6.6.1 JTAG Standard Interface
      2. 6.6.2 Spy-Bi-Wire Interface
    7. 6.7  Flash Memory (Link to User's Guide)
    8. 6.8  RAM (Link to User's Guide)
    9. 6.9  Peripherals
      1. 6.9.1  Digital I/O (Link to User's Guide)
      2. 6.9.2  Port Mapping Controller (Link to User's Guide)
      3. 6.9.3  Oscillator and System Clock (Link to User's Guide)
      4. 6.9.4  Power-Management Module (PMM) (Link to User's Guide)
      5. 6.9.5  Hardware Multiplier (MPY) (Link to User's Guide)
      6. 6.9.6  Real-Time Clock (RTC_A) (Link to User's Guide)
      7. 6.9.7  Watchdog Timer (WDT_A) (Link to User's Guide)
      8. 6.9.8  System (SYS) Module (Link to User's Guide)
      9. 6.9.9  DMA Controller (Link to User's Guide)
      10. 6.9.10 Universal Serial Communication Interface (USCI) (Links to User's Guide: UART Mode, SPI Mode, I2C Mode)
      11. 6.9.11 TA0 (Link to User's Guide)
      12. 6.9.12 TA1 (Link to User's Guide)
      13. 6.9.13 TA2 (Link to User's Guide)
      14. 6.9.14 TB0 (Link to User's Guide)
      15. 6.9.15 Comparator_B (Link to User's Guide)
      16. 6.9.16 ADC10_A (Link to User's Guide)
      17. 6.9.17 CRC16 (Link to User's Guide)
      18. 6.9.18 Reference (REF) Module Voltage Reference (Link to User's Guide)
      19. 6.9.19 Embedded Emulation Module (EEM) (S Version) (Link to User's Guide)
      20. 6.9.20 Peripheral File Map
    10. 6.10 Input/Output Diagrams
      1. 6.10.1  Port P1 (P1.0 to P1.7) Input/Output With Schmitt Trigger
      2. 6.10.2  Port P2 (P2.0 to P2.7) Input/Output With Schmitt Trigger
      3. 6.10.3  Port P3 (P3.0 to P3.4) Input/Output With Schmitt Trigger
      4. 6.10.4  Port P4 (P4.0 to P4.7) Input/Output With Schmitt Trigger
      5. 6.10.5  Port P5 (P5.0 and P5.1) Input/Output With Schmitt Trigger
      6. 6.10.6  Port P5 (P5.2 and P5.3) Input/Output With Schmitt Trigger
      7. 6.10.7  Port P5 (P5.4 and P5.5) Input/Output With Schmitt Trigger
      8. 6.10.8  Port P6 (P6.0 to P6.7) Input/Output With Schmitt Trigger
      9. 6.10.9  Port P7 (P7.0 to P7.5) Input/Output With Schmitt Trigger
      10. 6.10.10 Port J (PJ.0) JTAG Pin TDO, Input/Output With Schmitt Trigger or Output
      11. 6.10.11 Port J (PJ.1 to PJ.3) JTAG Pins TMS, TCK, TDI/TCLK, Input/Output With Schmitt Trigger or Output
    11. 6.11 Device Descriptors
  7. 7器件和文档支持
    1. 7.1  入门和后续步骤
    2. 7.2  Device Nomenclature
    3. 7.3  工具与软件
    4. 7.4  文档支持
    5. 7.5  相关链接
    6. 7.6  社区资源
    7. 7.7  商标
    8. 7.8  静电放电警告
    9. 7.9  Export Control Notice
    10. 7.10 Glossary
  8. 8机械、封装和可订购信息

封装选项

机械数据 (封装 | 引脚)
散热焊盘机械数据 (封装 | 引脚)
订购信息

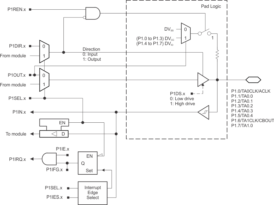
Port P1 (P1.0 to P1.7) Input/Output With Schmitt Trigger

Figure 6-2 shows the port diagram. Table 6-43 summarizes the selection of the pin function.

MSP430F5249 MSP430F5247 MSP430F5244 MSP430F5242 MSP430F5239 MSP430F5237 MSP430F5234 MSP430F5232 slas897-port1.gifFigure 6-2 Port P1 (P1.0 to P1.7) Diagram

Table 6-43 Port P1 (P1.0 to P1.7) Pin Functions

PIN NAME (P1.x) x FUNCTION CONTROL BITS OR SIGNALS
P1DIR.x P1SEL.x
P1.0/TA0CLK/ACLK 0 P1.0 (I/O) I: 0; O: 1 0
TA0CLK 0 1
ACLK 1 1
P1.1/TA0.0 1 P1.1 (I/O) I: 0; O: 1 0
TA0.CCI0A 0 1
TA0.0 1 1
P1.2/TA0.1 2 P1.2 (I/O) I: 0; O: 1 0
TA0.CCI1A 0 1
TA0.1 1 1
P1.3/TA0.2 3 P1.3 (I/O) I: 0; O: 1 0
TA0.CCI2A 0 1
TA0.2 1 1
P1.4/TA0.3 4 P1.4 (I/O) I: 0; O: 1 0
TA0.CCI3A 0 1
TA0.3 1 1
P1.5/TA0.4 5 P1.5 (I/O) I: 0; O: 1 0
TA0.CCI4A 0 1
TA0.4 1 1
P1.6/TA1CLK/CBOUT 6 P1.6 (I/O) I: 0; O: 1 0
TA1CLK 0 1
CBOUT comparator B 1 1
P1.7/TA1.0 7 P1.7 (I/O) I: 0; O: 1 0
TA1.CCI0A 0 1
TA1.0 1 1