ZHCSAJ5H November   2012  – September 2018 MSP430F5212 , MSP430F5214 , MSP430F5217 , MSP430F5219 , MSP430F5222 , MSP430F5224 , MSP430F5229

PRODUCTION DATA.  

  1. 1器件概述
    1. 1.1 特性
    2. 1.2 应用范围
    3. 1.3 说明
    4. 1.4 功能方框图
  2. 2修订历史记录
  3. 3Device Comparison
    1. 3.1 Related Products
  4. 4Terminal Configuration and Functions
    1. 4.1 Pin Diagrams
    2. 4.2 Signal Descriptions
      1. Table 4-1 Terminal Functions
  5. 5Specifications
    1. 5.1  Absolute Maximum Ratings
    2. 5.2  ESD Ratings
    3. 5.3  Recommended Operating Conditions
    4. 5.4  Active Mode Supply Current Into VCC Excluding External Current
    5. 5.5  Low-Power Mode Supply Currents (Into VCC) Excluding External Current
    6. 5.6  Thermal Resistance Characteristics
    7. 5.7  Schmitt-Trigger Inputs – General-Purpose I/O DVCC Domain (P1.0 to P1.3, P5.0 to P5.5, P6.0 to P6.7, PJ.0 to PJ.3, RSTDVCC)
    8. 5.8  Schmitt-Trigger Inputs – General-Purpose I/O DVIO Domain (P1.4 to P1.7, P2.0 to P2.7, P3.0 to P3.4, P4.0 to P4.7, P7.0 to P7.5, RST/NMI, BSLEN)
    9. 5.9  Inputs – Interrupts DVCC Domain Port P1 (P1.0 to P1.3)
    10. 5.10 Inputs – Interrupts DVIO Domain Ports P1 and P2 (P1.4 to P1.7, P2.0 to P2.7)
    11. 5.11 Leakage Current – General-Purpose I/O DVCC Domain (P1.0 to P1.3, P5.0 to P5.5, P6.0 to P6.7, PJ.0 to PJ.3)
    12. 5.12 Leakage Current – General-Purpose I/O DVIO Domain (P1.4 to P1.7, P2.0 to P2.7, P3.0 to P3.4, P4.0 to P4.7, P7.0 to P7.5)
    13. 5.13 Outputs – General-Purpose I/O DVCC Domain (Full Drive Strength) (P1.0 to P1.3, P5.0 to P5.5, P6.0 to P6.7, PJ.0 to PJ.3)
    14. 5.14 Outputs – General-Purpose I/O DVCC Domain (Reduced Drive Strength) (P1.0 to P1.3, P5.0 to P5.5, P6.0 to P6.7, PJ.0 to PJ.3)
    15. 5.15 Outputs – General-Purpose I/O DVIO Domain (Full Drive Strength) (P1.4 to P1.7, P2.0 to P2.7, P3.0 to P3.4, P4.0 to P4.7, P7.0 to P7.5)
    16. 5.16 Outputs – General-Purpose I/O DVIO Domain (Reduced Drive Strength) (P1.4 to P1.7, P2.0 to P2.7, P3.0 to P3.4, P4.0 to P4.7, P7.0 to P7.5)
    17. 5.17 Output Frequency – General-Purpose I/O DVCC Domain (P1.0 to P1.3, P5.0 to P5.5, P6.0 to P6.7, PJ.0 to PJ.3)
    18. 5.18 Output Frequency – General-Purpose I/O DVIO Domain (P1.4 to P1.7, P2.0 to P2.7, P3.0 to P3.4, P4.0 to P4.7, P7.0 to P7.5)
    19. 5.19 Typical Characteristics – Outputs, Reduced Drive Strength (PxDS.y = 0)
    20. 5.20 Typical Characteristics – Outputs, Full Drive Strength (PxDS.y = 1)
    21. 5.21 Crystal Oscillator, XT1, Low-Frequency Mode
    22. 5.22 Crystal Oscillator, XT2
    23. 5.23 Internal Very-Low-Power Low-Frequency Oscillator (VLO)
    24. 5.24 Internal Reference, Low-Frequency Oscillator (REFO)
    25. 5.25 DCO Frequency
    26. 5.26 PMM, Brownout Reset (BOR)
    27. 5.27 PMM, Core Voltage
    28. 5.28 PMM, SVS High Side
    29. 5.29 PMM, SVM High Side
    30. 5.30 PMM, SVS Low Side
    31. 5.31 PMM, SVM Low Side
    32. 5.32 Wake-up Times From Low-Power Modes and Reset
    33. 5.33 Timer_A
    34. 5.34 Timer_B
    35. 5.35 USCI (UART Mode), Recommended Operating Conditions
    36. 5.36 USCI (UART Mode)
    37. 5.37 USCI (SPI Master Mode), Recommended Operating Conditions
    38. 5.38 USCI (SPI Master Mode)
    39. 5.39 USCI (SPI Slave Mode)
    40. 5.40 USCI (I2C Mode)
    41. 5.41 10-Bit ADC, Power Supply and Input Range Conditions
    42. 5.42 10-Bit ADC, Timing Parameters
    43. 5.43 10-Bit ADC, Linearity Parameters
    44. 5.44 REF, External Reference
    45. 5.45 REF, Built-In Reference
    46. 5.46 Comparator_B
    47. 5.47 Flash Memory
    48. 5.48 JTAG and Spy-Bi-Wire Interface
    49. 5.49 DVIO BSL Entry
  6. 6Detailed Description
    1. 6.1  CPU (Link to user's guide)
    2. 6.2  Operating Modes
    3. 6.3  Interrupt Vector Addresses
    4. 6.4  Memory Organization
    5. 6.5  Bootloader (BSL)
    6. 6.6  JTAG Operation
      1. 6.6.1 JTAG Standard Interface
      2. 6.6.2 Spy-Bi-Wire Interface
    7. 6.7  Flash Memory (Link to user's guide)
    8. 6.8  RAM (Link to user's guide)
    9. 6.9  Peripherals
      1. 6.9.1  Digital I/O (Link to user's guide)
      2. 6.9.2  Port Mapping Controller (Link to user's guide)
      3. 6.9.3  Oscillator and System Clock (Link to user's guide)
      4. 6.9.4  Power-Management Module (PMM) (Link to user's guide)
      5. 6.9.5  Hardware Multiplier (Link to user's guide)
      6. 6.9.6  Real-Time Clock (RTC_A) (Link to user's guide)
      7. 6.9.7  Watchdog Timer (WDT_A) (Link to user's guide)
      8. 6.9.8  System Module (SYS) (Link to user's guide)
      9. 6.9.9  DMA Controller (Link to user's guide)
      10. 6.9.10 Universal Serial Communication Interface (USCI) (Links to user's guide: UART Mode, SPI Mode, I2C Mode)
      11. 6.9.11 TA0 (Link to user's guide)
      12. 6.9.12 TA1 (Link to user's guide)
      13. 6.9.13 TA2 (Link to user's guide)
      14. 6.9.14 TB0 (Link to user's guide)
      15. 6.9.15 Comparator_B (Link to user's guide)
      16. 6.9.16 ADC10_A (Link to user's guide)
      17. 6.9.17 CRC16 (Link to user's guide)
      18. 6.9.18 REF Voltage Reference (Link to user's guide)
      19. 6.9.19 Embedded Emulation Module (EEM) (S Version) (Link to user's guide)
      20. 6.9.20 Peripheral File Map
    10. 6.10 Input/Output Diagrams
      1. 6.10.1  Port P1 (P1.0 to P1.7) Input/Output With Schmitt Trigger
      2. 6.10.2  Port P2 (P2.0 to P2.7) Input/Output With Schmitt Trigger
      3. 6.10.3  Port P3 (P3.0 to P3.4) Input/Output With Schmitt Trigger
      4. 6.10.4  Port P4 (P4.0 to P4.7) Input/Output With Schmitt Trigger
      5. 6.10.5  Port P5 (P5.0 and P5.1) Input/Output With Schmitt Trigger
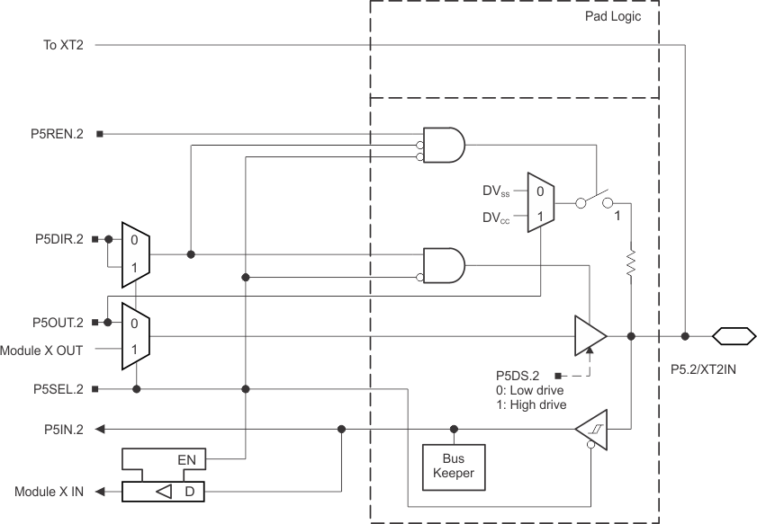
      6. 6.10.6  Port P5 (P5.2) Input/Output With Schmitt Trigger
      7. 6.10.7  Port P5 (P5.3) Input/Output With Schmitt Trigger
      8. 6.10.8  Port P5 (P5.4 and P5.5) Input/Output With Schmitt Trigger
      9. 6.10.9  Port P6 (P6.0 to P6.7) Input/Output With Schmitt Trigger
      10. 6.10.10 Port P7 (P7.0 to P7.5) Input/Output With Schmitt Trigger
      11. 6.10.11 Port PJ (PJ.0) JTAG Pin TDO, Input/Output With Schmitt Trigger or Output
      12. 6.10.12 Port PJ (PJ.1 to PJ.3) JTAG Pins TMS, TCK, TDI/TCLK, Input/Output With Schmitt Trigger or Output
    11. 6.11 Device Descriptors
  7. 7器件和文档支持
    1. 7.1 开始使用
    2. 7.2 Device Nomenclature
    3. 7.3 工具与软件
    4. 7.4 文档支持
    5. 7.5 相关链接
    6. 7.6 社区资源
    7. 7.7 商标
    8. 7.8 静电放电警告
    9. 7.9 Glossary
  8. 8机械、封装和可订购信息

封装选项

机械数据 (封装 | 引脚)
散热焊盘机械数据 (封装 | 引脚)
订购信息

Port P5 (P5.2) Input/Output With Schmitt Trigger

Figure 6-7 shows the port diagram. Table 6-49 summarizes the selection of the port function.

MSP430F5229 MSP430F5227 MSP430F5224 MSP430F5222 MSP430F5219 MSP430F5217 MSP430F5214 MSP430F5212 slas718-port5_2.gifFigure 6-7 Port P5 (P5.2) Diagram