SNOS405B November   1999  – May 2017 MAX660

PRODUCTION DATA.  

  1. Features
  2. Applications
  3. Description
  4. Revision History
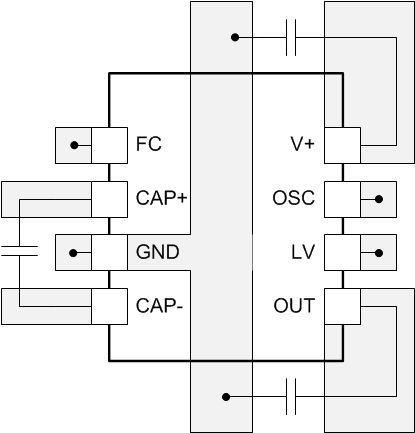
  5. Pin Configuration and Functions
  6. Specifications
    1. 6.1 Absolute Maximum Ratings
    2. 6.2 ESD Ratings
    3. 6.3 Recommended Operating Conditions
    4. 6.4 Thermal Information
    5. 6.5 Electrical Characteristics
    6. 6.6 Typical Characteristics
  7. Parameter Measurement Information
    1. 7.1 MAX660 Test Circuit
  8. Detailed Description
    1. 8.1 Overview
    2. 8.2 Functional Block Diagram
    3. 8.3 Feature Description
    4. 8.4 Device Functional Modes
  9. Application and Implementation
    1. 9.1 Application Information
    2. 9.2 Typical Applications
      1. 9.2.1 Voltage Inverter
        1. 9.2.1.1 Design Requirements
        2. 9.2.1.2 Detailed Design Procedure
          1. 9.2.1.2.1 Capacitor Selection
          2. 9.2.1.2.2 Paralleling Devices
          3. 9.2.1.2.3 Cascading Devices
          4. 9.2.1.2.4 Regulating Output Voltage
        3. 9.2.1.3 Application Curves
      2. 9.2.2 Positive Voltage Doubler
        1. 9.2.2.1 Design Requirements
        2. 9.2.2.2 Detailed Design Procedure
    3. 9.3 Split V+ in Half
  10. 10Power Supply Recommendations
  11. 11Layout
    1. 11.1 Layout Guidelines
    2. 11.2 Layout Example
  12. 12Device and Documentation Support
    1. 12.1 Device Support
      1. 12.1.1 Third-Party Products Disclaimer
    2. 12.2 Receiving Notification of Documentation Updates
    3. 12.3 Community Resources
    4. 12.4 Trademarks
    5. 12.5 Electrostatic Discharge Caution
    6. 12.6 Glossary
  13. 13Mechanical, Packaging, and Orderable Information

封装选项

机械数据 (封装 | 引脚)
散热焊盘机械数据 (封装 | 引脚)
订购信息

Layout

Layout Guidelines

The high switching frequency and large switching currents of the MAX660 make the choice of layout important. The following steps should be used as a reference to ensure the device is stable and maintains proper LED current regulation across its intended operating voltage and current range:

  • Place CIN on the top layer (same layer as the MAX60) and as close as possible to the device. Connecting the input capacitor through short, wide traces to both the V+ and GND pins reduces the inductive voltage spikes that occur during switching which can corrupt the V+ line.
  • Place COUT on the top layer (same layer as the MAX660) and as close as possible to the OUT and GND pin. The returns for both CIN and COUT must come together at one point, as close as possible to the GND pin. Connecting COUT through short, wide traces reduce the series inductance on the OUT and GND pins that can corrupt the VOUT and GND lines and cause excessive noise in the device and surrounding circuitry.
  • Place C1 on the top layer (same layer as the MAX660) and as close as possible to the device. Connect the flying capacitor through short, wide traces to both the CAP+ and CAP– pins.

Layout Example

MAX660 layout_snos405.gif Figure 26. MAX660 Layout Example