ZHCSUS5N February   1989  – February 2024 MAX232

PRODUCTION DATA  

  1.   1
  2. 特性
  3. 应用
  4. 说明
  5. Pin Configuration and Functions
  6. Specifications
    1. 5.1 Absolute Maximum Ratings #GUID-74EA713C-9196-4407-89E7-009CE1353C64/SLLS8089284
    2. 5.2 ESD Ratings
    3. 5.3 Recommended Operating Conditions
    4. 5.4 Thermal Information
    5. 5.5 Electrical Characteristics, Device
    6. 5.6 Electrical Characteristics, Driver
    7. 5.7 Electrical Characteristics, Receiver
    8. 5.8 Switching Characteristics
    9. 5.9 Typical Characteristics
  7. Parameter Measurement Information
  8. Detailed Description
    1. 7.1 Overview
    2. 7.2 Functional Block Diagram
    3. 7.3 Feature Description
      1. 7.3.1 Power
      2. 7.3.2 RS232 Driver
      3. 7.3.3 RS232 Receiver
    4. 7.4 Device Functional Modes
      1. 7.4.1 VCC powered by 5V
      2. 7.4.2 VCC unpowered
      3. 7.4.3 Function Tables
  9. Application and Implementation
    1. 8.1 Application Information
    2. 8.2 Typical Application
      1. 8.2.1 Design Requirements
      2. 8.2.2 Detailed Design Procedure
      3. 8.2.3 Application Curves
    3. 8.3 Power Supply Recommendations
    4. 8.4 Layout
      1. 8.4.1 Layout Guidelines
      2. 8.4.2 Layout Example
  10. Device and Documentation Support
    1. 9.1 Receiving Notification of Documentation Updates
    2. 9.2 支持资源
    3. 9.3 Trademarks
    4. 9.4 静电放电警告
    5. 9.5 术语表
  11. 10Revision History
  12. 11Mechanical, Packaging, and Orderable Information

封装选项

请参考 PDF 数据表获取器件具体的封装图。

机械数据 (封装 | 引脚)
  • NS|16
  • DW|16
  • N|16
  • D|16
散热焊盘机械数据 (封装 | 引脚)
订购信息

Parameter Measurement Information

GUID-AB399C30-FC86-484B-B3AD-6CB3B22B3E42-low.gif
The pulse generator has the following characteristics: ZO = 50Ω, duty cycle ≤ 50%.
CL includes probe and jig capacitance.
All diodes are 1N3064 or equivalent.
Figure 6-1 Receiver Test Circuit and Waveforms for tPHL and tPLH Measurements
GUID-CB8A1A26-F042-455A-8BF5-D5F88988FE9E-low.gif
The pulse generator has the following characteristics: ZO = 50Ω, duty cycle ≤ 50%.
CL includes probe and jig capacitance.
Figure 6-2 Driver Test Circuit and Waveforms for tPHL and tPLH Measurements (5μs Input)
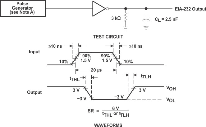
GUID-92B23B26-C051-4F48-A708-7F16C0D22481-low.gif
The pulse generator has the following characteristics: ZO = 50Ω, duty cycle ≤ 50%.
Figure 6-3 Test Circuit and Waveforms for tTHL and tTLH Measurements (20μs Input)