ZHCSID1B June   2018  – April 2021 LSF0204-Q1

PRODUCTION DATA  

  1. 特性
  2. 应用
  3. 说明
  4. Revision History
  5. Pin Configuration and Functions
  6. Specifications
    1. 6.1  Absolute Maximum Ratings
    2. 6.2  ESD Ratings
    3. 6.3  Recommended Operating Conditions
    4. 6.4  Thermal Information
    5. 6.5  Electrical Characteristics
    6. 6.6  Switching Characteristics: AC Performance (Translating Down, 3.3 V to 1.8 V)
    7. 6.7  Switching Characteristics: AC Performance (Translating Down, 3.3 V to 1.2 V)
    8. 6.8  Switching Characteristics: AC Performance (Translating Up, 1.8 V to 3.3 V)
    9. 6.9  Switching Characteristics: AC Performance (Translating Up, 1.2 V to 1.8 V)
    10. 6.10 Typical Characteristics
  7. Detailed Description
    1. 7.1 Overview
    2. 7.2 Functional Block Diagram
    3. 7.3 Feature Description
      1. 7.3.1 Auto-Bidirectional Voltage Translation Without DIR Pin Terminal
      2. 7.3.2 Support Multiple High Speed Translation Interfaces
      3. 7.3.3 5-V Tolerance on IO Port and 125°C Support
      4. 7.3.4 Channel Specific Translation
      5. 7.3.5 Ioff, Partial Power Down Mode
    4. 7.4 Device Functional Modes
  8. Application and Implementation
    1. 8.1 Application Information
    2. 8.2 Typical Applications
      1. 8.2.1 I2C, PMBus, SMBus, GPIO Application
        1. 8.2.1.1 Design Requirements
          1. 8.2.1.1.1 Enable, Disable, and Reference Voltage Guidelines
        2. 8.2.1.2 Detailed Design Procedure
          1. 8.2.1.2.1 Bidirectional Translation
            1. 8.2.1.2.1.1 Pull-Up Resistor Sizing
        3. 8.2.1.3 Application Curve
      2. 8.2.2 MDIO Application
        1. 8.2.2.1 Design Requirements
        2. 8.2.2.2 Detailed Design Procedure
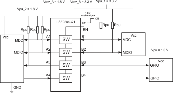
      3. 8.2.3 Multiple Voltage Translation in Single Device, Application
        1. 8.2.3.1 Design Requirements
        2. 8.2.3.2 Detailed Design Procedure
  9. Power Supply Recommendations
  10. 10Layout
    1. 10.1 Layout Guidelines
    2. 10.2 Layout Example
  11. 11Device and Documentation Support
    1. 11.1 Documentation Support
      1. 11.1.1 Related Documentation
    2. 11.2 接收文档更新通知
    3. 11.3 支持资源
    4. 11.4 Trademarks
    5. 11.5 静电放电警告
    6. 11.6 术语表
  12. 12Mechanical, Packaging, and Orderable Information

封装选项

机械数据 (封装 | 引脚)
散热焊盘机械数据 (封装 | 引脚)
订购信息

Multiple Voltage Translation in Single Device, Application

GUID-DE5F1F19-C58C-40CF-B8B2-063FDECC3B98-low.gifFigure 8-4 Bidirectional Translation to Multiple voltage levels