SNVSA15B December   2013  – December 2015 LP8557

PRODUCTION DATA.  

  1. Features
  2. Applications
  3. Description
  4. Revision History
  5. Device Comparison Table
  6. Pin Function and Configurations
  7. Specifications
    1. 7.1  Absolute Maximum Ratings
    2. 7.2  ESD Ratings
    3. 7.3  Recommended Operating Conditions
    4. 7.4  Thermal Information
    5. 7.5  Electrical Characteristics
    6. 7.6  Boost Converter Electrical Characteristics
    7. 7.7  LED Driver Electrical Characteristics (LED1 To LED6 Pins)
    8. 7.8  PWM Interface Characteristics (PWM Pin)
    9. 7.9  Logic Interface Characteristics (PWM, FSET/SDA, ISET/SCL Pins)
    10. 7.10 I2C Serial Bus Timing Parameters (SDA, SCL)
    11. 7.11 Typical Characteristics
  8. Detailed Description
    1. 8.1 Overview
    2. 8.2 Functional Block Diagram
    3. 8.3 Feature Description
      1. 8.3.1 Boost Converter Overview
        1. 8.3.1.1 Operation
        2. 8.3.1.2 Adaptive Boost Output Voltage Control
      2. 8.3.2 Brightness Control
        1. 8.3.2.1 PWM Input Duty Measurement
        2. 8.3.2.2 BRTMODE = 00b
        3. 8.3.2.3 BRTMODE = 01b
        4. 8.3.2.4 BRTMODE = 10b
        5. 8.3.2.5 BRTMODE = 11b
        6. 8.3.2.6 Hybrid PWM & I Dimming Control
        7. 8.3.2.7 Phase Shift PWM Scheme
      3. 8.3.3 Slope and Advanced Slope
      4. 8.3.4 LED String Count Auto Detection
      5. 8.3.5 EMI Reduction Schemes
      6. 8.3.6 Fault Detection
        1. 8.3.6.1 LED Short Detection
        2. 8.3.6.2 LED OPEN* Detection
        3. 8.3.6.3 Undervoltage Detection
        4. 8.3.6.4 Thermal Shutdown
        5. 8.3.6.5 Boost Overcurrent Protection
        6. 8.3.6.6 Boost Overvoltage Protection
        7. 8.3.6.7 Boost Undervoltage Protection
    4. 8.4 Device Functional Modes
      1. 8.4.1 Shutdown Mode
      2. 8.4.2 Active Mode
    5. 8.5 Programming
      1. 8.5.1 I2C-Compatible Serial Bus Interface
        1. 8.5.1.1 Interface Bus Overview
        2. 8.5.1.2 Start and Stop Conditions
        3. 8.5.1.3 Data Transactions
        4. 8.5.1.4 Acknowledge Cycle
        5. 8.5.1.5 Acknowledge After Every Byte Rule
        6. 8.5.1.6 Control Register Write Cycle
        7. 8.5.1.7 Control Register Read Cycle
        8. 8.5.1.8 Register Read and Write Detail
    6. 8.6 Register Maps
      1. 8.6.1 Register Bit Descriptions
        1. 8.6.1.1  COMMAND
        2. 8.6.1.2  STATUS
        3. 8.6.1.3  BRTLO
        4. 8.6.1.4  BRTHI
        5. 8.6.1.5  CONFIG
        6. 8.6.1.6  CURRENT
        7. 8.6.1.7  PGEN
        8. 8.6.1.8  BOOST
        9. 8.6.1.9  LEDEN
        10. 8.6.1.10 STEP
  9. Application and Implementation
    1. 9.1 Application Information
      1. 9.1.1 Designing With LP8557
        1. 9.1.1.1 Setting Boost Switching and PWM Dimming Frequencies
        2. 9.1.1.2 Setting Boost Compensation
        3. 9.1.1.3 Setting Full-Scale Led Current
      2. 9.1.2 Designing With LP8557I
        1. 9.1.2.1 Setting Boost Switching Frequency
        2. 9.1.2.2 Setting Boost Compensation
        3. 9.1.2.3 Setting PWM Dimming Frequency
        4. 9.1.2.4 Setting Full-Scale LED Current
    2. 9.2 Typical Applications
      1. 9.2.1 LP8557 PWM-Only Option
        1. 9.2.1.1 Design Requirements
        2. 9.2.1.2 Detailed Design Procedure
          1. 9.2.1.2.1 Boost Output Capacitor Selection
          2. 9.2.1.2.2 Schottky Diode Selection
          3. 9.2.1.2.3 Inductor Selection
          4. 9.2.1.2.4 Boost Input andVDD Capacitor Selection
        3. 9.2.1.3 Application Curves
      2. 9.2.2 LP8557I PWM and I2C Device Option
        1. 9.2.2.1 Design Requirements
        2. 9.2.2.2 Detailed Design Procedure
        3. 9.2.2.3 Application Curves
  10. 10Power Supply Recommendations
  11. 11Layout
    1. 11.1 Layout Guidelines
      1. 11.1.1 Boost Output Capacitor Placement
      2. 11.1.2 Schottky Diode Placement
      3. 11.1.3 Inductor Placement
      4. 11.1.4 Boost Input and VDD Capacitor Placement
    2. 11.2 Layout Example
  12. 12Device and Documentation Support
    1. 12.1 Device Support
      1. 12.1.1 Third-Party Products Disclaimer
    2. 12.2 Related Links
    3. 12.3 Community Resources
    4. 12.4 Trademarks
    5. 12.5 Electrostatic Discharge Caution
    6. 12.6 Glossary
  13. 13Mechanical, Packaging, and Orderable Information

封装选项

机械数据 (封装 | 引脚)
散热焊盘机械数据 (封装 | 引脚)
订购信息

9 Application and Implementation

NOTE

Information in the following applications sections is not part of the TI component specification, and TI does not warrant its accuracy or completeness. TI’s customers are responsible for determining suitability of components for their purposes. Customers should validate and test their design implementation to confirm system functionality.

9.1 Application Information

9.1.1 Designing With LP8557

The LP8557 is intended for applications without an I2C master. It can be fully controlled with an external PWM signal. Boost switching frequency, boost compensation, PWM dimming frequency, and the maximum LED current can be set with external resistors.

9.1.1.1 Setting Boost Switching and PWM Dimming Frequencies

Boost switching frequency and PWM dimming frequency are set by connecting a resistor from the FSET pin to GND. Available options are shown in Table 2.

Table 2. Setting Boost Switching and PWM Dimming Frequencies With an External Resistor

RFSET [Ω] (TOLERANCE) ƒSW (kHz) ƒPWM (kHz)
470k - 1M (±5%) 500 4.9
300k, 330k (±5%) 500 9.8
200k (±5%) 500 14.6
147k, 150k, 154k, 158k (±1%) 500 19.5
121k (±1%) 500 24.4
100k (±1%) 500 29.3
86.6k (±1%) 500 34.2
75.0k (±1%) 500 39.1
63.4k (±1%) 1000 4.9
52.3k, 53.6k (±1%) 1000 9.8
44.2k, 45.3k (±1%) 1000 14.6
39.2k (±1%) 1000 19.5
34.0k (±1%) 1000 24.4
30.1k (±1%) 1000 29.3
26.1k (±1%) 1000 34.2
23.2k (±1%) 1000 39.1
0 (grounded) 500 9.8

9.1.1.2 Setting Boost Compensation

For stable LP8557 boost operation, appropriate boost compensation must be selected based on the selected boost switching frequency and the boost inductance. Table 3 shows recommended boost compensation options based on the boost switching frequency and selected boost circuit inductance.

Table 3. Recommended Boost Compensation Options Based
on the Boost Switching Frequency and Inductance

ƒSW (kHz) L (µH) RECOMMENDED BOOST COMPENSATION OPTION
500 10
15
22
1
1
0
1000 4.7
6.8
10
1
1
0

The LP8557 boost converter compensation is set by placing an external resistor, RISET, from the ISET pin to GND. Note that the ISET pin is shared for setting the full-scale LED current in addition to setting the boost compensation. Setting the boost compensation and the full-scale LED current using an external resistor is shown in Table 4.

9.1.1.3 Setting Full-Scale Led Current

The LP8557 full-scale current is set by placing an external resistor, RISET, from the ISET pin to GND. Note that the ISET pin is shared for setting the boost compensation in addition to the full-scale LED current. Setting the boost compensation and the full-scale LED current using an external resistor is shown in Table 4.

Table 4. Setting Full-Scale LED Current and Boost Compensation Using an External Resistor

RISET [Ω] (TOLERANCE) BOOST COMPENSATION OPTION ILED (mA)
470k - 1M (±5%) 1 5
300k, 330k (±5%) 1 10
200k (±5%) 1 13
147k, 150k, 154k, 158k (±1%) 1 15
121k (±1%) 1 18
100k (±1%) 1 20
86.6k (±1%) 1 23
75.0k (±1%) 1 25
63.4k (±1%) 0 5
52.3k, 53.6k (±1%) 0 10
44.2k, 45.3k (±1%) 0 13
39.2k (±1%) 0 15
34.0k (±1%) 0 18
30.1k (±1%) 0 20
26.1k (±1%) 0 23
23.2k (±1%) 0 25
0 (grounded) 1 20

9.1.2 Designing With LP8557I

The LP8557I is intended for applications that can utilize an I2C master to control the device. Use of an external PWM signal is allowed for controlling the brightness levels; however, I2C commands are required to turn the backlight on or off. Boost switching frequency, boost compensation, PWM dimming frequency, and the maximum LED current are set to default values. Re-configuration is possible with I2C writes; however, re-programming has to be done every time power on the VDD pin is recycled.

9.1.2.1 Setting Boost Switching Frequency

The LP8557I boost converter switching frequency is set to 500 kHz by default. It may be re-programmed by overriding the BFREQ bit with an I2C write. Table 5 shows the boost switching frequency options available.

Table 5. Available Boost Switching Frequencies

BFREQ ƒSW [kHz]
0 500
1 1000

9.1.2.2 Setting Boost Compensation

For stable LP8557I boost operation, appropriate boost compensation must be selected based on the selected boost switching frequency and the boost inductance. Table 6 shows recommended boost compensation options based on the boost switching frequency and selected boost circuit inductance.

Table 6. Recommended Boost Compensation Options Based
on the Boost Switching Frequency and Inductance

ƒSW (kHz) L (µH) RECOMMENDED BOOST COMPENSATION OPTION
500 10
15
22
1
1
0
1000 4.7
6.8
10
1
1
0

The LP8557I boost converter compensation is set to option 1 by default. It may be re-programmed by overriding the BCOMP bit with an I2C write. Table 7 shows available boost compensation options.

Table 7. Available Boost Compensation Options

BCOMP BOOST COMPENSATION OPTION
0 0
1 1

9.1.2.3 Setting PWM Dimming Frequency

The LP8557I PWM dimming frequency is set to 9.8 kHz by default. It may be re-programmed by overriding the PFREQ bits with an I2C write. Table 8 summarizes available PWM dimming frequencies.

Table 8. Available PWM Dimming Frequencies

PFREQ ƒPWM (kHz)
000 4.9
001 9.8
010 14.6
011 19.5
100 24.4
101 29.3
110 34.2
111 39.1

9.1.2.4 Setting Full-Scale LED Current

The LP8557I full-scale LED current is set to 25 mA by default. It may be re-programmed by overriding MAXCURR bits with an I2C write. Table 9 shows available full-scale LED current levels.

Table 9. Available Full-Scale LED Currents

MAXCURR ILED [mA]
000 5
001 10
010 13
011 15
100 18
101 20
110 23
111 25

9.2 Typical Applications

9.2.1 LP8557 PWM-Only Option

LP8557 LP85571 examplecircuit.gif Figure 38. LP8557 PWM-Only Device Option

9.2.1.1 Design Requirements

Table 10. Recommended Inductance

MIN TYP MAX UNIT
ƒsw = 1 MHz 3.29 4.7 - 10 µH
ƒsw = 500 kHz 7 10 - 22

Table 11. Recommended Output Capacitance(1)

MIN TYP MAX UNIT
ƒsw = 1 MHz 2 µF
ƒsw = 500 kHz 2
(1) The recommended output capacitance is the de-rated capacitance.

9.2.1.2 Detailed Design Procedure

9.2.1.2.1 Boost Output Capacitor Selection

The LP8557 inductive boost converter typically requires two 4.7-µF output capacitors. The voltage rating of the capacitor must be 35 V or higher as the OVP threshold is at 29.6 V (typ). Pay careful attention to the capacitor tolerance and DC bias response. For proper operation the degradation in capacitance due to tolerance, DC bias, and temperature should stay above 2 µF. This might require placing more than two devices in parallel in order to maintain the required output capacitance over the device operating temperature and output voltage range.

9.2.1.2.2 Schottky Diode Selection

The Schottky diode must have a reverse breakdown voltage greater than the LP8557’s maximum output voltage. Additionally, the diode must have an average current rating high enough to handle the LP8557 maximum output current; at the same time the diode's peak current rating must be high enough to handle the peak inductor current. Schottky diodes are required due to their lower forward voltage drop (0.3V to 0.5V) and their fast recovery time.

9.2.1.2.3 Inductor Selection

The chosen inductor must be from 10 to 22 µH (for 500-kHz operation) or 4.7 to 10 µH (for 1-MHz operation) and must have a saturation rating equal to, or greater than, the circuit's peak operating current. IPEAK can be found by the following calculation:

Equation 1. LP8557 LP85571 eq2_ipeak_nvs971.gif

This assumes the device is operating in continuous conduction mode (CCM) which is typically the case when operating near the peak current. For smaller rated inductors, and when the device is operating in discontinuous conduction mode (DCM), the peak current can be found from:

Equation 2. LP8557 LP85571 eq3_IPEAK_nvs971.gif

The device operates in CCM when the following is true:

Equation 3. LP8557 LP85571 eq4_iout_nvs971.gif

9.2.1.2.4 Boost Input andVDD Capacitor Selection

The LP8557 VDD pin is typically tied to the same supply as the input of the boost power stage (VIN node). A 10-µF input capacitor is recommended on that node. The voltage rating of the capacitor must be at least 10 V. If a supply powering the VDD pin is different from a supply powering the boost power stage, then 10-µF input capacitors are required on both VDD and VIN nodes.

9.2.1.3 Application Curves

LP8557 LP85571 scope1_snvsa15.gif Figure 39. Steady State Operation With Light Load
(200 µA/String, 6 Strings)
LP8557 LP85571 scope3_snvsa15.gif Figure 41. Steady State Operation With Heavy Load
(25 mA/String, 6 Strings)
LP8557 LP85571 scope5_snvsa15.gif Figure 43. Start-Up With a 50% Input PWM Duty
LP8557 LP85571 scope7_snvsa15.gif Figure 45. Start-Up With a 100% Input PWM Duty
LP8557 LP85571 scope2_snvsa15.gif Figure 40. Steady State Operation With Medium Load
(5 mA/String, 6 Strings)
LP8557 LP85571 scope4_snvsa15a.gif Figure 42. Start-Up With a 1% Input PWM Duty
LP8557 LP85571 scope6_snvsa15.gif Figure 44. Start-Up With a 99% Input PWM Duty
LP8557 LP85571 scope8_snvsa15.gif Figure 46. Shutdown Operation

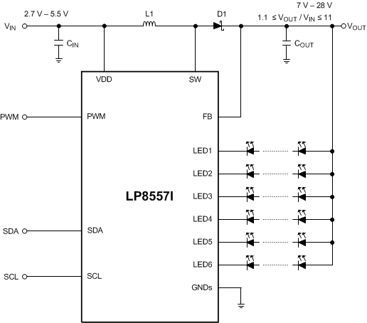
9.2.2 LP8557I PWM and I2C Device Option

LP8557 LP85571 30162637.gif Figure 47. Typical Application With LP8557I PWM and I2C Device Option

9.2.2.1 Design Requirements

See Design Requirements.

9.2.2.2 Detailed Design Procedure

See Detailed Design Procedure.

9.2.2.3 Application Curves

See Application Curves.