ZHCSBC7E JULY   2013  – December 2019 LMZ31710

PRODUCTION DATA.  

  1. 特性
  2. 应用
  3. 说明
    1.     Device Images
      1.      简化应用
  4. 修订历史记录
  5. Pin Configuration and Functions
    1.     Pin Functions
  6. Specifications
    1. 6.1 Absolute Maximum Ratings
    2. 6.2 ESD Ratings
    3. 6.3 Recommended Operating Conditions
    4. 6.4 Thermal Information
    5. 6.5 Electrical Characteristics
    6. 6.6 Typical Characteristics (PVIN = VIN = 12 V)
    7. 6.7 Typical Characteristics (PVIN = VIN = 5 V)
    8. 6.8 Typical Characteristics (PVIN = 3.3 V, VIN = 5 V)
  7. Detailed Description
    1. 7.1 Overview
    2. 7.2 Functional Block Diagram
    3. 7.3 Feature Description
      1. 7.3.1  VIN and PVIN Input Voltage
      2. 7.3.2  3.3-V PVIN Operation
      3. 7.3.3  Adjusting the Output Voltage (0.6 V to 5.5 V)
      4. 7.3.4  Capacitor Recommendations For the LMZ31710 Power Supply
        1. 7.3.4.1 Capacitor Technologies
          1. 7.3.4.1.1 Electrolytic, Polymer-Electrolytic Capacitors
          2. 7.3.4.1.2 Ceramic Capacitors
          3. 7.3.4.1.3 Tantalum, Polymer-Tantalum Capacitors
        2. 7.3.4.2 Input Capacitor
        3. 7.3.4.3 Output Capacitor
      5. 7.3.5  Transient Response
        1. 7.3.5.1 Transient Response Waveforms
      6. 7.3.6  Power Good (PWRGD)
      7. 7.3.7  Light Load Efficiency (LLE)
      8. 7.3.8  SYNC_OUT
      9. 7.3.9  Parallel Operation
      10. 7.3.10 Power-Up Characteristics
      11. 7.3.11 Pre-Biased Start-Up
      12. 7.3.12 Remote Sense
      13. 7.3.13 Thermal Shutdown
      14. 7.3.14 Output On/Off Inhibit (INH)
      15. 7.3.15 Slow Start (SS/TR)
      16. 7.3.16 Overcurrent Protection
      17. 7.3.17 Synchronization (CLK)
      18. 7.3.18 Sequencing (SS/TR)
    4. 7.4 Device Functional Modes
      1. 7.4.1 Programmable Undervoltage Lockout (UVLO)
  8. Application and Implementation
    1. 8.1 Application Information
    2. 8.2 Typical Application
      1. 8.2.1 Design Requirements
      2. 8.2.2 Detailed Design Procedure
        1. 8.2.2.1 Custom Design With WEBENCH® Tools
        2. 8.2.2.2 Setting The Output Voltage
        3. 8.2.2.3 Setting the Switching Frequency
        4. 8.2.2.4 Input Capacitance
        5. 8.2.2.5 Output Capacitance
    3. 8.3 Additional Application Schematics
  9. Power Supply Recommendations
  10. 10Layout
    1. 10.1 Layout Considerations
    2. 10.2 Layout Examples
      1. 10.2.1 EMI
  11. 11器件和文档支持
    1. 11.1 器件支持
      1. 11.1.1 开发支持
        1. 11.1.1.1 使用 WEBENCH® 工具创建定制设计
      2. 11.1.2 第三方产品免责声明
    2. 11.2 文档支持
      1. 11.2.1 相关文档
    3. 11.3 接收文档更新通知
    4. 11.4 支持资源
    5. 11.5 商标
    6. 11.6 静电放电警告
    7. 11.7 Glossary
  12. 12机械、封装和可订购信息
    1. 12.1 Tape and Reel Information

封装选项

机械数据 (封装 | 引脚)
散热焊盘机械数据 (封装 | 引脚)
订购信息

Typical Application

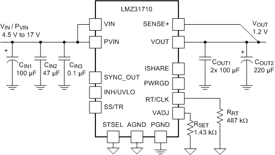
A typical LMZ31710 application requires input and output capacitors, a voltage setting resistor, and a switching frequency setting resistor. Figure 42 shows a typical LMZ31710 schematic with only the minimum required components.

LMZ31710 LMZ31710_AppSchematic1.gifFigure 42. Typical Schematic
PVIN = VIN = 4.5 V To 17 V, VOUT = 1.2 V