SNOS993P November   2001  – April 2017 LMV931-N , LMV932-N , LMV934-N

PRODUCTION DATA.  

  1. Features
  2. Applications
  3. Description
  4. Revision History
  5. Pin Configuration and Functions
  6. Specifications
    1. 6.1  Absolute Maximum Ratings
    2. 6.2  ESD Ratings (Commercial)
    3. 6.3  Recommended Operating Ratings
    4. 6.4  Thermal Information
    5. 6.5  DC Electrical Characteristics 1.8 V
    6. 6.6  AC Electrical Characteristics 1.8 V
    7. 6.7  DC Electrical Characteristics 2.7 V
    8. 6.8  AC Electrical Characteristics 2.7 V
    9. 6.9  Electrical Characteristics 5 V DC
    10. 6.10 AC Electrical Characteristics 5 V
    11. 6.11 Typical Characteristics
  7. Detailed Description
    1. 7.1 Overview
    2. 7.2 Functional Block Diagram
    3. 7.3 Feature Description
    4. 7.4 Device Functional Modes
      1. 7.4.1 Input and Output Stage
      2. 7.4.2 Input Bias Current Consideration
  8. Application and Implementation
    1. 8.1 Application Information
    2. 8.2 Typical Applications
      1. 8.2.1 High-Side Current-Sensing Application
        1. 8.2.1.1 Design Requirements
          1. 8.2.1.1.1 Custom Design With WEBENCH® Tools
        2. 8.2.1.2 Detailed Design Procedure
        3. 8.2.1.3 Application Curve
      2. 8.2.2 Half-Wave Rectifier Applications
        1. 8.2.2.1 Design Requirements
        2. 8.2.2.2 Detailed Design Procedure
        3. 8.2.2.3 Application Curve
      3. 8.2.3 Instrumentation Amplifier With Rail-to-Rail Input and Output Application
        1. 8.2.3.1 Design Requirements
        2. 8.2.3.2 Detailed Design Procedure
        3. 8.2.3.3 Application Curve
    3. 8.3 Dos and Don'ts
  9. Power Supply Recommendations
  10. 10Layout
    1. 10.1 Layout Guidelines
    2. 10.2 Layout Example
  11. 11Device and Documentation Support
    1. 11.1 Device Support
      1. 11.1.1 Custom Design With WEBENCH® Tools
      2. 11.1.2 Development Support
    2. 11.2 Documentation Support
      1. 11.2.1 Related Documentation
    3. 11.3 Related Links
    4. 11.4 Receiving Notification of Documentation Updates
    5. 11.5 Community Resources
    6. 11.6 Trademarks
    7. 11.7 Electrostatic Discharge Caution
    8. 11.8 Glossary
  12. 12Mechanical, Packaging, and Orderable Information

封装选项

机械数据 (封装 | 引脚)
散热焊盘机械数据 (封装 | 引脚)
订购信息

Application and Implementation

NOTE

Information in the following applications sections is not part of the TI component specification, and TI does not warrant its accuracy or completeness. TI’s customers are responsible for determining suitability of components for their purposes. Customers should validate and test their design implementation to confirm system functionality.

Application Information

The LMV93x-N devices bring performance, economy and ease-of-use to low-voltage, low-power systems. They provide rail-to-rail input and rail-to-rail output swings into heavy loads.

Typical Applications

High-Side Current-Sensing Application

LMV931-N LMV932-N LMV934-N 200326h0.png Figure 31. High-Side Current Sensing

Design Requirements

The high-side current-sensing circuit (Figure 31) is commonly used in a battery charger to monitor charging current to prevent overcharging. A sense resistor RSENSE is connected to the battery directly. This system requires an op amp with rail-to-rail input. The LMV93x-N are ideal for this application because its common-mode input range extends up to the positive supply.

Custom Design With WEBENCH® Tools

Click here to create a custom design using the LMV93x-N device with the WEBENCH® Power Designer.

  1. Start by entering the input voltage (VIN), output voltage (VOUT), and output current (IOUT) requirements.
  2. Optimize the design for key parameters such as efficiency, footprint, and cost using the optimizer dial.
  3. Compare the generated design with other possible solutions from Texas Instruments.

The WEBENCH Power Designer provides a customized schematic along with a list of materials with real-time pricing and component availability.

In most cases, these actions are available:

  • Run electrical simulations to see important waveforms and circuit performance
  • Run thermal simulations to understand board thermal performance
  • Export customized schematic and layout into popular CAD formats
  • Print PDF reports for the design, and share the design with colleagues

Get more information about WEBENCH tools at www.ti.com/WEBENCH.

Detailed Design Procedure

As seen in Figure 31, the ICHARGE current flowing through sense resistor RSENSE develops a voltage drop equal to VSENSE. The voltage at the negative sense point will now be less than the positive sense point by an amount proportional to the VSENSE voltage.

The low-bias currents of the LMV93x cause little voltage drop through R2, so the negative input of the LMV93x amplifier is at essentially the same potential as the negative sense input.

The LMV93x will detect this voltage error between its inputs and servo the transistor base to conduct more current through Q1, increasing the voltage drop across R1 until the LMV93x inverting input matches the noninverting input. At this point, the voltage drop across R1 now matches VSENSE.

IG, a current proportional to ICHARGE, will flow according to the following relation:

Equation 2. IG = VRSENSE / R1 = ( RSENSE * ICHARGE ) / R1

IG also flows through the gain resistor R3 developing a voltage drop equal to:

Equation 3. V3 = IG * R3 = ( VRSENSE / R1 ) * R3 = ( ( RSENSE * ICHARGE ) / R2 ) * R3
Equation 4. VOUT = (RSENSE * ICHARGE ) * G

where

  • G = R3 / R1

The other channel of the LMV93x may be used to buffer the voltage across R3 to drive the following stages.

Application Curve

Figure 32 shows the results of the example current sense circuit.

LMV931-N LMV932-N LMV934-N C001_LMV931-N_SNOS993.png
NOTE: the error after 4 V where transistor Q1 runs out of headroom and saturates, limiting the upper output swing.
Figure 32. Current Sense Amplifier Results

Half-Wave Rectifier Applications

LMV931-N LMV932-N LMV934-N app_half-wave_rail-to-ground_snos993.gif Figure 33. Half-Wave Rectifier With Rail-To-Ground Output Swing Referenced to Ground
LMV931-N LMV932-N LMV934-N app_half-wave_neg-going_snos993.gif Figure 34. Half-Wave Rectifier With Negative-Going Output Referenced to VCC

Design Requirements

Because the LMV931-N, LMV932-N, LMV934-N input common-mode range includes both positive and negative supply rails and the output can also swing to either supply, achieving half-wave rectifier functions in either direction is an easy task. All that is needed are two external resistors; there is no need for diodes or matched resistors. The half-wave rectifier can have either positive or negative going outputs, depending on the way the circuit is arranged.

Detailed Design Procedure

In Figure 33 the circuit is referenced to ground, while in Figure 34 the circuit is biased to the positive supply. These configurations implement the half-wave rectifier because the LMV93x-N can not respond to one-half of the incoming waveform. It can not respond to one-half of the incoming because the amplifier cannot swing the output beyond either rail therefore the output disengages during this half cycle. During the other half cycle, however, the amplifier achieves a half wave that can have a peak equal to the total supply voltage. RI should be large enough not to load the LMV93x-N.

Application Curve

LMV931-N LMV932-N LMV934-N 200326c4.png Figure 35. Output of Ground-to-Rail Circuit
LMV931-N LMV932-N LMV934-N 200326c1.png Figure 36. Output of Rail-to-Ground Circuit

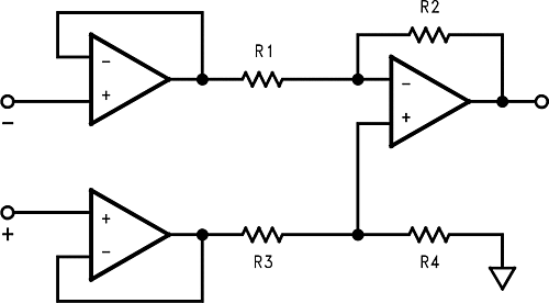
Instrumentation Amplifier With Rail-to-Rail Input and Output Application

LMV931-N LMV932-N LMV934-N 200326g4.gif Figure 37. Rail-to-Rail Instrumentation Amplifier

Design Requirements

Using three of the LMV93x-N amplifiers, an instrumentation amplifier with rail-to-rail inputs and outputs can be made as shown in Figure 37.

Detailed Design Procedure

In this example, amplifiers on the left side act as buffers to the differential stage. These buffers assure that the input impedance is very high. They also assure that the difference amp is driven from a voltage source. This is necessary to maintain the CMRR set by the matching R1-R2 with R3-R4. The gain is set by the ratio of R2/R1 and R3 should equal R1 and R4 equal R2. With both rail-to-rail input and output ranges, the input and output are only limited by the supply voltages. Remember that even with rail-to-rail outputs, the output can not swing past the supplies so the combined common-mode voltages plus the signal should not be greater that the supplies or limiting will occur.

Application Curve

Figure 38 shows the results of the instrumentation amplifier with R1 and R3 = 1 K, and R2 and R4 = 100 kΩ, for a gain of 100, running on a single 5-V supply with a input of VCM = VS/2. The combined effects of the individual offset voltages can be seen as a shift in the offset of the curve.

LMV931-N LMV932-N LMV934-N C002_SNOS993_LMV931-N.png Figure 38. Instrumentation Amplifier Output Results

Dos and Don'ts

Do properly bypass the power supplies.

Do add series resistence to the output when driving capacitive loads, particularly cables, Muxes and ADC inputs.

Do add series current limiting resistors and external schottky clamp diodes if input voltage is expected to exceed the supplies. Limit the current to 1 mA or less (1 kΩ per volt).