SNOSC70C April   2012  – July 2016 LMV601 , LMV602 , LMV604

PRODUCTION DATA.  

  1. Features
  2. Applications
  3. Description
  4. Revision History
  5. Pin Configuration and Functions
  6. Specifications
    1. 6.1 Absolute Maximum Ratings
    2. 6.2 ESD Ratings
    3. 6.3 Recommended Operating Conditions
    4. 6.4 Thermal Information
    5. 6.5 Electrical Characteristics - DC (2.7 V)
    6. 6.6 Electrical Characteristics - AC (2.7 V)
    7. 6.7 Electrical Characteristics - DC (5 V)
    8. 6.8 Electrical Characteristics - AC (5 V)
    9. 6.9 Typical Characteristics
  7. Detailed Description
    1. 7.1 Overview
    2. 7.2 Functional Block Diagram
    3. 7.3 Feature Description
      1. 7.3.1 Class AB Turnaround Stage Amplifier
    4. 7.4 Device Functional Modes
      1. 7.4.1 Low Input Bias Current
      2. 7.4.2 Shutdown Feature
  8. Application and Implementation
    1. 8.1 Application Information
    2. 8.2 Typical Application
      1. 8.2.1 Design Requirements
      2. 8.2.2 Detailed Design Procedure
      3. 8.2.3 Application Curve
    3. 8.3 Dos and Don'ts
  9. Power Supply Recommendations
  10. 10Layout
    1. 10.1 Layout Guideline
    2. 10.2 Layout Example
  11. 11Device and Documentation Support
    1. 11.1 Device Support
      1. 11.1.1 Development Support
    2. 11.2 Documentation Support
      1. 11.2.1 Related Documentation
    3. 11.3 Related Links
    4. 11.4 Receiving Notification of Documentation Updates
    5. 11.5 Community Resources
    6. 11.6 Trademarks
    7. 11.7 Electrostatic Discharge Caution
    8. 11.8 Glossary
  12. 12Mechanical, Packaging, and Orderable Information

封装选项

机械数据 (封装 | 引脚)
散热焊盘机械数据 (封装 | 引脚)
订购信息

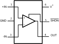
5 Pin Configuration and Functions

LMV601
DCK Package
6-Pin SC70
Top View
LMV601 LMV602 LMV604 sc70_diag.gif

Pin Functions: LMV601

PIN I/O DESCRIPTION
NAME NO.
GND 2 P Supply negative input
+IN 1 I Noninverting input
–IN 3 I Inverting input
OUT 4 O Output
SHDN 5 I Active low enable input
V+ 6 P Positive supply input
LMV602
DGK or D Packages
8-Pin VSSOP or SOIC
Top View
LMV601 LMV602 LMV604 30185551.gif
LMV604
PW or D Packages
14-Pin TSSOP and SOIC
Top View
LMV601 LMV602 LMV604 30185552.gif

Pin Functions: LMV602, LMV604

PIN I/O DESCRIPTION
NAME NO.
LMV602 LMV604
+INA 3 3 I Noninverting input, channel A
+INB 5 5 I Noninverting input, channel B
+INC 10 I Noninverting input, channel C
+IND 12 I Noninverting input, channel D
–INA 2 2 I Inverting input, channel A
–INB 6 6 I Inverting input, channel B
–INC 9 I Inverting input, channel C
–IND 13 I Inverting input, channel D
OUTA 1 1 O Output, channel A
OUTB 7 7 O Output, channel B
OUTC 8 O Output, channel C
OUTD 14 O Output, channel D
V+ 8 4 P Positive (highest) power supply
V– 4 11 P Negative (lowest) power supply