ZHCSKX8B September 2019 – September 2020 LMR36503-Q1
PRODUCTION DATA

| LMR36503MSC3 | VOUT = 3.3 V Fixed | 2.2 MHz (AUTO) |

| LMR36503MSC3 | VOUT = 3.3 V Fixed | VIN = 13.5 V |
| LMR36503MSC5 | VOUT = 5 V Fixed | AUTO |

| VIN = 13.5 V | VOUT = 5 V | Fsw = 2.2 MHz |
| Load = 0.3 A |

| VIN = 13.5 V | VOUT = 5 V | Fsw = 2.2 MHz |
| Load = 0.3 A |

| Ferrite Bead Part Number: FBMH3225HM601NT |
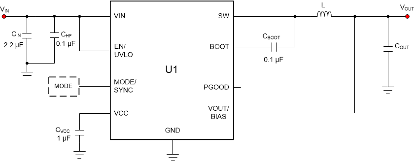
Figure 9-25 Schematic for Typical
Application Curves| U1 | ƒSW | VOUT | L | NOMINAL COUT (RATED CAPACITANCE) |
|---|---|---|---|---|
| LMR36503MSC3RPERQ1 | 2200 kHz | 3.3 V | 15 µH. 260 mΩ | 1 × 10 µF |
| LMR36503MSC5RPERQ1 | 2200 kHz | 5 V | 15 µH. 260 mΩ | 1 × 10 µF |