ZHCSJW8D October   2011  – June 2019 LMR10515

PRODUCTION DATA.  

  1. 特性
  2. 应用
  3. 说明
    1.     Device Images
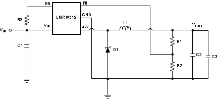
      1.      简化应用
  4. 修订历史记录
  5. 说明(续)
  6. Pin Configuration and Functions
    1.     Pin Description: 5-Pin SOT-23
    2.     Pin Descriptions 6-Pin WSON
  7. Specifications
    1. 7.1 Absolute Maximum Ratings
    2. 7.2 Recommended Operating Ratings
    3. 7.3 Electrical Characteristics
    4. 7.4 Typical Characteristics
  8. Detailed Description
    1. 8.1 Overview
    2. 8.2 Functional Block Diagram
    3. 8.3 Feature Description
      1. 8.3.1 Soft-Start
      2. 8.3.2 Output Overvoltage Protection
      3. 8.3.3 Undervoltage Lockout
      4. 8.3.4 Current Limit
      5. 8.3.5 Thermal Shutdown
  9. Application and Implementation
    1. 9.1 Application Information
    2. 9.2 Typical Application
      1. 9.2.1 Detailed Design Procedure
        1. 9.2.1.1 Custom Design With WEBENCH® Tools
        2. 9.2.1.2 Inductor Selection
        3. 9.2.1.3 Input Capacitor
        4. 9.2.1.4 Output Capacitor
        5. 9.2.1.5 Catch Diode
        6. 9.2.1.6 Output Voltage
        7. 9.2.1.7 Calculating Efficiency, And Junction Temperature
      2. 9.2.2 Application Curves
      3. 9.2.3 Other System Examples
        1. 9.2.3.1 LMR10510x Design Example 1
        2. 9.2.3.2 Lmr10510X Design Example 2
        3. 9.2.3.3 LMR10510Y Design Example 3
        4. 9.2.3.4 LMR10510Y Design Example 4
  10. 10Layout
    1. 10.1 Layout Guidelines
    2. 10.2 Layout Example
    3. 10.3 Thermal Definitions
    4. 10.4 WSON Package
  11. 11器件和文档支持
    1. 11.1 器件支持
      1. 11.1.1 开发支持
        1. 11.1.1.1 使用 WEBENCH® 工具创建定制设计
    2. 11.2 接收文档更新通知
    3. 11.3 社区资源
    4. 11.4 商标
    5. 11.5 静电放电警告
    6. 11.6 Glossary
  12. 12机械、封装和可订购信息

封装选项

机械数据 (封装 | 引脚)
散热焊盘机械数据 (封装 | 引脚)
订购信息

Device Images

简化应用

LMR10515 30166164.gif