ZHCSAU0B April   2012  – October 2015 LMP91002

PRODUCTION DATA.  

  1. 特性
  2. 应用
  3. 说明
  4. 修订历史记录
  5. Pin Configuration and Functions
  6. Specifications
    1. 6.1 Absolute Maximum Ratings
    2. 6.2 ESD Ratings
    3. 6.3 Recommended Operating Conditions
    4. 6.4 Thermal Information
    5. 6.5 Electrical Characteristics
    6. 6.6 I2C Interface
    7. 6.7 Timing Characteristics
    8. 6.8 Typical Characteristics
  7. Detailed Description
    1. 7.1 Overview
    2. 7.2 Functional Block Diagram
    3. 7.3 Feature Description
      1. 7.3.1 Potentiostat Circuitry
      2. 7.3.2 Transimpedance Amplifier
      3. 7.3.3 Control Amplifier
      4. 7.3.4 Internal Zero
      5. 7.3.5 2-Lead Galvanic Cell in Potentiostat Configuration
    4. 7.4 Device Functional Modes
      1. 7.4.1 Timeout Feature
    5. 7.5 Programming
      1. 7.5.1 I2C Interface
      2. 7.5.2 Write and Read Operation
      3. 7.5.3 Connection of More Than One LMP91002 to the I2C Bus
    6. 7.6 Register Maps
      1. 7.6.1 STATUS Register (Offset = 00h)
      2. 7.6.2 LOCK Register (Offset = 01h)
      3. 7.6.3 TIACN Register (Offset = 10h)
      4. 7.6.4 REFCN Register (Offset = 11h)
      5. 7.6.5 MODECN Register (Offset = 12h)
  8. Application and Implementation
    1. 8.1 Application Information
      1. 8.1.1 Gas Sensor Interface
        1. 8.1.1.1 3-Lead Amperometric Cell In Potentiostat Configuration
      2. 8.1.2 Sensor Test Procedure
    2. 8.2 Typical Application
      1. 8.2.1 Design Requirements
      2. 8.2.2 Detailed Design Procedure
        1. 8.2.2.1 Smart Gas Sensor Analog Front End
        2. 8.2.2.2 Smart Gas Sensor AFES on I2C Bus
      3. 8.2.3 Application Curves
  9. Power Supply Recommendations
    1. 9.1 Power Consumption
  10. 10Layout
    1. 10.1 Layout Guidelines
    2. 10.2 Layout Example
  11. 11器件和文档支持
    1. 11.1 社区资源
    2. 11.2 商标
    3. 11.3 静电放电警告
    4. 11.4 Glossary
  12. 12机械、封装和可订购信息

封装选项

机械数据 (封装 | 引脚)
散热焊盘机械数据 (封装 | 引脚)
订购信息

8 Application and Implementation

NOTE

Information in the following applications sections is not part of the TI component specification, and TI does not warrant its accuracy or completeness. TI’s customers are responsible for determining suitability of components for their purposes. Customers should validate and test their design implementation to confirm system functionality.

8.1 Application Information

8.1.1 Gas Sensor Interface

The LMP91002 supports both 3-lead and 2-lead gas sensors. Most of the toxic gas sensors are amperometric cells with 3 leads (Counter, Worker and Reference). These leads should be connected to the LMP91002 in the potentiostat topology.

8.1.1.1 3-Lead Amperometric Cell In Potentiostat Configuration

Most of the amperometric cell have 3 leads (Counter, Reference and Working electrodes). The interface of the 3-lead gas sensor to the LMP91002 is straightforward. The leads of the gas sensor should be connected to the LMP91002 pins which have the matching name

The LMP91002 is then configured in 3-lead amperometric cell mode; in this configuration the Control Amplifier (A1) is ON and provides the internal zero voltage and bias in case of biased gas sensor. The transimpedance amplifier (TIA) is ON, it converts the current generated by the gas sensor in a voltage, according to the transimpedance gain:

Gain = RTIA

If different gains are required, an external resistor can be connected between the pins C1 and C2. In this case the internal feedback resistor should be programmed to “external”. The RLoad together with the output capacitance of the gas sensor acts as a low pass filter.

LMP91002 30182583.gif Figure 22. 3-Lead Amperometric Cell

8.1.2 Sensor Test Procedure

The LMP91002 has all the hardware and programmability features to implement some test procedures. The purpose of the test procedure is to:

  1. test proper function of the sensor (status of health)
  2. test proper connection of the sensor to the LMP91002

The test procedure is very easy. The diagnostic block is user programmable through the digital interface. A step voltage can be applied by the end user to the positive input of A1. As a consequence a transient current will start flowing into the sensor (to charge its internal capacitance) and it will be detected by the TIA. If the current transient is not detected, either a sensor fault or a connection problem is present. The slope and the aspect of the transient response can also be used to detect sensor aging (for example, a cell that is drying and no longer efficiently conducts the current). After it is verified that the sensor is working properly, the LMP91002 needs to be reset to its original configuration. It is not required to observe the full transient in order to contain the testing time. All the needed information are included in the transient slopes (both edges). Figure 23 shows an example test procedure, a Carbon Monoxide sensor is connected to the LMP91002, a 25-mVpp pulse is applied between Reference and Working pin.

The following procedure shows how to implement the sensor test. Preliminary conditions:

The LMP91002 is unlocked and it is in 3-Lead Amperometric Cell Mode

  1. Put in the [3:0] bit of the register REFCN (0x11) the 0001b value, leaving the other bit unchanged. This operation will apply a potential (VRW) between RE and WE pin (VRE > VWE), VRW= 1% Source reference.
  2. Put in the [3:0] bit of the register REFCN (0x11) the 0000b value, leaving the other bit unchanged. This operation will remove the potential (VRW) between RE and WE pin (VRE > VWE), VRW= 0 V.

The width of the pulse is simply the time between the two writing operation.

LMP91002 30182561.gif Figure 23. Test Procedure Example

8.2 Typical Application

LMP91002 30182505.gif Figure 24. AFE Gas Detector

8.2.1 Design Requirements

The primary design requirement is selecting the appropriate TIA gain for the expected range of current over the operating range of the sensor. This gain should set the VOUT range to fall within the limits of the full-scale voltage for the ADC that is sampling the signal. For example, assume the current output range of the sensor is 0 to 100,000 nA, and the full scale ADC input range is 0 to 1 V. Because Gain = RTIA, the appropriate relationship is:

Equation 1. ISENSOR × Gain = RTIA × 10 – 4 A ≤ 1 V

Hence, RTIA < 104 Ω. In this case, the closest programmed gain value is 7 kΩ (see Table 4). However, if optimization of the full-scale range is desired, then alternatively, RTIA can be programmed to 350 kΩ, and a 10-kΩ resistor connected between pins C1 and C2. This will give an equivalent resistance of 9.7 kΩ.

8.2.2 Detailed Design Procedure

8.2.2.1 Smart Gas Sensor Analog Front End

The LMP91002 together with an external EEPROM represents the core of a SMART GAS SENSOR AFE. In the EEPROM it is possible to store the information related to the GAS sensor type, calibration and LMP91002's configuration (content of registers 10h, 11h, 12h). At startup the microcontroller reads the EEPROM's content and configures the LMP91002. A typical smart gas sensor AFE is shown in Figure 25. The connection of MENB to the hardware address pin A0 of the EEPROM allows the microcontroller to select the LMP91002 and its corresponding EEPROM when more than one smart gas sensor AFE is present on the I2C bus.

NOTE

Only EEPROM I2C addresses with A0 = 0 should be used in this configuration.

LMP91002 30182580.gif Figure 25. Smart Gas Sensor AFE

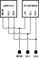
8.2.2.2 Smart Gas Sensor AFES on I2C Bus

The connection of Smart gas sensor AFEs on the I2C bus is the natural extension of the previous concepts. Also in this case the microcontroller starts communication asserting 1 out of N MENB signals where N is the total number of smart gas sensor AFE connected to the I2C bus. Only one of the devices (either LMP91002 or its corresponding EEPROM) in the smart gas sensor AFE enabled will acknowledge the I2C commands. When the communication with this particular module ends, the microcontroller de-asserts the corresponding MENB and repeats the procedure for other modules. Figure 26 shows the typical connection when several smart gas sensor AFEs are connected to the I2C bus.

LMP91002 30182582.gif Figure 26. Smart Gas Sensor AFEs on I2C Bus

8.2.3 Application Curves

LMP91002 30182564.gif Figure 27. IWE Step Current Response (Rise)
LMP91002 30182568.gif Figure 29. A VOUT Step Response 100 ppm to 400 ppm CO
(CO Gas Sensor Connected to LMP91002)
LMP91002 30182566.gif Figure 28. IWE Step Current Response (Fall)