SNOSD63 June   2017 LMH6624-MIL

PRODUCTION DATA.  

  1. Features
  2. Applications
  3. Description
  4. Revision History
  5. Pin Configuration and Functions
  6. Specifications
    1. 6.1 Absolute Maximum Ratings
    2. 6.2 ESD Ratings
    3. 6.3 Recommended Operating Conditions
    4. 6.4 Thermal Information
    5. 6.5 Electrical Characteristics ±2.5 V
    6. 6.6 Electrical Characteristics ±6 V
    7. 6.7 Typical Characteristics
  7. Detailed Description
    1. 7.1 Overview
    2. 7.2 Feature Description
      1. 7.2.1 Bias Current Cancellation
      2. 7.2.2 Total Input Noise vs Source Resistance
      3. 7.2.3 Noise Figure
      4. 7.2.4 Low-Noise Integrator
      5. 7.2.5 High-Gain Sallen-Key Active Filters
      6. 7.2.6 Low-Noise Magnetic Media Equalizer
    3. 7.3 Device Functional Modes
      1. 7.3.1 Single Supply Operation
  8. Application and Implementation
    1. 8.1 Application Information
    2. 8.2 Typical Application
      1. 8.2.1 Design Requirements
      2. 8.2.2 Detailed Design Procedure
      3. 8.2.3 Application Curve
  9. Power Supply Recommendations
  10. 10Layout
    1. 10.1 Layout Guidelines
    2. 10.2 Layout Example
  11. 11Device and Documentation Support
    1. 11.1 Documentation Support
      1. 11.1.1 Related Documentation
    2. 11.2 Receiving Notification of Documentation Updates
    3. 11.3 Community Resources
    4. 11.4 Trademarks
    5. 11.5 Electrostatic Discharge Caution
    6. 11.6 Glossary
  12. 12Mechanical, Packaging, and Orderable Information

封装选项

机械数据 (封装 | 引脚)
  • Y|0
散热焊盘机械数据 (封装 | 引脚)
订购信息

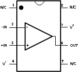
Pin Configuration and Functions

Package DBV
5-Pin SOT-23
Top View
LMH6624-MIL 20058951.gif
Package D
8-Pin SOIC
Top View
LMH6624-MIL 20058952.gif

Pin Functions

PIN I/O DESCRIPTION
NAME LMH6624-MIL
DBV D
–IN 4 2 I Inverting input
+IN 3 3 I Non-inverting input
N/C 1, 5, 8 –– No connection
OUT 1 6 O Output
V– 2 4 I Negative supply
V+ 5 7 I Positive supply