ZHCSGN3A September   2015  – October  2015 LM74670-Q1

PRODUCTION DATA.  

  1. 特性
  2. 应用
  3. 说明
  4. 修订历史记录
  5. Pin Configuration and Functions
  6. Specifications
    1. 6.1 Absolute Maximum Ratings
    2. 6.2 ESD Ratings
    3. 6.3 Recommended Operating Conditions
    4. 6.4 Thermal Information
    5. 6.5 Electrical Characteristics
    6. 6.6 Typical Characteristics
  7. Detailed Description
    1. 7.1 Overview
    2. 7.2 Functional Block Diagram
    3. 7.3 Feature Description
      1. 7.3.1 During T0
      2. 7.3.2 During T1
      3. 7.3.3 Pin Operation
        1. 7.3.3.1 Anode and Cathode Pins
        2. 7.3.3.2 VcapH and VcapL Pins
        3. 7.3.3.3 Gate Drive Pin
        4. 7.3.3.4 Gate Pull Down Pin
    4. 7.4 Device Functional Modes
      1. 7.4.1 Duty Cycle Calculation
      2. 7.4.2 Startup Voltage
  8. Application and Implementation
    1. 8.1 Typical Rectifier Application
      1. 8.1.1 Design Requirements
      2. 8.1.2 Detailed Design Procedure
        1. 8.1.2.1 Design Considerations
        2. 8.1.2.2 Capacitor Selection
        3. 8.1.2.3 MOSFET Selection
      3. 8.1.3 Application Curves
    2. 8.2 Design Requirements
  9. Power Supply Recommendations
  10. 10Layout
    1. 10.1 Layout Guidelines
    2. 10.2 Layout Example
  11. 11器件和文档支持
    1. 11.1 社区资源
    2. 11.2 商标
    3. 11.3 静电放电警告
    4. 11.4 Glossary
  12. 12机械、封装和可订购信息

封装选项

机械数据 (封装 | 引脚)
散热焊盘机械数据 (封装 | 引脚)
订购信息

特性

  • 符合 AEC-Q100 标准,其中包括以下内容:
    • 器件温度 1 级:-40℃ 至 +125℃ 的环境工作温度范围
    • 超出人体模型 (HBM) 静电放电 (ESD) 分类等级 2
    • 器件充电器件模型 (CDM) ESD 分类等级 C4B
  • 峰值输入交流电压:42V
  • 零 IQ
  • 适用于外部 N 通道 MOSFET 的电荷泵栅极驱动器
  • 与肖特基二极管相比,正向压降和功耗更低
  • 能够处理频率高达 300Hz 的交流信号

应用

  • 交流整流器
  • 交流发电机
  • 电动工具
  • 反极性保护
     

说明

LM74670-Q1 是一种控制器器件,可在交流发电机的全桥或半桥整流器架构中与 N 通道 MOSFET 搭配使用。它旨在驱动外部 MOSFET 以模拟理想二极管。此方案独一无二的优势在于其并无接地基准,因此其具有零 IQ。采用全桥或半桥整流器和交流发电机的肖特基二极管可以替换为 LM74670-Q1 解决方案,以避免正向导电二极管损耗并使交流/直流转换器更加高效。

LM74670-Q1 控制器为外部 N 通道 MOSFET 提供栅极驱动,并配有快速响应内部比较器,可使 MOSFET 栅极在反极性情况下放电。此器件支持频率高达 300Hz 的交流信号。

器件信息(1)

器件型号 封装 封装尺寸(标称值)
LM74670-Q1 VSSOP (8) 3.00mm x 5.00mm
  1. 如需了解所有可用封装,请参阅产品说明书末尾的可订购产品附录。

   
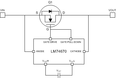
 智能二极管配置

LM74670-Q1 simplified_schematic_snosd08.gif

智能二极管全桥整流器应用

LM74670-Q1 rectifier_application_snosd08.gif