SNOSC25D May   1998  – October 2015 LM741

PRODUCTION DATA.  

  1. Features
  2. Applications
  3. Description
  4. Revision History
  5. Pin Configuration and Functions
  6. Specifications
    1. 6.1 Absolute Maximum Ratings
    2. 6.2 ESD Ratings
    3. 6.3 Recommended Operating Conditions
    4. 6.4 Thermal Information
    5. 6.5 Electrical Characteristics, LM741
    6. 6.6 Electrical Characteristics, LM741A
    7. 6.7 Electrical Characteristics, LM741C
  7. Detailed Description
    1. 7.1 Overview
    2. 7.2 Functional Block Diagram
    3. 7.3 Feature Description
      1. 7.3.1 Overload Protection
      2. 7.3.2 Latch-up Prevention
      3. 7.3.3 Pin-to-Pin Capability
    4. 7.4 Device Functional Modes
      1. 7.4.1 Open-Loop Amplifier
      2. 7.4.2 Closed-Loop Amplifier
  8. Application and Implementation
    1. 8.1 Application Information
    2. 8.2 Typical Application
      1. 8.2.1 Design Requirements
      2. 8.2.2 Detailed Design Procedure
      3. 8.2.3 Application Curve
  9. Power Supply Recommendations
  10. 10Layout
    1. 10.1 Layout Guidelines
    2. 10.2 Layout Example
  11. 11Device and Documentation Support
    1. 11.1 Community Resources
    2. 11.2 Trademarks
    3. 11.3 Electrostatic Discharge Caution
    4. 11.4 Glossary
  12. 12Mechanical, Packaging, and Orderable Information

封装选项

机械数据 (封装 | 引脚)
散热焊盘机械数据 (封装 | 引脚)
订购信息

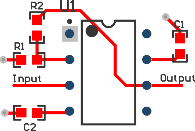
10 Layout

10.1 Layout Guidelines

As with most amplifiers, take care with lead dress, component placement, and supply decoupling in order to ensure stability. For example, resistors from the output to an input should be placed with the body close to the input to minimize pick-up and maximize the frequency of the feedback pole by minimizing the capacitance from the input to ground. As shown in Figure 3, the feedback resistors and the decoupling capacitors are located close to the device to ensure maximum stability and noise performance of the system.

10.2 Layout Example

LM741 lo_01_snosc25.gif Figure 3. LM741 Layout