ZHCSH35B November   2017  – May 2021 LM73605-Q1 , LM73606-Q1

PRODUCTION DATA  

  1. 特性
  2. 应用
  3. 说明
  4. Revision History
  5. Device Comparison
  6. Pin Configuration and Functions
  7. Specifications
    1. 7.1 Absolute Maximum Ratings
    2. 7.2 ESD Ratings
    3. 7.3 Recommended Operating Conditions
    4. 7.4 Thermal Information
    5. 7.5 Electrical Characteristics
    6. 7.6 Timing Characteristics
    7. 7.7 Switching Characteristics
    8. 7.8 System Characteristics
    9. 7.9 Typical Characteristics
  8. Detailed Description
    1. 8.1 Overview
    2. 8.2 Functional Block Diagram
    3. 8.3 Feature Description
      1. 8.3.1  Synchronous Step-Down Regulator
      2. 8.3.2  Auto Mode and FPWM Mode
      3. 8.3.3  Fixed-Frequency Peak Current-Mode Control
      4. 8.3.4  Adjustable Output Voltage
      5. 8.3.5  Enable and UVLO
      6. 8.3.6  Internal LDO, VCC_UVLO, and BIAS Input
      7. 8.3.7  Soft Start and Voltage Tracking
      8. 8.3.8  Adjustable Switching Frequency
      9. 8.3.9  Frequency Synchronization and Mode Setting
      10. 8.3.10 Internal Compensation and CFF
      11. 8.3.11 Bootstrap Capacitor and VBOOT-UVLO
      12. 8.3.12 Power-Good and Overvoltage Protection
      13. 8.3.13 Overcurrent and Short-Circuit Protection
      14. 8.3.14 Thermal Shutdown
    4. 8.4 Device Functional Modes
      1. 8.4.1 Shutdown Mode
      2. 8.4.2 Standby Mode
      3. 8.4.3 Active Mode
        1. 8.4.3.1 CCM Mode
        2. 8.4.3.2 DCM Mode
        3. 8.4.3.3 PFM Mode
        4. 8.4.3.4 Fault Protection Mode
  9. Layout
    1. 9.1 Layout Guidelines
      1. 9.1.1 Layout For EMI Reduction
      2. 9.1.2 Ground Plane
      3. 9.1.3 Optimize Thermal Performance
    2. 9.2 Layout Example
  10. 10Device and Documentation Support
    1. 10.1 Device Support
      1. 10.1.1 第三方产品免责声明
      2. 10.1.2 Development Support
        1. 10.1.2.1 Custom Design With WEBENCH® Tools
    2. 10.2 Documentation Support
      1. 10.2.1 Related Documentation
    3. 10.3 接收文档更新通知
    4. 10.4 Receiving Notification of Documentation Updates
    5. 10.5 Support Resources
    6. 10.6 支持资源
    7. 10.7 Trademarks
    8. 10.8 Electrostatic Discharge Caution
    9. 10.9 Glossary

封装选项

机械数据 (封装 | 引脚)
散热焊盘机械数据 (封装 | 引脚)
订购信息

说明

LM73605-Q1/LM73606-Q1系列器件是易于使用的同步降压直流/直流转换器,采用 3.5V 至 36V 的电源电压工作,能够驱动高达 5A (LM73605-Q1) 或 6A(LM73606-Q1) 的负载电流。LM73605-Q1/LM73606-Q1 解决方案尺寸非常小,能够提供出色的效率和输出精度。采用峰值电流模式控制。可调开关频率、与外部时钟同步、电源正常状态标志、精密使能、可调节软启动以及跟踪等其他特性可为各种应用提供灵活且简单易用的解决方案。轻负载时的自动频率折返和可选的外部偏置电源可提高整个负载范围内的效率。该产品系列需要超少的外部元件,引脚排列设计可简化 PCB 布局,提供出色的 EMI 和热性能。保护特性包括热关断、输入欠压锁定、逐周期电流限制和断续短路保护。LM73605-Q1 和 LM73606-Q1 器件具有引脚对引脚兼容特性,便于轻松调节电流。

器件信息(1)
器件型号 封装 封装尺寸(标称值)
LM73605-Q1 WQFN (30)
可湿性侧面和非可湿性侧面
6.00mm × 4.00mm
LM73606-Q1
如需了解所有可用封装,请参阅数据表末尾的可订购产品附录。
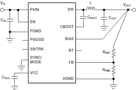
GUID-0A583D3A-CB44-40B9-921E-780B449FA234-low.gif简化版原理图
GUID-D5A6CFC1-DE71-4A0D-B407-061649F9E9C3-low.gif效率与负载电流 VOUT = 5V,VIN = 12V,自动模式