ZHCSN39A February   2020  – November 2021 LM61480 , LM61495 , LM62460

PRODUCTION DATA  

  1. 特性
  2. 应用
  3. 说明
  4. Revision History
  5. Device Comparison Table
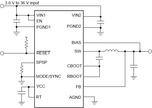
  6. Pin Configuration and Functions
  7. Specifications
    1. 7.1 Absolute Maximum Ratings
    2. 7.2 ESD Ratings
    3. 7.3 Recommended Operating Conditions
    4. 7.4 Thermal Information
    5. 7.5 Electrical Characteristics
    6. 7.6 Timing Characteristics
    7. 7.7 Switching Characteristics
    8. 7.8 System Characteristics
    9. 7.9 Typical Characteristics
  8. Detailed Description
    1. 8.1 Overview
    2. 8.2 Functional Block Diagram
    3. 8.3 Feature Description
      1. 8.3.1  Output Voltage Selection
      2. 8.3.2  Enable EN Pin and Use as VIN UVLO
      3. 8.3.3  SYNC/MODE Uses for Synchronization
      4. 8.3.4  Clock Locking
      5. 8.3.5  Adjustable Switching Frequency
      6. 8.3.6  RESET Output Operation
      7. 8.3.7  Internal LDO, VCC UVLO, and BIAS Input
      8. 8.3.8  Bootstrap Voltage and VCBOOT-UVLO (CBOOT Pin)
      9. 8.3.9  Adjustable SW Node Slew Rate
      10. 8.3.10 Spread Spectrum
      11. 8.3.11 Soft Start and Recovery From Dropout
      12. 8.3.12 Overcurrent and Short Circuit Protection
      13. 8.3.13 Hiccup
      14. 8.3.14 Thermal Shutdown
    4. 8.4 Device Functional Modes
      1. 8.4.1 Shutdown Mode
      2. 8.4.2 Standby Mode
      3. 8.4.3 Active Mode
        1. 8.4.3.1 Peak Current Mode Operation
        2. 8.4.3.2 Auto Mode Operation
          1. 8.4.3.2.1 Diode Emulation
        3. 8.4.3.3 FPWM Mode Operation
        4. 8.4.3.4 Minimum On-time (High Input Voltage) Operation
        5. 8.4.3.5 Dropout
        6. 8.4.3.6 Recovery from Dropout
        7. 8.4.3.7 Other Fault Modes
  9. Application and Implementation
    1. 9.1 Application Information
    2. 9.2 Typical Application
      1. 9.2.1 Design Requirements
      2. 9.2.2 Detailed Design Procedure
        1. 9.2.2.1  Choosing the Switching Frequency
        2. 9.2.2.2  Setting the Output Voltage
        3. 9.2.2.3  Inductor Selection
        4. 9.2.2.4  Output Capacitor Selection
        5. 9.2.2.5  Input Capacitor Selection
        6. 9.2.2.6  BOOT Capacitor
        7. 9.2.2.7  BOOT Resistor
        8. 9.2.2.8  VCC
        9. 9.2.2.9  CFF and RFF Selection
        10. 9.2.2.10 RSPSP Selection
        11. 9.2.2.11 RT Selection
        12. 9.2.2.12 RMODE Selection
        13. 9.2.2.13 External UVLO
        14. 9.2.2.14 Maximum Ambient Temperature
      3. 9.2.3 Application Curves
  10. 10Power Supply Recommendations
  11. 11Layout
    1. 11.1 Layout Guidelines
      1. 11.1.1 Ground and Thermal Considerations
    2. 11.2 Layout Example
  12. 12Device and Documentation Support
    1. 12.1 Device Support
      1. 12.1.1 第三方产品免责声明
    2. 12.2 接收文档更新通知
    3. 12.3 支持资源
    4. 12.4 Trademarks
    5. 12.5 术语表
    6. 12.6 Electrostatic Discharge Caution
  13. 13Mechanical, Packaging, and Orderable Information

封装选项

机械数据 (封装 | 引脚)
散热焊盘机械数据 (封装 | 引脚)
订购信息

说明

LM6x4xx 降压稳压器系列是稳压器,可提供固定或可调节输出电压(可设置范围为 1V 至预期输入电压的 95%)。这些稳压器可在宽输入电压范围(3V 至 36V)内工作,可承受高达 42V 的瞬态电压。

该系列专为低 EMI 而设计。该器件具有可选择引脚的扩频和可调节的 SW 节点上升时间。双随机扩频 (DRSS) 跳频设置为 ±5.5%(典型值),通过三角和假随机调制的组合大幅降低峰值发射。DRSS 还包括先进技术,可降低由扩频调制引起的输出电压纹波。

开漏 RESET 输出具有滤波和延迟释放功能,可提供正确的系统状态指示。在自动模式中,器件自动在固定频率脉宽调制 (FPWM) 和脉冲频率调制 (PFM) 运行模式之间转换,实现仅 5µA(典型值)的空载电流消耗。电气特性额定结温范围为 –40°C 至 +150°C。

器件信息
器件型号封装(1)封装尺寸(标称值)
LM61495VQFN (16)4.50mm × 3.50mm
LM61480
LM62460
如需了解所有可用封装,请参阅数据表末尾的可订购产品附录。
GUID-60F5D011-7BAE-49BE-827E-05DB0DD937C9-low.gif简化版原理图
EVM 效率 (ϴJA = 21.6°C/W):
VOUT = 5V,FSW = 0.4MHz