ZHCSKX9D May 2019 – July 2022 LM61460
PRODUCTION DATA
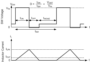
Diode emulation prevents reverse current through the inductor, which requires a lower frequency needed to regulate given a fixed peak inductor current. Diode emulation also limits ripple current as frequency is reduced. With a fixed peak current, as output current is reduced to zero, frequency must be reduced to near zero to maintain regulation.

The device has a minimum peak inductor current setting while in auto mode. Once current is reduced to a low value with fixed input voltage, on time is constant. Regulation is then achieved by adjusting frequency. This mode of operation is called PFM mode regulation.