ZHCSTL7I February   2007  – November 2023 LM5116

PRODUCTION DATA  

  1.   1
  2. 特性
  3. 应用
  4. 说明
  5. Pin Configuration and Functions
  6. Specifications
    1. 5.1 Absolute Maximum Ratings
    2. 5.2 ESD Ratings
    3. 5.3 Recommended Operating Conditions
    4. 5.4 Thermal Information
    5. 5.5 Electrical Characteristics
    6. 5.6 Switching Characteristics
    7. 5.7 Typical Performance Characteristics
  7. Detailed Description
    1. 6.1 Overview
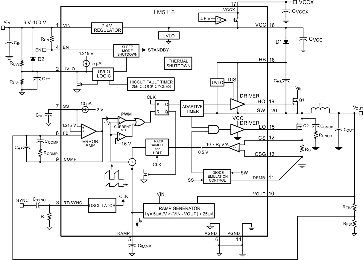
    2. 6.2 Functional Block Diagram
    3. 6.3 Feature Description
      1. 6.3.1 High Voltage Start-Up Regulator
      2. 6.3.2 Enable
      3. 6.3.3 UVLO
      4. 6.3.4 Oscillator and Sync Capability
      5. 6.3.5 Error Amplifier and PWM Comparator
      6. 6.3.6 Ramp Generator
      7. 6.3.7 Current Limit
      8. 6.3.8 HO Output
      9. 6.3.9 Thermal Protection
    4. 6.4 Device Functional Modes
      1. 6.4.1 Soft-Start and Diode Emulation
  8. Application and Implementation
    1. 7.1 Application Information
    2. 7.2 Typical Application
      1. 7.2.1 Design Requirements
      2. 7.2.2 Detailed Design Procedure
        1. 7.2.2.1  Custom Design with WEBENCH® Tools
        2. 7.2.2.2  Timing Resistor
        3. 7.2.2.3  Output Inductor
        4. 7.2.2.4  Current Sense Resistor
        5. 7.2.2.5  Ramp Capacitor
        6. 7.2.2.6  Output Capacitors
        7. 7.2.2.7  Input Capacitors
        8. 7.2.2.8  VCC Capacitor
        9. 7.2.2.9  Bootstrap Capacitor
        10. 7.2.2.10 Soft Start Capacitor
        11. 7.2.2.11 Output Voltage Divider
        12. 7.2.2.12 UVLO Divider
        13. 7.2.2.13 MOSFETs
        14. 7.2.2.14 MOSFET Snubber
        15. 7.2.2.15 Error Amplifier Compensation
        16. 7.2.2.16 Comprehensive Equations
          1. 7.2.2.16.1 Current Sense Resistor and Ramp Capacitor
          2. 7.2.2.16.2 Modulator Transfer Function
          3. 7.2.2.16.3 Error Amplifier Transfer Function
      3. 7.2.3 Application Curves
    3. 7.3 Power Supply Recommendations
    4. 7.4 Layout
      1. 7.4.1 Layout Guidelines
      2. 7.4.2 Layout Example
  9. Device and Documentation Support
    1. 8.1 Device Support
      1. 8.1.1 第三方产品免责声明
      2. 8.1.2 Development Support
        1. 8.1.2.1 Custom Design with WEBENCH® Tools
    2. 8.2 接收文档更新通知
    3. 8.3 支持资源
    4. 8.4 Trademarks
    5. 8.5 静电放电警告
    6. 8.6 术语表
  10. Revision History
  11. 10Mechanical, Packaging, and Orderable Information

封装选项

机械数据 (封装 | 引脚)
散热焊盘机械数据 (封装 | 引脚)
订购信息

Functional Block Diagram

GUID-D4B364E3-BDAF-49F2-880B-5C8C100A9C60-low.gif