ZHCSKM9F May   2011  – December 2019 LM5050-1 , LM5050-1-Q1

PRODUCTION DATA.  

  1. 特性
  2. 应用
  3. 说明
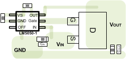
    1.     Device Images
      1.      完整应用
      2.      典型冗余电源配置
  4. 修订历史记录
  5. Pin Configuration and Functions
    1.     Pin Functions
  6. Specifications
    1. 6.1 Absolute Maximum Ratings
    2. 6.2 ESD Ratings: LM5050-1
    3. 6.3 ESD Ratings: LM5050-1-Q1
    4. 6.4 Recommended Operating Conditions
    5. 6.5 Thermal Information
    6. 6.6 Electrical Characteristics
    7. 6.7 Typical Characteristics
  7. Detailed Description
    1. 7.1 Overview
    2. 7.2 Functional Block Diagram
    3. 7.3 Feature Description
      1. 7.3.1 IN, GATE, and OUT Pins
      2. 7.3.2 VS Pin
      3. 7.3.3 OFF Pin
    4. 7.4 Device Functional Modes
      1. 7.4.1 ON/OFF Control Mode
      2. 7.4.2 External Power Supply Mode
  8. Application and Implementation
    1. 8.1 Application Information
      1. 8.1.1 MOSFET Selection
      2. 8.1.2 Short Circuit Failure of an Input Supply
    2. 8.2 Typical Applications
      1. 8.2.1 Typical Application With Input and Output Transient Protection
        1. 8.2.1.1 Design Requirements
        2. 8.2.1.2 Detailed Design Procedure
          1. 8.2.1.2.1 Power Supply Components (R1 C1,) Selection
          2. 8.2.1.2.2 MOSFET (Q1) Selection
          3. 8.2.1.2.3 D1 and D2 Selection for Inductive Kick-Back Protection
        3. 8.2.1.3 Application Curves
      2. 8.2.2 Using a Separate VS Supply for Low Vin Operation
      3. 8.2.3 ORing of Two Power Sources
      4. 8.2.4 Reverse Input Voltage Protection With IQ Reduction
      5. 8.2.5 Basic Application With Input Transient Protection
      6. 8.2.6 48-V Application With Reverse Input Voltage (VIN = –48 V) Protection
        1. 8.2.6.1 Application Curves
  9. Power Supply Recommendations
  10. 10Layout
    1. 10.1 Layout Guidelines
    2. 10.2 Layout Example
  11. 11器件和文档支持
    1. 11.1 文档支持
      1. 11.1.1 相关文档
    2. 11.2 相关链接
    3. 11.3 社区资源
    4. 11.4 商标
    5. 11.5 静电放电警告
    6. 11.6 Glossary
  12. 12机械、封装和可订购信息

封装选项

机械数据 (封装 | 引脚)
散热焊盘机械数据 (封装 | 引脚)
订购信息

Layout Example

LM5050-1 LM5050-1-Q1 typical_layout_example_D2Pak_N_MOSFET_snvs629.gifFigure 34. Typical Layout Example With D2PAK N-MOSFET