SNVS428H January   2006  – October 2015 LM5035

PRODUCTION DATA.  

  1. Features
  2. Applications
  3. Description
  4. Revision History
  5. Pin Configuration and Functions
  6. Specifications
    1. 6.1 Absolute Maximum Ratings
    2. 6.2 ESD Ratings
    3. 6.3 Recommended Operating Conditions
    4. 6.4 Thermal Information
    5. 6.5 Electrical Characteristics
    6. 6.6 Typical Characteristics
  7. Detailed Description
    1. 7.1 Overview
    2. 7.2 Functional Block Diagram
    3. 7.3 Feature Description
      1. 7.3.1  High-Voltage Start-Up Regulator
      2. 7.3.2  Line Undervoltage Detector
      3. 7.3.3  Line Overvoltage, Load Overvoltage, Remote Thermal Protection
      4. 7.3.4  Reference
      5. 7.3.5  Cycle-by-Cycle Current Limit
      6. 7.3.6  Overload Protection Timer
      7. 7.3.7  Soft-Start
      8. 7.3.8  Soft-Stop
      9. 7.3.9  PWM Comparator
      10. 7.3.10 Feedforward Ramp and Volt-Second Clamp
      11. 7.3.11 Oscillator, Sync Capability
      12. 7.3.12 Gate-Driver Outputs (HO and LO)
      13. 7.3.13 Synchronous Rectifier Control Outputs (SR1 and SR2)
      14. 7.3.14 Thermal Protection
    4. 7.4 Device Functional Modes
  8. Application and Implementation
    1. 8.1 Application Information
    2. 8.2 Typical Application
      1. 8.2.1 Design Requirements
      2. 8.2.2 Detailed Design Procedure
        1. 8.2.2.1 VIN
        2. 8.2.2.2 For Applications >100 V
        3. 8.2.2.3 Current Sense
        4. 8.2.2.4 HO, HB, HS, and LO
        5. 8.2.2.5 Programmable Delay (DLY)
        6. 8.2.2.6 UVLO and OVP Voltage Divider Selection for R1, R2, and R3
        7. 8.2.2.7 Fault Protection
        8. 8.2.2.8 HICCUP Mode Current-Limit Restart (RES)
      3. 8.2.3 Application Curves
  9. Power Supply Recommendations
  10. 10Layout
    1. 10.1 Layout Guidelines
    2. 10.2 Layout Example
  11. 11Device and Documentation Support
    1. 11.1 Community Resources
    2. 11.2 Trademarks
    3. 11.3 Electrostatic Discharge Caution
    4. 11.4 Glossary
  12. 12Mechanical, Packaging, and Orderable Information

封装选项

机械数据 (封装 | 引脚)
散热焊盘机械数据 (封装 | 引脚)
订购信息

10 Layout

10.1 Layout Guidelines

The LM5035 current sense and PWM comparators are very fast, and they respond to short duration noise pulses. The components at the CS, COMP, SS, OVP, UVLO, DLY, and the RT pins must be as physically close to the device as possible, thereby minimizing noise pickup on the PC board tracks.

Layout considerations are critical for the current sense filter. If a current sense transformer is used, both leads of the transformer secondary must be routed to the sense filter components and to the IC pins. The ground side of the transformer must be connected through a dedicated PC board track to the AGND pin rather than through the ground plane.

If the current sense circuit employs a sense resistor in the drive transistor source, low inductance resistors must be used. In this case, all the noise sensitive, low-current ground tracks must be connected in common near the device, and then a single connection made to the power ground (sense resistor ground point).

The gate drive outputs of the LM5035 must have short, direct paths to the power MOSFETs to minimize inductance in the PC board traces. The SR control outputs must also have minimum routing distance through the pulse transformers and through the secondary gate drivers to the sync FETs.

The two ground pins (AGND, PGND) must be connected together with a short, direct connection, to avoid jitter due to relative ground bounce.

If the internal dissipation of the LM5035 produces high junction temperatures during normal operation, the use of multiple vias under the IC to a ground plane can help conduct heat away from the IC. Judicious positioning of the PC board within the end product, along with use of any available air flow (forced or natural convection) will help reduce the junction temperatures. If using forced air cooling, avoid placing the LM5035 in the airflow shadow of tall components, such as input capacitors.

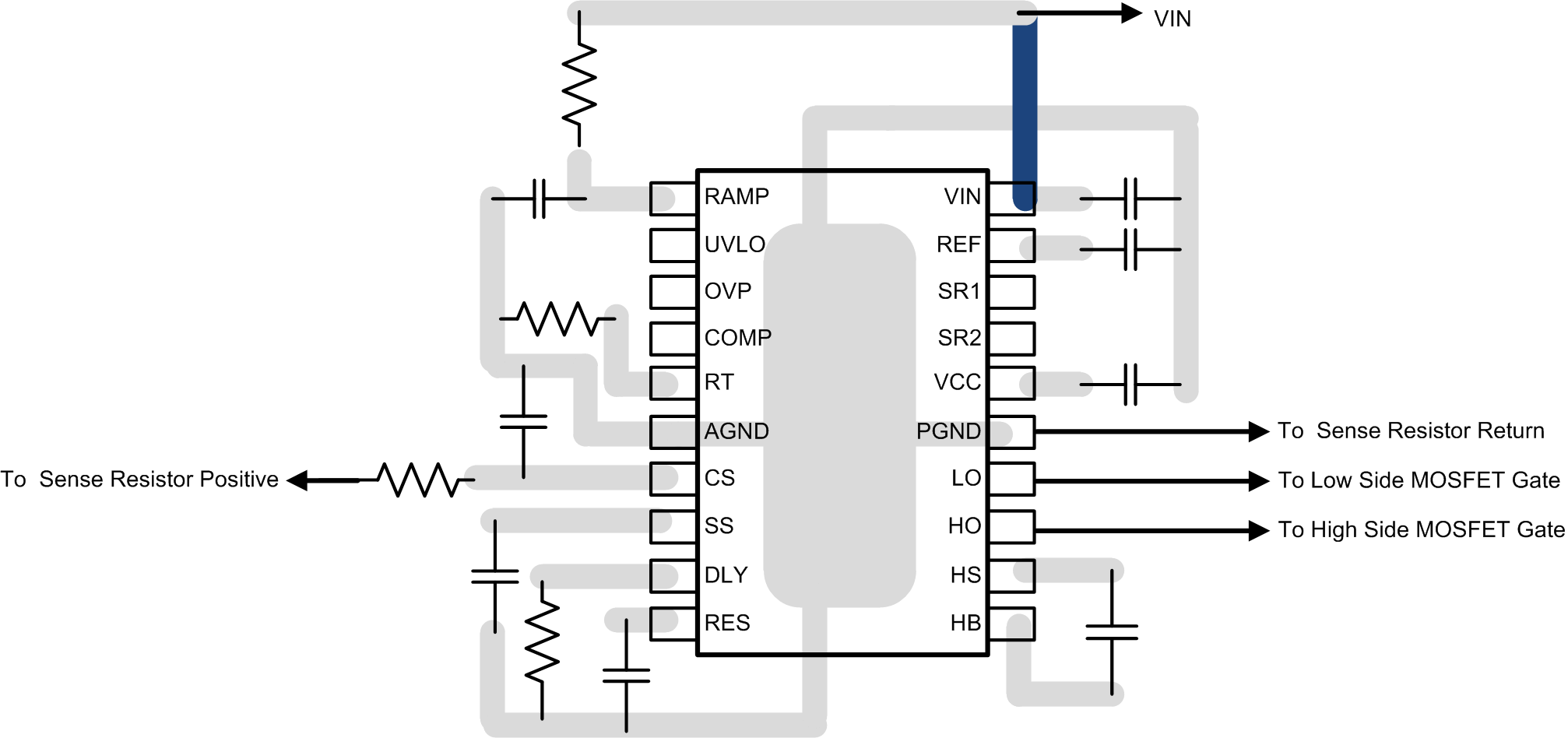
10.2 Layout Example

LM5035 layout_snvs428.gif Figure 33. LM5035 Board Layout