8.2.2.1 Output Capacitor Selection
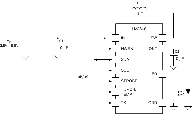
The LM3648 is designed to operate with a 10-µF ceramic output capacitor. When the boost converter is running, the output capacitor supplies the load current during the boost converter on-time. When the NMOS switch turns off, the inductor energy is discharged through the internal PMOS switch, supplying power to the load and restoring charge to the output capacitor. This causes a sag in the output voltage during the on-time and a rise in the output voltage during the off-time. The output capacitor is therefore chosen to limit the output ripple to an acceptable level depending on load current and input/output voltage differentials and also to ensure the converter remains stable.
Larger capacitors such as a 22-µF or capacitors in parallel can be used if lower output voltage ripple is desired. To estimate the output voltage ripple considering the ripple due to capacitor discharge (ΔVQ) and the ripple due to the capacitors ESR (ΔVESR) use the following equations:
For continuous conduction mode, the output voltage ripple due to the capacitor discharge is:
Equation 1.

The output voltage ripple due to the output capacitors ESR is found by:
Equation 2.

In ceramic capacitors the ESR is very low so the assumption is that 80% of the output voltage ripple is due to capacitor discharge and 20% from ESR. Table 1 lists different manufacturers for various output capacitors and their case sizes suitable for use with the LM3648.
8.2.2.3 Inductor Selection
The LM3648 is designed to use a 0.47-µH or 1-µH inductor. Table 2 lists various inductors and their manufacturers that work well with the LM3648. When the device is boosting (VOUT > VIN) the inductor is typically the largest area of efficiency loss in the circuit. Therefore, choosing an inductor with the lowest possible series resistance is important. Additionally, the saturation rating of the inductor should be greater than the maximum operating peak current of the LM3648. This prevents excess efficiency loss that can occur with inductors that operate in saturation. For proper inductor operation and circuit performance, ensure that the inductor saturation and the peak current limit setting of the LM3648 are greater than IPEAK in the following calculation:
Equation 3.
Efficiency details can be found in the Application Curves.
Table 2. Recommended Inductors
| MANUFACTURER |
L |
PART NUMBER |
DIMENSIONS (L×W×H) |
ISAT |
RDC |
| TOKO |
0.47 µH |
DFE201610P-R470M |
2.0 mm x 1.6 mm x 1.0 mm |
4.1 A |
32 mΩ |
| TOKO |
1 µH |
DFE201610P-1R0M |
2.0 mm x 1.6 mm x 1.0 mm |
3.7 A |
58 mΩ |