SNVS085X July   2000  – December 2017 LM3478

PRODUCTION DATA.  

  1. Features
  2. Applications
  3. Description
    1.     Device Images
      1.      Typical High Efficiency Step-Up (Boost) Converter
  4. Revision History
  5. Pin Configuration and Functions
    1.     Pin Functions
  6. Specifications
    1. 6.1 Absolute Maximum Ratings
    2. 6.2 ESD Ratings - LM3478
    3. 6.3 Recommended Operating Conditions
    4. 6.4 Thermal Information
    5. 6.5 Electrical Characteristics
    6. 6.6 Typical Characteristics
  7. Detailed Description
    1. 7.1 Overview
    2. 7.2 Functional Block Diagram
    3. 7.3 Feature Description
      1. 7.3.1 Overvoltage Protection
      2. 7.3.2 Slope Compensation Ramp
      3. 7.3.3 Frequency Adjust/Shutdown
      4. 7.3.4 Short-Circuit Protection
    4. 7.4 Device Functional Modes
  8. Application and Implementation
    1. 8.1 Application Information
    2. 8.2 Typical Applications
      1. 8.2.1 Typical High Efficiency Step-Up (Boost) Converter
        1. 8.2.1.1 Design Requirements
        2. 8.2.1.2 Detailed Design Procedure
          1. 8.2.1.2.1  Custom Design with WEBENCH Tools
          2. 8.2.1.2.2  Power Inductor Selection
          3. 8.2.1.2.3  Programming the Output Voltage
          4. 8.2.1.2.4  Setting the Current Limit
          5. 8.2.1.2.5  Current Limit with External Slope Compensation
          6. 8.2.1.2.6  Power Diode Selection
          7. 8.2.1.2.7  Power MOSFET Selection
          8. 8.2.1.2.8  Input Capacitor Selection
          9. 8.2.1.2.9  Output Capacitor Selection
          10. 8.2.1.2.10 Compensation
        3. 8.2.1.3 Application Curves
      2. 8.2.2 Typical SEPIC Converter
        1. 8.2.2.1 Design Requirements
        2. 8.2.2.2 Detailed Design Procedure
          1. 8.2.2.2.1 Power MOSFET Selection
          2. 8.2.2.2.2 Power Diode Selection
          3. 8.2.2.2.3 Selection of Inductors L1 and L2
          4. 8.2.2.2.4 Sense Resistor Selection
          5. 8.2.2.2.5 Sepic Capacitor Selection
          6. 8.2.2.2.6 Input Capacitor Selection
          7. 8.2.2.2.7 Output Capacitor Selection
        3. 8.2.2.3 Application Curves
  9. Power Supply Recommendations
  10. 10Layout
    1. 10.1 Layout Guidelines
    2. 10.2 Layout Example
  11. 11Device and Documentation Support
    1. 11.1 Custom Design with WEBENCH Tools
    2. 11.2 Receiving Notification of Documentation Updates
    3. 11.3 Documentation Support
      1. 11.3.1 Related Documentation
    4. 11.4 Related Links
    5. 11.5 Trademarks
    6. 11.6 Electrostatic Discharge Caution
    7. 11.7 Glossary
  12. 12Mechanical, Packaging, and Orderable Information

封装选项

机械数据 (封装 | 引脚)
散热焊盘机械数据 (封装 | 引脚)
订购信息

Layout Guidelines

Good board layout is critical for switching controllers. First the ground plane area must be sufficient for thermal dissipation purposes and second, appropriate guidelines must be followed to reduce the effects of switching noise. Switching converters are very fast switching devices. In such devices, the rapid increase of input current combined with the parasitic trace inductance generates unwanted Ldi/dt noise spikes. The magnitude of this noise tends to increase as the output current increases. This parasitic spike noise may turn into electromagnetic interference (EMI), and can also cause problems in device performance. Therefore, care must be taken in layout to minimize the effect of this switching noise. The current sensing circuit in current mode devices can be easily affected by switching noise. This noise can cause duty cycle jittering which leads to increased spectral noise. Although the LM3478 has 325 ns blanking time at the beginning of every cycle to ignore this noise, some noise may remain after the blanking time.

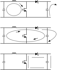
The most important layout rule is to keep the AC current loops as small as possible. Figure 37 shows the current flow of a boost converter. The top schematic shows a dotted line which represents the current flow during on-state and the middle schematic shows the current flow during off-state. The bottom schematic shows the currents we refer to as AC currents. They are the most critical ones since current is changing in very short time periods. The dotted lined traces of the bottom schematic are the once to make as short as possible.

The PGND and AGND pins have to be connected to the same ground very close to the IC. To avoid ground loop currents, attach all the grounds of the system only at one point.

A ceramic input capacitor should be connected as close as possible to the Vin pin and grounded close to the GND pin.

For more information about layout in switch mode power supplies please refer to AN-1229 Simple Switcher PCB Layout Guidelines, SNVA054.

Current flow in boost converter, critical current path, boost
			 converter LM3478 10135520.gifFigure 37. Current Flow in a Boost Application