SNVS085X July   2000  – December 2017 LM3478

PRODUCTION DATA.  

  1. Features
  2. Applications
  3. Description
    1.     Device Images
      1.      Typical High Efficiency Step-Up (Boost) Converter
  4. Revision History
  5. Pin Configuration and Functions
    1.     Pin Functions
  6. Specifications
    1. 6.1 Absolute Maximum Ratings
    2. 6.2 ESD Ratings - LM3478
    3. 6.3 Recommended Operating Conditions
    4. 6.4 Thermal Information
    5. 6.5 Electrical Characteristics
    6. 6.6 Typical Characteristics
  7. Detailed Description
    1. 7.1 Overview
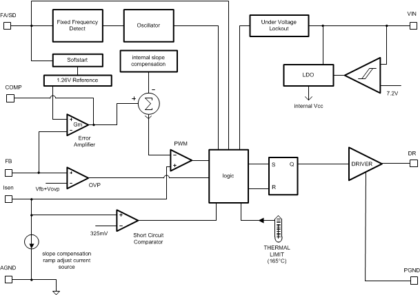
    2. 7.2 Functional Block Diagram
    3. 7.3 Feature Description
      1. 7.3.1 Overvoltage Protection
      2. 7.3.2 Slope Compensation Ramp
      3. 7.3.3 Frequency Adjust/Shutdown
      4. 7.3.4 Short-Circuit Protection
    4. 7.4 Device Functional Modes
  8. Application and Implementation
    1. 8.1 Application Information
    2. 8.2 Typical Applications
      1. 8.2.1 Typical High Efficiency Step-Up (Boost) Converter
        1. 8.2.1.1 Design Requirements
        2. 8.2.1.2 Detailed Design Procedure
          1. 8.2.1.2.1  Custom Design with WEBENCH Tools
          2. 8.2.1.2.2  Power Inductor Selection
          3. 8.2.1.2.3  Programming the Output Voltage
          4. 8.2.1.2.4  Setting the Current Limit
          5. 8.2.1.2.5  Current Limit with External Slope Compensation
          6. 8.2.1.2.6  Power Diode Selection
          7. 8.2.1.2.7  Power MOSFET Selection
          8. 8.2.1.2.8  Input Capacitor Selection
          9. 8.2.1.2.9  Output Capacitor Selection
          10. 8.2.1.2.10 Compensation
        3. 8.2.1.3 Application Curves
      2. 8.2.2 Typical SEPIC Converter
        1. 8.2.2.1 Design Requirements
        2. 8.2.2.2 Detailed Design Procedure
          1. 8.2.2.2.1 Power MOSFET Selection
          2. 8.2.2.2.2 Power Diode Selection
          3. 8.2.2.2.3 Selection of Inductors L1 and L2
          4. 8.2.2.2.4 Sense Resistor Selection
          5. 8.2.2.2.5 Sepic Capacitor Selection
          6. 8.2.2.2.6 Input Capacitor Selection
          7. 8.2.2.2.7 Output Capacitor Selection
        3. 8.2.2.3 Application Curves
  9. Power Supply Recommendations
  10. 10Layout
    1. 10.1 Layout Guidelines
    2. 10.2 Layout Example
  11. 11Device and Documentation Support
    1. 11.1 Custom Design with WEBENCH Tools
    2. 11.2 Receiving Notification of Documentation Updates
    3. 11.3 Documentation Support
      1. 11.3.1 Related Documentation
    4. 11.4 Related Links
    5. 11.5 Trademarks
    6. 11.6 Electrostatic Discharge Caution
    7. 11.7 Glossary
  12. 12Mechanical, Packaging, and Orderable Information

封装选项

机械数据 (封装 | 引脚)
散热焊盘机械数据 (封装 | 引脚)
订购信息

Functional Block Diagram

LM3478 10135506.gif