ZHCSK33G July   2008  – July 2019 LM3421 , LM3423

PRODUCTION DATA.  

  1. 特性
  2. 应用
  3. 说明
    1.     Device Images
      1.      典型升压应用
  4. 修订历史记录
  5. Device Comparison
  6. Pin Configuration and Functions
    1.     Pin Functions
  7. Specifications
    1. 7.1 Absolute Maximum Ratings
    2. 7.2 ESD Ratings
    3. 7.3 Recommended Operating Conditions
    4. 7.4 Thermal Information
    5. 7.5 Electrical Characteristics
    6. 7.6 Typical Characteristics
  8. Detailed Description
    1. 8.1 Overview
    2. 8.2 Functional Block Diagram
    3. 8.3 Feature Description
      1. 8.3.1  Current Regulators
      2. 8.3.2  Predictive Off-Time (PRO) Control
      3. 8.3.3  Average LED Current
      4. 8.3.4  Analog Dimming
      5. 8.3.5  Current Sense and Current Limit
      6. 8.3.6  Overcurrent Protection
      7. 8.3.7  Zero Current Shutdown
      8. 8.3.8  Control Loop Compensation
      9. 8.3.9  Start-Up Regulator
      10. 8.3.10 Overvoltage Lockout (OVLO)
      11. 8.3.11 Input Undervoltage Lockout (UVLO)
        1. 8.3.11.1 UVLO Only
        2. 8.3.11.2 PWM Dimming and UVLO
      12. 8.3.12 PWM Dimming
      13. 8.3.13 LM3423 Only: DPOL, FLT, TIMR, and LRDY
  9. Application and Implementation
    1. 9.1 Application Information
      1. 9.1.1 Inductor
      2. 9.1.2 LED Dynamic Resistance
      3. 9.1.3 Output Capacitor
      4. 9.1.4 Input Capacitors
      5. 9.1.5 Main MOSFET / Dimming MOSFET
      6. 9.1.6 Re-Circulating Diode
      7. 9.1.7 Boost Inrush Current
      8. 9.1.8 Switching Frequency
    2. 9.2 Typical Applications
      1. 9.2.1 Basic Topology Schematics
        1. 9.2.1.1 Design Requirements
        2. 9.2.1.2 Detailed Design Procedure
          1. 9.2.1.2.1  Operating Point
          2. 9.2.1.2.2  Switching Frequency
          3. 9.2.1.2.3  Average LED Current
          4. 9.2.1.2.4  Inductor Ripple Current
          5. 9.2.1.2.5  LED Ripple Current
          6. 9.2.1.2.6  Peak Current Limit
          7. 9.2.1.2.7  Loop Compensation
          8. 9.2.1.2.8  Input Capacitance
          9. 9.2.1.2.9  N-channel FET
            1. 9.2.1.2.9.1 Boost and Buck-Boost
          10. 9.2.1.2.10 Diode
          11. 9.2.1.2.11 Output OVLO
          12. 9.2.1.2.12 Input UVLO
          13. 9.2.1.2.13 PWM Dimming Method
          14. 9.2.1.2.14 Analog Dimming Method
      2. 9.2.2 LM3421 Buck-Boost Application
        1. 9.2.2.1 Design Requirements
        2. 9.2.2.2 Detailed Design Procedure
          1. 9.2.2.2.1  Operating Point
          2. 9.2.2.2.2  Switching Frequency
          3. 9.2.2.2.3  Average LED Current
          4. 9.2.2.2.4  Inductor Ripple Current
          5. 9.2.2.2.5  Output Capacitance
          6. 9.2.2.2.6  Peak Current Limit
          7. 9.2.2.2.7  Loop Compensation
          8. 9.2.2.2.8  Input Capacitance
          9. 9.2.2.2.9  N-channel FET
          10. 9.2.2.2.10 Diode
          11. 9.2.2.2.11 Input UVLO
          12. 9.2.2.2.12 Output OVLO
        3. 9.2.2.3 Application Curve
      3. 9.2.3 LM3421 BOOST Application
        1. 9.2.3.1 Design Requirements
        2. 9.2.3.2 Detailed Design Procedure
      4. 9.2.4 LM3421 Buck-Boost Application
        1. 9.2.4.1 Design Requirements
        2. 9.2.4.2 Detailed Design Procedure
      5. 9.2.5 LM3423 Boost Application
        1. 9.2.5.1 Design Requirements
        2. 9.2.5.2 Detailed Design Procedure
      6. 9.2.6 LM3421 Buck-Boost Application
        1. 9.2.6.1 Design Requirements
        2. 9.2.6.2 Detailed Design Procedure
      7. 9.2.7 LM3423 Buck Application
        1. 9.2.7.1 Design Requirements
        2. 9.2.7.2 Detailed Design Procedure
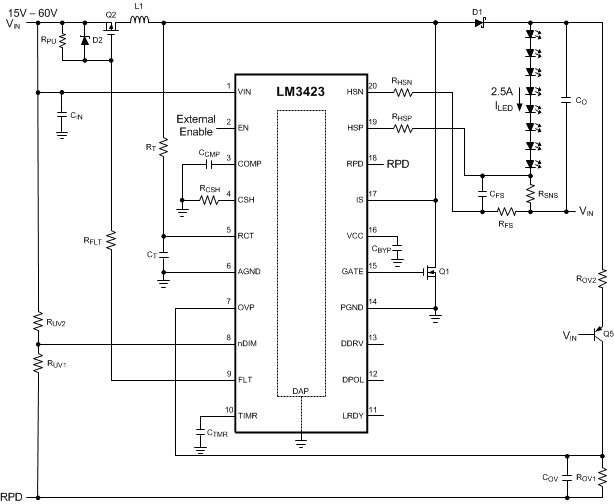
      8. 9.2.8 LM3423 Buck-Boost Application
        1. 9.2.8.1 Design Requirements
        2. 9.2.8.2 Detailed Design Procedure
      9. 9.2.9 LM3421 SEPIC Application
        1. 9.2.9.1 Design Procedure
        2. 9.2.9.2 Detailed Design Procedure
  10. 10Power Supply Recommendations
    1. 10.1 General Recommendations
    2. 10.2 Input Supply Current Limit
  11. 11Layout
    1. 11.1 Layout Guidelines
    2. 11.2 Layout Example
  12. 12器件和文档支持
    1. 12.1 器件支持
      1. 12.1.1 第三方产品免责声明
    2. 12.2 相关链接
    3. 12.3 社区资源
    4. 12.4 商标
    5. 12.5 静电放电警告
    6. 12.6 Glossary
  13. 13机械、封装和可订购信息

封装选项

机械数据 (封装 | 引脚)
散热焊盘机械数据 (封装 | 引脚)
订购信息

LM3423 Buck-Boost Application

LM3421 LM3423 300673i0.gifFigure 43. LM3423 Buck-Boost Application